Curiosii for ever!: Car repair manuals for everyone.

Purge Control System Check




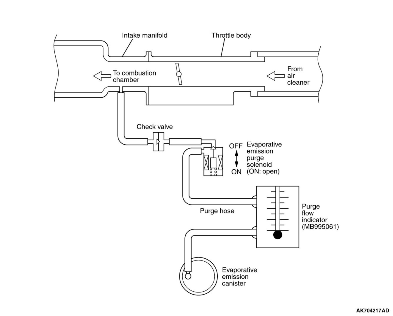
PURGE CONTROL SYSTEM CHECK (PURGE FLOW CHECK)





Required Special Tool:

- MB995061: Purge Flow Indicator

1. Disconnect the purge hose from the evaporative emission (EVAP) purge solenoid, and connect special tool MB995061 between the EVAP purge solenoid and the purge hose.

2. Before inspection and adjustment, set the vehicle in the following conditions:

- Engine coolant temperature: 80 - 95°C (176 - 203°F)
- Lights, electric cooling fan and accessories: OFF
- Transaxle: Neutral (P range on vehicles with TC-SST)

3. Run the engine at idle for more than four minutes.

4. Check the purge flow volume when engine is revved suddenly several times.
Standard value: Momentarily 20 cm3/s (2.5 SCFH) or more.


5. If the purge flow volume is less than the standard value, check it again with the vacuum hose disconnected from the EVAP canister. If the purge flow volume is less than the standard value, check the vacuum port and the vacuum hose for clogging. Also check the EVAP purge solenoid.
If the purge flow volume is at the standard value, with the EVAP canister disconnected, replace the EVAP canister.