Curiosii for ever!: Car repair manuals for everyone.

Inspection Procedure 26




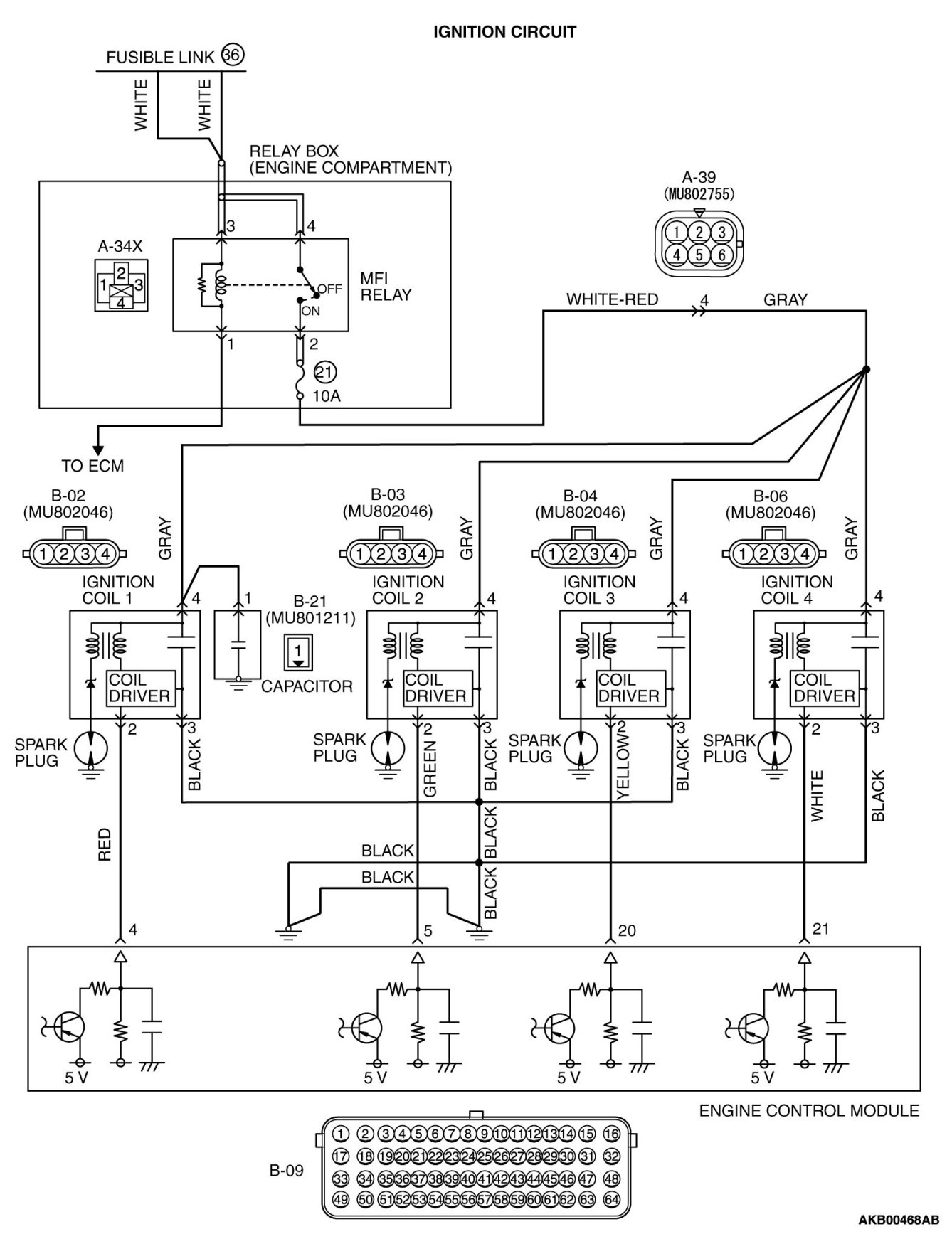
Inspection procedure 26: Ignition circuit system






















CIRCUIT OPERATION

- The battery positive voltage is applied from the MFI relay (terminal No. 2) to the ignition coil (terminal No. 4) and is grounded to the vehicle body via the ignition coil (terminal No. 5).
- A power voltage of 5 V is applied to the ignition coil (terminal No. 2) from the ECM (terminal No. 4, No. 5, No. 20 and No. 21).

COMMENT

- When the ECM turn the power transistor in the unit to "OFF", the battery positive voltage is applied to the power transistor in the ignition coil, resulting that the power transistor is "ON". And, when the ECM turns the power transistor in the unit to "ON", the power transistor in the ignition coil will be turned "OFF".
- When the power transistor in the ignition coil is turned to "ON" with any signal from the ECM, the primary voltage will be applied through the ignition coil.When the power transistor in the ignition coil is turned "OFF", the primary current is blocked and high voltage is generated in the secondary coil.

TROUBLESHOOTING HINTS (The most likely causes for this case:)

- Malfunction of the ignition coil.
- Open or shorted ignition circuit, harness damage, or connector damage.
- Malfunction of the ECM.

DIAGNOSIS

STEP 1. Check the ignition coil.

Testing and Inspection.

Q. Are there any abnormalities?

YES Replace the ignition coil. Then confirm that the malfunction symptom is eliminated.
NO Go to Step 2.
STEP 2. Check harness connector B-02, B-03, B-04 and B-06 at ignition coil for damage.

Q. Is the harness connector in good condition?

YES Go to Step 3.
NO Repair or replace it. Harness Connector Inspection.
Then confirm that the malfunction symptom is eliminated.
STEP 3. Measure the power supply voltage at ignition coil connectors B-02, B-03, B-04 and B-06.

(1)Disconnect the connector B-02, B-03, B-04 and B-06 and measure at the harness side.

(2)Turn the ignition switch to the "ON" position.





(3)Measure the voltage between terminal No. 4 and ground.

- Voltage should be battery positive voltage.
(4)Turn the ignition switch to the "LOCK" (OFF) position.

Q. Is battery positive voltage (approximately 12 volts) present?

YES Go to Step 4.

NO Check harness connector A-39 at intermediate connector for damage, and repair or replace as required. Refer to Harness Connector Inspection Harness Connector Inspection.
If intermediate connector is in good condition, repair harness wire between MFI relay connector A-34X (terminal No. 2) and ignition coil connectors B-02, B-03, B-04 and B-06 (terminal No. 4) because of open circuit or short circuit to ground. Then confirm that the malfunction symptom is eliminated.

STEP 4. Check the circuit at ignition coil harness side connector B-02, B-03, B-04 and B-06.

(1)Disconnect the connectors B-02, B-03, B-04 and B-06 and measure at the harness side.

(2)Engine: 3,000 r/min





(3)Measure the voltage between terminal No. 2 and ground.

- Voltage should be 0.3 and 3.0 volts.
(4)Turn the ignition switch to the "LOCK" (OFF) position.

Q. Is the measured voltage between 0.3 and 3.0 volts?

YES Go to Step 7.

NO Go to Step 5.

STEP 5. Check harness connector B-09 at ECM for damage.

Q. Is the harness connector in good condition?

YES Go to Step 6.
NO Repair or replace it. Harness Connector Inspection.
Then confirm that the malfunction symptom is eliminated.
STEP 6. Check for open circuit and short circuit to ground between ignition coil connector and ECM connector.

1. Check the harness wire between ignition coil connector B-02 (terminal No. 2) and ECM connector B-09 (terminal No. 4) at ignition coil 1.

2. Check the harness wire between ignition coil connector B-03 (terminal No. 2) and ECM connector B-09 (terminal No. 5) at ignition coil 2.

3. Check the harness wire between ignition coil connector B-04 (terminal No. 2) and ECM connector B-09 (terminal No. 20) at ignition coil 3.

4. Check the harness wire between ignition coil connector B-06 (terminal No. 2) and ECM connector B-09 (terminal No. 21) at ignition coil 4.

Q. Is the harness wire in good condition?

YES Replace the ECM (Refer to, Removal and Installation Removal and Replacement).
Then confirm that the malfunction symptom is eliminated.
NO Repair it. Then confirm that the malfunction symptom is eliminated.
STEP 7. Check for continuity at ignition coil harness side connector B-02, B-03, B-04 and B-06.

(1)Disconnect the connectors B-02, B-03, B-04 and B-06 and measure at the harness side.





(2)Check for the continuity between terminal No. 3 and ground.

- Should be less than 2 ohms.

Q. Does continuity exist?

YES Go to Step 8.

NO Repair harness wire between ignition coil connectors B-02, B-03, B-04 and B-06
(terminal No. 3) and ground because of open circuit or harness damage. Then confirm that the malfunction symptom is eliminated.

STEP 8. Check for harness damage between MFI relay connector A-34X
(terminal No. 2) and ignition coil connector B-02, B-03, B-04 and B-06 (terminal No. 4)


NOTE:
Check harness after checking intermediate connector A-39. If intermediate connector is damaged, repair or replace it. After to Harness Connector Inspection Harness Connector Inspection.
Then check that the malfunction is eliminated.

Q. Is the harness wire in good condition?

YES Go to Step 9.
NO Repair it. Then confirm that the malfunction symptom is eliminated.
STEP 9. Check for harness damage between ignition coil connector and ECM connector.

5. Check the harness wire between ignition coil connector B-02 (terminal No. 2) and ECM connector B-09 (terminal No. 151) at ignition coil 1.

6. Check the harness wire between ignition coil connector B-03 (terminal No. 2) and ECM connector B-09 (terminal No. 143) at ignition coil 2.

7. Check the harness wire between ignition coil connector B-04 (terminal No. 2) and ECM connector B-09 (terminal No. 150) at ignition coil 3.

8. Check the harness wire between ignition coil connector B-06 (terminal No. 2) and ECM connector B-09 (terminal No. 148) at ignition coil 4.

Q. Is the harness wire in good condition?

YES Replace the ECM (Refer to, Removal and Installation Removal and Replacement).
Then confirm that the malfunction symptom is eliminated.
NO Repair it. Then confirm that the malfunction symptom is eliminated.