Curiosii for ever!: Car repair manuals for everyone.

Inspection Procedure 22




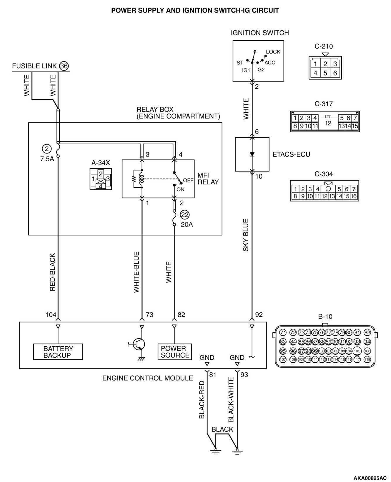
Inspection procedure 22: Power supply system and ignition switch-IG system






















CIRCUIT OPERATION

- Battery positive voltage is applied to the MFI relay (terminals No. 3, No. 4).
- When the ignition switch is turned to the "ON" position, battery positive voltage is applied to the ECM (terminal No. 92). When battery positive voltage is applied, the ECM turns the power transistor in the ECM "ON" and grounds the MFI relay coil. With this, the MFI relay turns "ON" the battery positive voltage is supplied to the ECM (terminals No. 82) from the MFI relay (terminal No. 2).
- A battery positive voltage is constantly supplied to the ECM (terminal No. 104) as the backup power.
- The ECM (terminals No. 81, No. 93) is grounded to the vehicle body.

COMMENT

- When the ignition switch "ON" signal is input into the ECM via ETACS-ECU, the ECM turns "ON" the MFI relay. This causes battery positive voltage to be supplied to the ECM, sensor and actuator.

TROUBLESHOOTING HINTS (The most likely causes for this case)

- Malfunction of the ignition switch.
- Malfunction of the MFI relay.
- Open of shorted power supply and ignition Switch-IG circuit, harness damage, or connector damage.
- Malfunction of the ECM.

DIAGNOSIS

STEP 1. Check harness connector A-34X at MFI relay for damage.

Q. Is the connector in good condition?

YES Go to Step 2.
NO Repair or replace it. Harness Connector Inspection.
Then confirm that the malfunction symptom is eliminated.
STEP 2. Check the MFI relay.

(1)Remove the MFI relay.





(2)Check for continuity between the MFI relay terminals No. 1 and No. 3.

- There should be continuity.





(3)Use jumper wires to connect MFI relay terminal No. 3 to the positive battery terminal and terminal No. 1 to the negative battery terminal.
(4)Check for continuity between the MFI relay terminals No. 4 and No. 2 while connecting and disconnecting the jumper wire at the negative battery terminal.

- Continuity (2ohms or less)[ Negative battery terminal connected]

- Should be open loop.[ Negative battery terminal disconnected]
(5) Install the MFI relay.

Q. Is the measured resistance within the specified range?

YES Go to Step 3.

NO Replace the MFI relay. Then confirm that the malfunction symptom is eliminated.

STEP 3. Measure the power supply voltage at MFI relay harness side connector A-34X.

(1)Disconnect the connector A-34X and measure at the harness side.





(2)Measure the voltage between terminals No. 3, No. 4 and ground.

- Voltage should be battery positive voltage.

Q. Is battery positive voltage (approximately 12 volts) present?

YES Go to Step 4.

NO Repair harness wire between fusible link (36) and MFI relay connector A-34X (terminals No. 3, No. 4) because of open circuit or short circuit to ground. Then confirm that the malfunction symptom is eliminated.

STEP 4. Check harness connector B-10 at ECM for damage.

Q. Is the harness connector in good condition?

YES Go to Step 5.
NO Repair or replace it. Harness Connector Inspection.
Then confirm that the malfunction symptom is eliminated.
STEP 5. Measure the ignition switch-IG signal voltage at ECM harness side connector B-10.

(1)Disconnect the connector B-10 and measure at the harness side.

(2)Turn the ignition switch to the "ON" position.





(3)Measure the voltage between terminal No. 92 and ground.

- Voltage should be battery positive voltage.
(4)Turn the ignition switch to the "LOCK" (OFF) position.

Q. Is battery positive voltage (approximately 12 volts) present?

YES Go to Step 11.

NO Go to Step 6.

STEP 6. Check harness connector C-304, C-317 at ETACS-ECU connector for damage.

Q. Is the connector in good condition?

YES Go to Step 7.
NO Repair or replace it. Harness Connector Inspection.
Then confirm that the malfunction symptom is eliminated.
STEP 7. Measure the ignition switch-IG signal voltage at ETACS-ECU harness side connector C-317.

(1)Disconnect the connector C-317 and measure at the harness side.

(2)Turn the ignition switch to the "ON" position.





(3)Measure the voltage between terminal No. 6 and ground.

- Voltage should be battery positive voltage
(4)Turn the ignition switch to the "LOCK" (OFF) position.

Q. Is battery positive voltage (approximately 12 volts) present?

YES Go to Step 10.

NO Go to Step 8.

STEP 8. Check harness connector C-210 ignition switch connector for damage.

Q. Is the connector in good condition?

YES Go to Step 9.
NO Repair or replace it. Harness Connector Inspection.
Then confirm that the malfunction symptom is eliminated.
STEP 9. Check the ignition switch

Ignition Switch Inspection.

Q. Are there any abnormalities?

YES Replace the Ignition Switch. Then confirm that the malfunction symptom is eliminated.
NO Repair harness wire between Ignition Switch connector C-210 (terminal No. 2) and ETACS-ECU connector C-317 (terminal No. 6) because of open circuit or short circuit to ground.
Then confirm that the malfunction symptom is eliminated.
STEP 10. Check for continuity at ETACS-ECU side connector C-304 and C-317.

(1)Disconnect the connector C-304, C-317 and measure at the ETACS-ECU side.





(2)Measure the resistance between connector C-304 (terminal No. 10) and connector C-317 (terminal No. 6).
NOTE:
Connect the (+) side of circuit tester to connector C-304 (terminal No. 10).

- Should be less than 2 ohms

Q. Is the harness wire in good condition?

YES Repair harness wire between ETACS-ECU connector C-304 (terminal No. 10) and ECM connector B-10 (terminal No. 92) because of open circuit or short circuit to ground. Then confirm that the malfunction symptom is eliminated.

NO Replace the ETACS-ECU. Then confirm that the malfunction symptom is eliminated.

STEP 11. Check harness connector C-304, C-317 at ETACS-ECU connector for damage.

Q. Is the connector in good condition?

YES Go to Step 12.
NO Repair or replace it. Harness Connector Inspection.
Then confirm that the malfunction symptom is eliminated.
STEP 12. Check for continuity at ETACS-ECU side connector C-304 and C-317.

(1)Disconnect the connector C-304, C-317 and measure at the ETACS-ECU side.





(2)Measure the resistance between connector C-304 (terminal No. 10) and connector C-317 (terminal No. 6).
NOTE:
Connect the (+) side of circuit tester to connector C-304 (terminal No. 10).

- Should be less than 2 ohms

Q. Is the harness wire in good condition?

YES Go to Step 13.

NO Repair or replace it. Harness Connector Inspection.

STEP 13. Check harness connector C-210 ignition switch connector for damage.

Q. Is the connector in good condition?

YES Go to Step 14.
NO Repair or replace it. Harness Connector Inspection.
Then confirm that the malfunction symptom is eliminated.
STEP 14. Check for harness damage between ignition switch connector C-210 (terminal No. 2) and ETACS-ECU connector C-317 (terminal No. 6).

Q. Is the harness wire in good condition?

YES Go to Step 15.
NO Repair it. Then confirm that the malfunction symptom is eliminated.
STEP 15. Check for harness damage between ETACS-ECU connector C-304
(terminal No. 10) and ECM connector B-10 (terminal No. 92).


Q. Is the harness wire in good condition?

YES Go to Step 16.
NO Repair it. Then confirm that the malfunction symptom is eliminated.
STEP 16. Measure the backup power supply voltage at ECM harness side connector B-10.

(1)Disconnect the connector B-10 and measure at the harness side.





(2)Measure the voltage between terminal No. 104 and ground.

- Voltage should be battery positive voltage.

Q. Is battery positive voltage (approximately 12 volts) present?

YES Go to Step 17.

NO Repair harness wire between fusible link (36) and ECM connector B-10 (terminal No. 104) because of short circuit to ground. Then confirm that the malfunction symptom is eliminated.

STEP 17. Check for continuity at ECM harness side connector B-10.

(1)Disconnect the connector B-10 and measure at the harness side.





(2)Check for the continuity between terminals (No. 81, No. 93) and ground.

- Continuity (2ohms or less)

Q. Does continuity exist?

YES Go to Step 18.

NO Repair harness wire between ECM connector B-10 (terminal No. 81, No. 93) and ground because of open circuit or harness damage. Then confirm that the malfunction symptom is eliminated.

STEP 18. Measure the power supply voltage at ECM harness side connector B-10.

(1)Disconnect the connector B-10 and measure at the harness side.





(2)Measure the voltage between terminal No. 73 and ground.

- Voltage should be battery positive voltage.

Q. Is battery positive voltage (approximately 12 volts) present?

YES Go to Step 19.

NO Repair harness wire between MFI relay connector A-34X (terminal No. 1) and ECM connector B-10 (terminal No. 73) because of open circuit. Then confirm that the malfunction symptom is eliminated.

STEP 19. Measure the power supply voltage at ECM harness side connector B-10.

(1)Disconnect the connector B-10 and measure at the harness side.

(2)Using a jumper wire, connect terminal No. 73 to ground.





(3)Measure the voltage between terminal No. 82 and ground.

- Voltage should be battery positive voltage.

Q. Is battery positive voltage (approximately 12 volts) present?

YES Go to Step 22.

NO Go to Step 20.

STEP 20. Check for open circuit and short circuit to ground between MFI relay connector A-34X (terminal No. 2) and ECM connector B-10 (terminal No. 73).

Q. Is the harness wire in good condition?

YES Go to Step 21.
NO Repair it. Then confirm that the malfunction symptom is eliminated.
STEP 21. Check for harness damage between fusible link (36) and MFI relay connector A-34X (terminal No. 3, No. 4).

Q. Is the harness wire in good condition?

YES Repair harness wire between MFI relay connector A-34X (terminal No. 1) and ECM connector (terminal No. 73) because of harness damage. Then confirm that the malfunction symptom is eliminated.
NO Repair it. Then confirm that the malfunction symptom is eliminated.
STEP 22. Check for harness damage between MFI relay connector A-34X
(terminal No. 2) and ECM connector B-10 (terminal No. 82).


Q. Is the harness wire in good condition?

YES Replace the ECM (Refer to, Removal and Installation Removal and Replacement).
Then confirm that the malfunction symptom is eliminated.
NO Repair it. Then confirm that the malfunction symptom is eliminated.