Curiosii for ever!: Car repair manuals for everyone.

Diagnostics Item 17




DIAGNOSTIC ITEM 17: Diagnose when the scan tool cannot receive the data sent by SRS-ECU.

CAUTION:
When servicing a CAN bus line, ground yourself by touching a metal object such as an unpainted water pipe. If you fail to do so, a component connected to the CAN bus line may be damaged.














FUNCTION

If the scan tool MB991958 cannot communicate with the SRS-ECU, this diagnosis result will be set.

TROUBLE JUDGMENT CONDITIONS

If a communication flag is not set for the SRS-ECU, the ETACS-ECU determines that there is a failure.

TROUBLESHOOTING HINTS

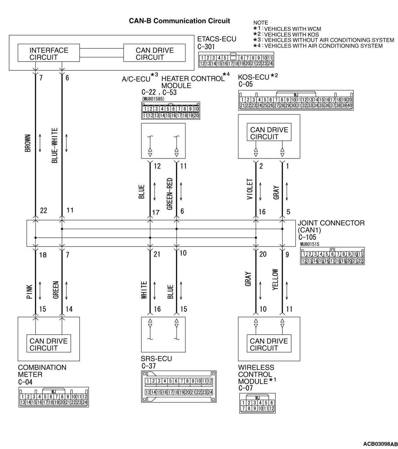
- Malfunction of the connector [joint connector (CAN1), SRS-ECU connector improperly connected]
- Malfunction of the wiring harness [open circuit between the SRS-ECU connector and the joint connector (CAN1), power supply circuit to the SRS-ECU]
- Malfunction of the SRS-ECU

DIAGNOSIS

Required Special Tools:

- MB991223: Harness Set
- MB992006: Extra Fine Probe

STEP 1. Check joint connector (CAN1) C-105 and SRS-ECU connector C-37 for loose, corroded or damaged terminals, or terminals pushed back in the connector.

CAUTION:
The strand end of the twisted wire should be within 10 cm (4 inches) from the connector. For details refer to Precautions When CAN Bus Line(s) are Repaired.

Q. Are joint connector (CAN1) C-105 and SRS-ECU connector C-37 in good condition?

YES Go to Step 2.
NO Repair the damaged parts.
STEP 2. Check the wiring harness between joint connector (CAN1) C-105 and SRS-ECU connector C-37 for open circuit.

CAUTION:
Strictly observe the specified wiring harness repair procedure.
For details refer to Precautions When CAN Bus Line(s) are Repaired.

(1)Disconnect joint connector (CAN1) C-105 and SRS-ECU connector C-37, and check the wiring harness.





(2)Check the wiring harness between joint connector (CAN1) C-105 (terminal 10) and SRS-ECU connector C-37 (terminal 15)
OK: Continuity exists (2ohms or less)






(3)Check the wiring harness between joint connector (CAN1) C-105 (terminal 21) and SRS-ECU connector C-37 (terminal 16)
OK: Continuity exists (2ohms or less)

Q. Is the wiring harness between joint connector (CAN1) C-105 and SRS-ECU connector C-37 in good condition?

YES Check the power supply circuit of the SRS-ECU. Symptom Chart.

NO Repair the wiring harness between joint connector (CAN1) C-105 and SRS-ECU connector C-37.