Curiosii for ever!: Car repair manuals for everyone.

Shift Interlock: Service and Repair




REMOVAL AND INSTALLATION

WARNING:

- When removing and installing the shift lock cable unit and key interlock cable, be careful not to hit the SRS-ECU.
- When removing and installing the front passenger seat, be sure to carry out accuracy check occupant classification sensor after the seat has been installed in the vehicle. Accuracy Check of Occupant Classification Sensor .)













REMOVAL SERVICE POINTS

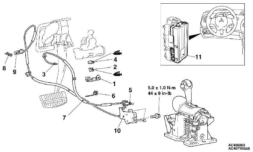
[[A]] SHIFT LOCK CABLE UNIT REMOVAL





Remove the shift lock cable from the vehicle as follows.
1. Remove the shift lock cable unit from the brake pedal bracket.
2. Bind up the cap of shift lock cable unit with a string.
3.
CAUTION:
Bind up it securely so that the string will not loosen.

Wind a plastic tape around the string bound to the shift lock cable unit.
4. To remove the shift lock cable unit pull it slowly and thread the string behind the heater unit.

INSTALLATION SERVICE POINTS

]]A[[ SHIFT LOCK CABLE UNIT INSTALLATION





1. Selector lever to "P" position.
2. Turn the ignition key to "LOCK" (OFF) position.
3. Install the rod of the shift lock cable unit to the lock cam, push the lever in direction A, push the shift lock cable unit in direction B and tighten the fixing bolt at the standard torque.
Tightening torque: 5.0± 1.0Nm (44± 9 in-lb)
4. Check the selector lever operation. (Refer to Selector Lever Operation Check)

]]B[[ SHIFT LOCK CABLE UNIT (BRAKE PEDAL SIDE) INSTALLATION





1.
CAUTION:
When threading the shift lock cable unit behind the heater unit, wind a plastic tape around it up to the arrow as shown so that the shift lock cable unit will not be bent.

Bind up the cap of new shift lock cable unit with the string threaded behind the heater unit when removing and wind a plastic tape around it.
2. Pull the string slowly and thread the shift lock cable unit behind the heater unit.
3. Remove the string and the plastic tape from the shift lock cable unit, and then install the shift lock cable unit to the brake pedal bracket.