Vehicle - Service Manual Revisions
No: TSB-11-00-004DATE: February, 2011
MODEL: 2012 Eclipse/Eclipse Spyder
SUBJECT:
2012 ECLIPSE/ECLIPSE SPYDER SERVICE MANUAL UPDATE - SERVICE MANUAL REVISION
PURPOSE
This TSB contains new service information specific to 2012 models and supplements the 2011 Eclipse/Eclipse Spyder Service Manual to provide complete repair information for 2012 models.
Summary of Changes
^ Group 00 - General: Changes to VIN Information and General Specifications
^ Group 23 - Automatic Transmission: Monitor time for P1763 (P0713) reduced to 350 secs.
^ Group 35C - Traction Control/Active Stability Control System: Changes to G and Yaw Rate Sensor connector number of pins reduced. Requires changes to diagnosis of DTCs C1366, C1371, C1377 and C1864.
^ Group 51 - Exterior: Large spoiler no longer used.
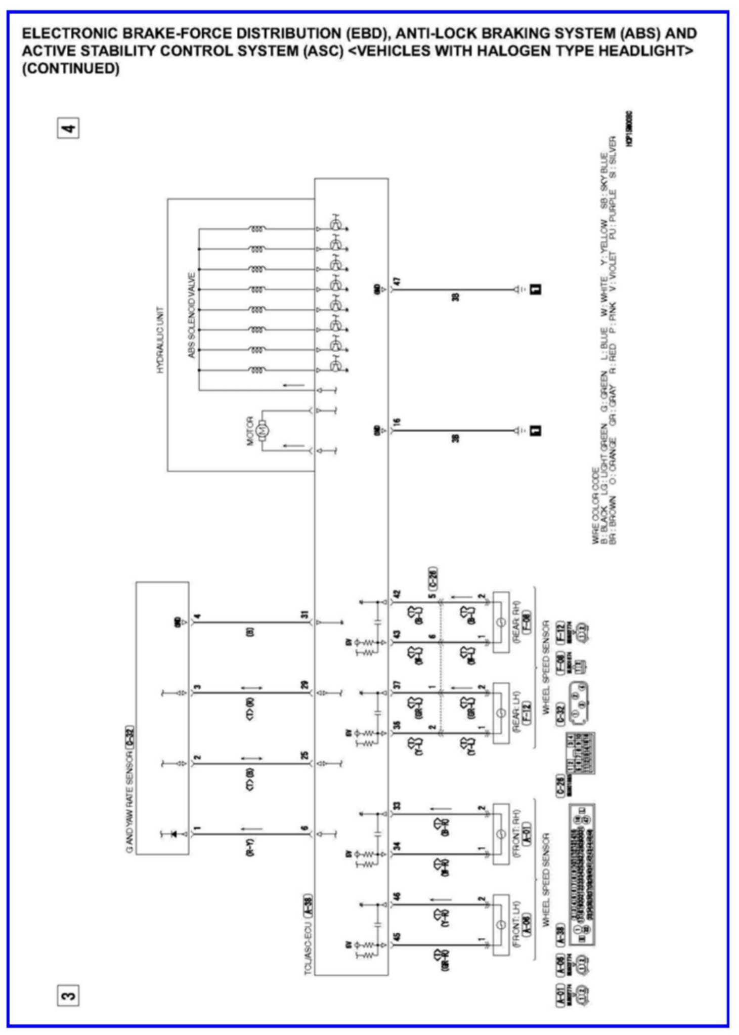
^ Group 90 - Circuit Diagrams: Changed to Traction Control/Active Stability Control System diagrams due to change in G and Yaw Rate Sensor connector.
AFFECTED VEHICLES
2012 Eclipse
2012 Eclipse Spyder
AFFECTED SERVICE MANUALS
2011 Eclipse/Eclipse Spyder pages 00-18 through 00-21, 00-41 through 00-46, 23A-70, 35C-125 through 35C-137, 35C-234, 51-9, 90-432 through 90-447
2011 Eclipse/Eclipse Spyder page 00-18
2011 Eclipse/Eclipse Spyder page 00-19
2011 Eclipse/Eclipse Spyder page 00-20
2011 Eclipse/Eclipse Spyder page 00-21
2011 Eclipse/Eclipse Spyder page 00-41
2011 Eclipse/Eclipse Spyder page 00-42
2011 Eclipse /Eclipse Spyder page 00-43
2011 Eclipse/Eclipse Spyder page 00-44
2011 Eclipse/Eclipse Spyder page 00-45
2011 Eclipse/Eclipse Spyder page 00-46
2011 Eclipse/Eclipse Spyder page 23A-70
2011 Eclipse/Eclipse Spyder page
2011 Eclipse/Eclipse Spyder page 35C-125
2011 Eclipse/Eclipse Spyder page 35C-126
2011 Eclipse/Eclipse Spyder page 35C-127
2011 Eclipse/Eclipse Spyder page 35C-128
2011 Eclipse/Eclipse Spyder page 35C-129
2011 Eclipse/Eclipse Spyder page 35C-130
2011 Eclipse/Eclipse Spyder page 35C-131
2011 Eclipse/Eclipse Spyder page 35C-132
2011 Eclipse/Eclipse Spyder page 35C-133
2011 Eclipse/Eclipse Spyder page 35C-134
2011 Eclipse/Eclipse Spyder page 35C-135
2011 Eclipse/Eclipse Spyder page 35C-136
2011 Eclipse/Eclipse Spyder page 35C-137
2011 Eclipse/Eclipse Spyder page 35C-234
2011 Eclipse/Eclipse Spyder page 51-9
2011 Eclipse/Eclipse Spyder page 90-432, 90-433
2011 Eclipse/Eclipse Spyder page 90-434, 90-435
2011 Eclipse/Eclipse Spyder page 90-136, 90-437
2011 Eclipse/Eclipse Spyder page 90-438, 90-439
2011 Eclipse/Eclipse Spyder page 90-440, 90-441
2011 Eclipse/Eclipse Spyder page 90-442, 90-443
2011 Eclipse/Eclipse Spyder page 90-444, 90-445
2011 Eclipse/Eclipse Spyder page 90-446, 90-447