Curiosii for ever!: Car repair manuals for everyone.

Inspection Procedure D-1




INSPECTION PROCEDURE D-1: Power Windows: Power windows do not work at all.

NOTE:
This troubleshooting procedure requires use of scan tool MB991958 and SWS monitor kit MB991813. For details on how to use the SWS monitor, refer to "How to use SWS monitor How to Use SWS Monitor."


























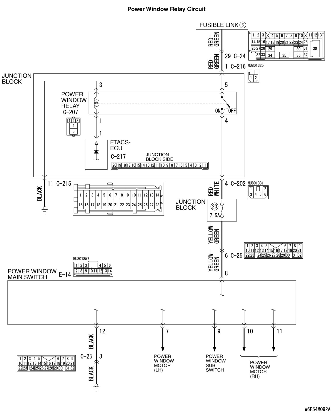
CIRCUIT OPERATION

The ETACS-ECU turns on the power window relay (installed on the junction block) to activate the power windows when the ignition switch (IG1) is turned to the "ON" position.

TROUBLESHOOTING HINTS

- The wiring harness or connectors may have loose, corroded, or damaged terminals, or terminals pushed back in the connector
- The power window relay may be defective
- The power window main switch may be defective
- The ETACS-ECU may be defective

DIAGNOSIS

Required Special Tools:

- MB991223: Harness Set
- MB992006: Extra Fine Probe
- MB991958: Scan Tool (M.U.T.-III Sub Assembly)
- MB991824: V.C.I.
- MB991827: M.U.T.-III USB Cable
- MB991910: M.U.T.-III Main Harness A
- MB991813: SWS Monitor Kit
- MB991806: SWS Monitor Cartridge
- MB991812: SWS Monitor Harness (For Column-ECU)
- MB991822: Probe Harness

STEP 1. Use scan tool MB991958 to select "ECU COMM Check" on the SWS monitor display.

Check the ETACS-ECU.









(1)
CAUTION:
To prevent damage to scan tool MB991958, always turn the ignition switch to the "LOCK" (OFF) position before connecting or disconnecting scan tool MB991958. Connect special tool MB991910 before connecting special tool MB991812. Be sure to connect special tool MB991806 after turning on special tool MB991824.

Connect the special tool. Refer to "How to connect SWS monitor How to Connect SWS Monitor."
(2)Turn the ignition switch to the "ON" position.
(3)Operate the scan tool MB991958 according to the procedure below to display "ECU COMM Check."

.....Select "Interactive Diagnosis."

.....Select "System Select."

.....Select "SWS."

.....Select "SWS MONITOR."

.....Select "ECU COMM Check."
(4)Scan tool MB991958 should show "OK" on the "ECU COMM Check" menu for the "ETACS ECU" menu.

Q. Is "OK" displayed for the "ETACS ECU" menu?

YES Go to Step 2.

NO Refer to Inspection Procedure A-3 "Communication with the ETACS-ECU is not possible Inspection Procedure A-3."

STEP 2. Check the input signal by using "DATA LIST" menu of the SWS monitor.









Turn the ignition switch to the "ON" position before checking input signals from the ignition switch (IG1).
(1)Operate the scan tool MB991958 according to the procedure below to display "ETACS ECU."

.....Select "Interactive Diagnosis."

.....Select "System Select."

.....Select "SWS."

.....Select "SWS MONITOR."

.....Select "Data List."

.....Select "ETACS ECU."
(2)Check that normal conditions are displayed for the items described in the table below.





Q. Does the scan tool MB991958 display "IG SW (IG1)" as normal condition?

YES Go to Step 3.

NO Refer to Inspection Procedure M-2 "ETACS-ECU does not receive any signal from the ignition switch (IG1) Inspection Procedure M-2."

STEP 3. Check power window relay connector C-207 for loose, corroded or damaged terminals, or terminals pushed back in the connector.





Q. Is power window relay connector C-207 in good condition?

YES Go to Step 4.

NO Repair or replace the damaged component(s). Harness Connector Inspection. The power windows function should now work normally.

STEP 4. Check the power window relay.













Q. Is the power window relay normal?

YES Go to Step 5.

NO Replace the power window relay. Verify that the power windows work normally.

STEP 5. Check the battery power supply circuit to the power window relay. Measure the voltage at power window relay connector C-207.





(1)Disconnect power window relay connector C-207 and measure the voltage available at the junction block side of the connector.





(2)Measure the voltage between terminal 5 and ground.

- The voltage should measure approximately 12 volts (battery positive voltage).

Q. Is the measured voltage approximately 12 volts (battery positive voltage)?

YES Go to Step 7.

NO Go to Step 6.

STEP 6. Check the wiring harness between power window relay connector C-207 (terminal 5) and fusible link (5).

- Check the power supply line for open circuit and short circuit.













NOTE:
Also check junction block connector C-216 and intermediate connector C-24 for loose, corroded or damaged terminals, or terminals pushed back in the connectors. If junction block connector C-216 or intermediate connector C-24 is damaged, repair or replace the damaged component(s) as described in Harness Connector Inspection Harness Connector Inspection.

Q. Is the wiring harness between power window relay connector C-207 (terminal 5) and fusible link (5) in good condition?

YES No action is necessary and testing is complete.

NO The wiring harness may be damaged or the connector(s) may have loose, corroded or damaged terminals, or terminals pushed back in the connector. Repair the wiring harness as necessary. The power windows function should now work normally.

STEP 7. Check the ground circuit to the power window relay. Measure the resistance at power window relay connector C-207.





(1)Disconnect power window relay connector C-207 and measure the resistance available at the junction block side of the connector.





(2)Measure the resistance value between terminal 3 and ground.

- The resistance should be 2 ohms or less.

Q. Is the measured resistance 2 ohms or less?

YES Go to Step 9.

NO Go to Step 8.

STEP 8. Check the wiring harness between power window relay connector C-207 (terminal 3) and ground.

- Check the ground wire for open circuit.





NOTE:
Also check junction block connector C-215 for loose, corroded or damaged terminals, or terminals pushed back in the connector. If junction block connector C-215 is damaged, repair or replace the damaged component(s) as described in Harness Connector Inspection Harness Connector Inspection.

Q. Is the wiring harness between power window relay connector C-207 (terminal 3) and ground in good condition?

YES No action is necessary and testing is complete.

NO The wiring harness may be damaged or the connector(s) may have loose, corroded or damaged terminals, or terminals pushed back in the connector. Repair the wiring harness as necessary. The power windows function should now work normally.

STEP 9. Check power window main switch connector E-14 for loose, corroded or damaged terminals, or terminals pushed back in the connector.





Q. Is power window main switch connector E-14 in good condition?

YES Go to Step 10.

NO Repair or replace the damaged component(s). Harness Connector Inspection. The power windows function should now work normally.

STEP 10. Check the ground circuit to the power window main switch. Measure the resistance at power window main switch connector E-14.





(1)Disconnect power window main switch connector E-14 and measure the resistance available at the harness side of the connector.





(2)Measure the resistance value between terminal 12 and ground.

- The resistance should be 2 ohms or less.

Q. Is the measured resistance 2 ohms or less?

YES Go to Step 12.

NO Go to Step 11.

STEP 11. Check the wiring harness between power window main switch E-14 (terminal 12) and ground.

- Check the ground wire for open circuit.









NOTE:
Also check intermediate connector C-25 for loose, corroded or damaged terminals, or terminals pushed back in the connectors. If intermediate connector C-25 is damaged, repair or replace the damaged component(s) as described in Harness Connector Inspection Harness Connector Inspection.

Q. Is the wiring harness between power window main switch connector E-14 (terminal 12) and ground in good condition?

YES No action is necessary and testing is complete.

NO The wiring harness may be damaged or the connector(s) may have loose, corroded or damaged terminals, or terminals pushed back in the connector. Repair the wiring harness as necessary. The power windows function should now work normally.

STEP 12. Check the battery power supply circuit to the power window main switch. Measure the voltage at power window main switch connector E-14.





(1)Disconnect power window main switch connector E-14 and measure the voltage available at the harness side of the connector.
(2)Turn the ignition switch to "ON" position.





(3)Measure the voltage between terminal 8 and ground.

- The voltage should measure approximately 12 volts (battery positive voltage).

Q. Is the measured voltage approximately 12 volts (battery positive voltage)?

YES Replace the power window main switch. The power windows function should now work normally.

NO Go to Step 13.

STEP 13. Check ETACS-ECU connector C-217 for loose, corroded or damaged terminals, or terminals pushed back in the connector.





Q. Is ETACS-ECU connector C-217 in good condition?

YES Go to Step 14.

NO Repair or replace the damaged component(s). Harness Connector Inspection. The power windows function should now work normally.

STEP 14. Check the wiring harness between power window relay connector C-207 (terminal 4) and power window main switch connector E-14 (terminal 8).

- Check the communication lines for open circuit and short circuit.













NOTE:
Also check junction block connector C-202 and intermediate connectors C-25 for loose, corroded or damaged terminals, or terminals pushed back in the connectors. If junction block connector C-202 or intermediate connector C-25 is damaged, repair or replace the damaged component(s) as described in Harness Connector Inspection Harness Connector Inspection.

Q. Is the wiring harness between power window relay connector C-207 (terminal 4) and power window main switch connector E-14 (terminal 8) in good condition?

YES Replace the ETACS-ECU. When the ETACS-ECU is replaced, register the encrypted code. Encrypted Code Registration Criteria Table. The power windows function should now work normally.

NO The wiring harness may be damaged or the connector(s) may have loose, corroded or damaged terminals, or terminals pushed back in the connector. Repair the wiring harness as necessary. The power windows function should now work normally.