Curiosii for ever!
: Car repair manuals for everyone.
Home
>>
Mitsubishi
>>
2012
>>
Eclipse Spyder V6-3.8L (6G75)
>>
Repair and Diagnosis
>>
Powertrain Management
>>
Computers and Control Systems
>>
Air Flow Meter/Sensor
>>
Service and Repair
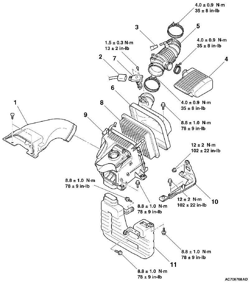
Air Flow Meter/Sensor: Service and Repair
REMOVAL AND INSTALLATION [3.8L ENGINE]