Curiosii for ever!: Car repair manuals for everyone.

Disassembly




DISASSEMBLY AND ASSEMBLY





































- MD998333: Oil Pump Remover
- MD998903: Spring Compressor
- MD998924: Spring Compressor Retainer
- MB991625: Special Socket (41)
- MB990607: Torque Wrench Socket
- MD998412: Guide
- MB991631: Clearance Dummy Plate
- MD998913: Dial Gauge Extension
- MB990938: Handle
- MB990930: Installer Adapter
- MD998350: Bearing Installer
- MB990931: Installer Adapter
- MB990935: Installer Adapter

DISASSEMBLY

CAUTION:

- Because the automatic transaxle is manufactured from high-precision parts, care must be taken not to scratch or damage these parts during disassembly and assembly.
- Work on a rubber mat and keep it clean at all times.
- Do not wear any cloth gloves and do not use any shop towels during disassembly. Use only nylon cloth, paper towels or any other lint-free material.
- Parts which have been disassembled should all be cleaned. Metal parts can be cleaned with normal detergent, but they should be dried completely using compressed air.
- Clutch discs, plastic thrust plates and rubber parts should be cleaned with automatic transmission fluid (ATF).
- If the transaxle body has been damaged, disassemble and clean the cooler system.

1. Remove the torque converter.





2. Use a dial gauge to measure the input shaft end play.
3. Remove each bracket.
4. Remove the dipstick.
5. Remove the eye bolt, gaskets and the oil cooler feed tube.





6. Remove the air breather by inserting a screwdriver into the air breather and prying it up.





7. Remove the input shaft speed sensor and output shaft speed sensor.





8.
CAUTION:
The manual control lever tightening nut must be removed before removing the valve body. If the valve body is removed before the nut, the park/neutral position switch will be damaged.

Loosen the manual control lever tightening nut, and then remove the manual control lever and the park/neutral position switch.





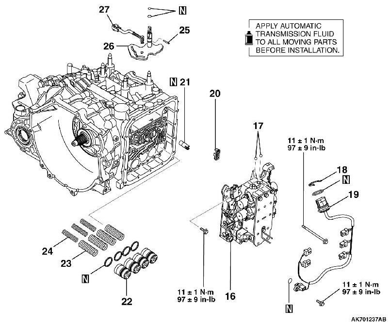
9. Remove the valve body cover.





10. Remove the manual control shaft detent.





11. Disconnect the solenoid valve harness from the valve body by disconnecting the fluid temperature sensor and all the connectors.





12.
CAUTION:

- Make sure that the manual control lever and the park/neutral position switch are removed. See step 8.
- Do not remove the bolts (four pieces) shown in the illustration.

Remove the valve body mounting bolts (twenty seven pieces).





13.
CAUTION:
Do not lose the two steel balls.

Remove the valve body and the steel balls (two pieces).





14. Remove the snap ring from the connector. Push the connector into the transaxle case and remove the solenoid valve harness.





15. Remove the strainer and the second brake retainer oil seal.





16. Remove each accumulator piston and spring.










17. Remove the manual control lever shaft roller.
18. Remove the manual control lever shaft and the parking pawl rod.





19. Remove the torque converter housing mounting bolts (eighteen pieces), and then remove the torque converter housing.
20. Remove the differential bearing outer race and spacer from the torque converter housing.





21. Remove the O-rings (two pieces).





22. Remove the differential.





23. Remove the oil filter.





24. Remove the oil pump mounting bolts (six pieces).





25. Install special tool MD998333 in the position shown in the illustration.
26. Turn special tool MD998333 to remove the oil pump.
27. Remove the oil pump gasket.





28. Remove thrust washer number 1.





29. Holding the input shaft, remove the underdrive clutch and input shaft.





30. Remove thrust bearing number 2.





31. Remove the underdrive clutch hub.





32. Remove the parking pawl shaft, and then remove the spacer and spring.





33. Remove the parking roller support shafts (two pieces), and then remove the parking pawl and parking roller support.





34. Remove the rear cover and input shaft rear bearing.
35. Remove thrust race number 8.
36. Remove the seal rings (four pieces).





37. Remove the O-rings (three pieces).





38. Remove the reverse and overdrive clutch and thrust bearing number 7.





39. Remove overdrive clutch hub and thrust bearing number 6.





40. Remove thrust bearing number 5.





41. Remove the planetary reverse sun gear.





42. Remove the snap ring.





43. Remove the second brake piston and the return spring.





44. Remove the brake plates (two pieces), brake discs (three pieces) and pressure plate.





45. Remove the planetary carrier assembly.





46. Remove the snap ring.





47. Remove the reaction plate and the brake disc.





48. Remove the snap ring.





49. Remove the brake plates (five pieces), brake discs (six pieces) and pressure plate.
NOTE:
*Includes the brake discs removed in step 47.





50. Remove the wave spring.





51. Remove the one-way clutch inner race and low-reverse brake piston as follows:
(1) Using special tools MD998903 and MD998924, compress the one-way clutch inner race.
(2) Remove the snap ring.
(3) Remove the special tools.
(4) Remove the one-way clutch inner race, O-ring, spring retainer, return spring and low-reverse brake piston.





52. Remove the transfer drive gear bearing mounting bolts (three or four pieces).Then, turn the gear 1/8 turn (45 degrees) and remove the remaining bolts.





53. Remove the transfer drive gear.





54. Remove the cap by inserting a screwdriver into the center of the cap and prying it up.





55. Using a chisel, straighten the staked portions from the output shaft lock nut.





56.
CAUTION:
The lock nut is reverse threaded.

Use special tools MB991625 and MB990607 to remove the output shaft lock nut.





57. Remove the bearing retainer mounting bolts.





58. Tap on the rear end of the output shaft to remove the output shaft, taper roller bearing and collar.





59. Tap out the outer race and the spacer.
60. Remove the snap ring.
61. Remove the differential bearing outer race from the transaxle case.