Curiosii for ever!
: Car repair manuals for everyone.
Home
>>
Mitsubishi
>>
2012
>>
Eclipse L4-2.4L (4G69)
>>
Repair and Diagnosis
>>
Powertrain Management
>>
Diagrams
>>
Electrical Diagrams
>>
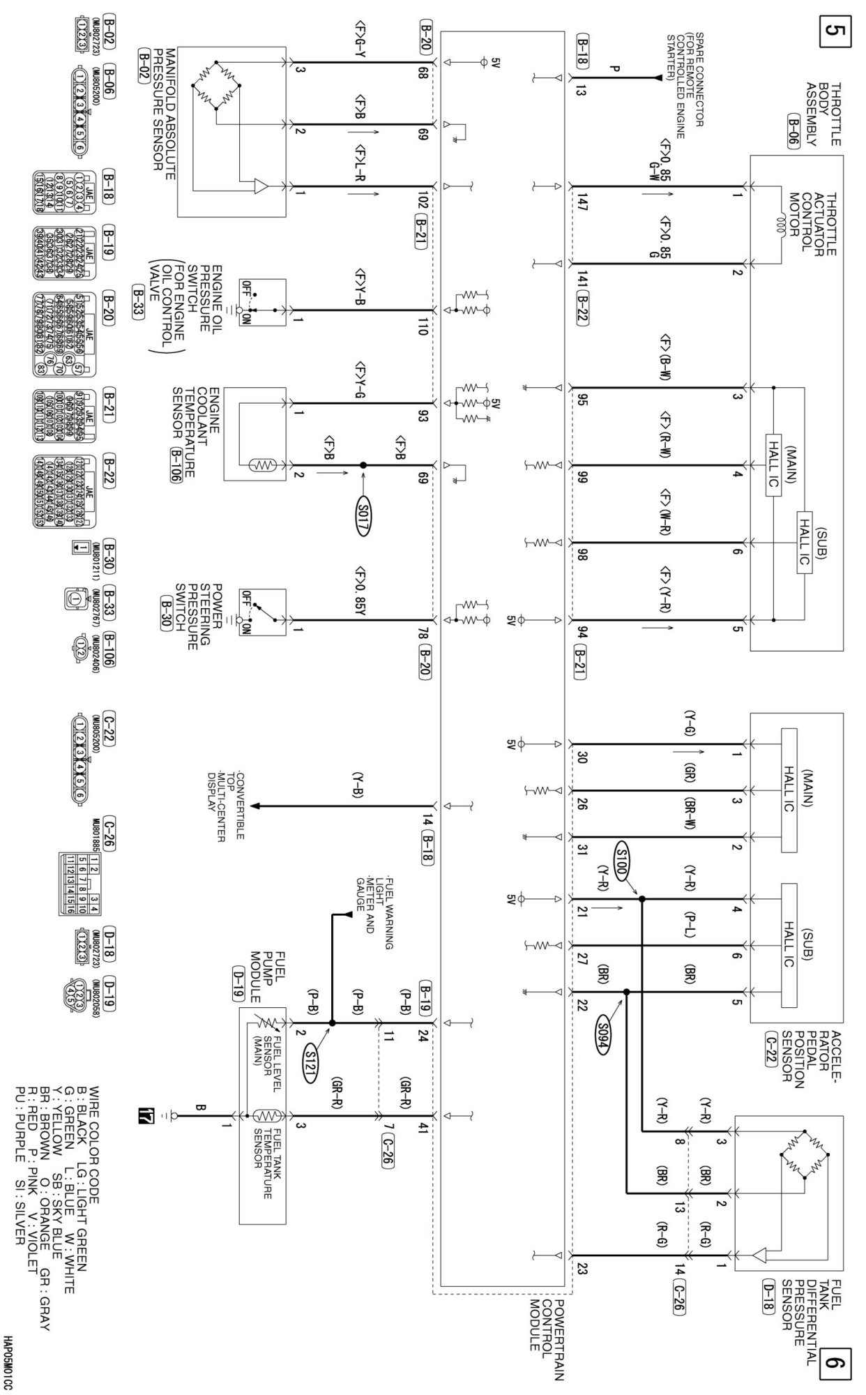
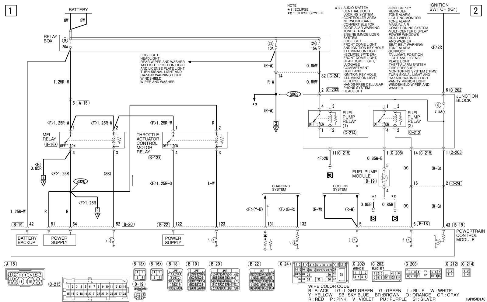
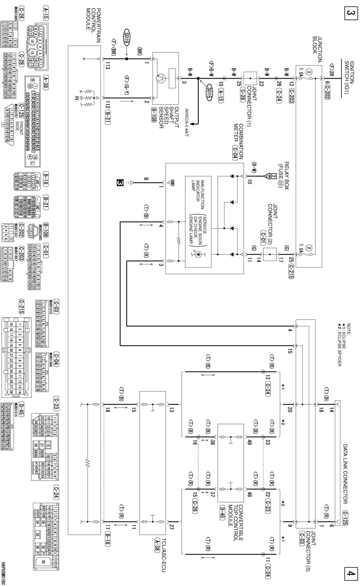
MFI Engine Control System A/T
MFI Engine Control System A/T
MULTIPORT FUEL INJECTION
(MFI) SYSTEM [2.4L ENGINE-A/T]