Curiosii for ever!: Car repair manuals for everyone.

Diagnostics Item 13




DIAGNOSTIC ITEM 13: Diagnose when the scan tool cannot receive the data sent by ECM.

CAUTION:
When servicing a CAN bus line, ground yourself by touching a metal object such as an unpainted water pipe. If you fail to do so, a component connected to the CAN bus line may be damaged.


















FUNCTION

If the scan tool MB991958 cannot communicate with the ECM, this diagnosis result will be set.

TROUBLE JUDGMENT CONDITIONS

If a communication flag is not set for the ECM, the ETACS-ECU determines that there is a failure.

TROUBLESHOOTING HINTS

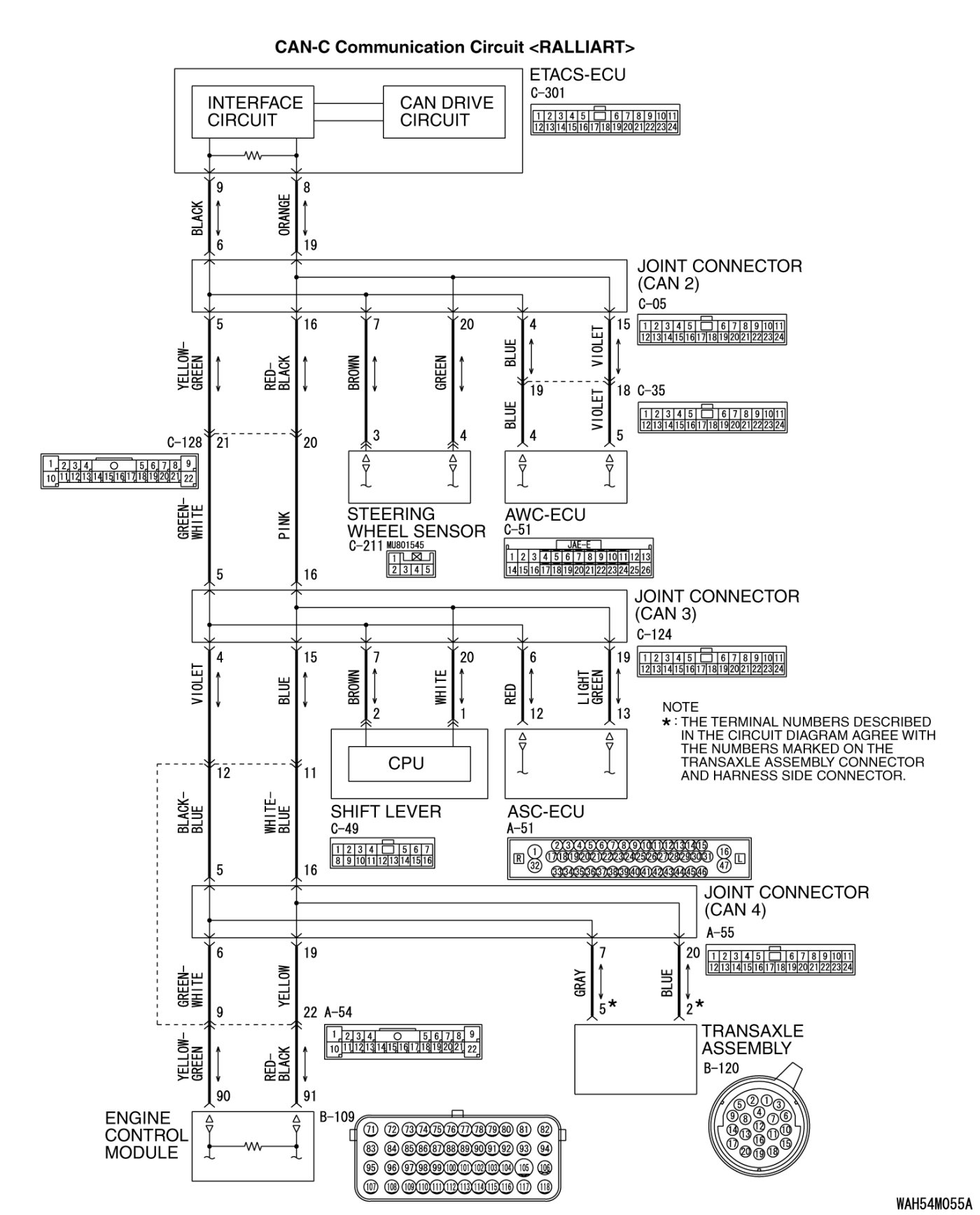
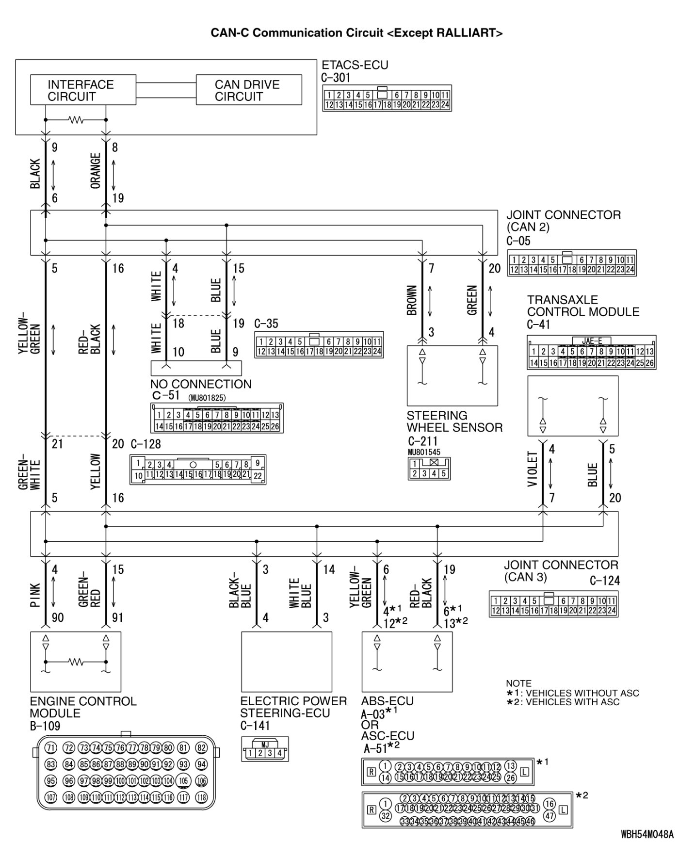
- Malfunction of the connector [joint connector (CAN3)[ except RALLIART], joint connector (CAN4)[RALLIART], ECM connector or intermediate connector[RALLIART] improperly connected]
- Malfunction of the wiring harness [open circuit between the ECM connector and the joint connector (CAN3)[ except RALLIART] or the joint connector (CAN4)[RALLIART], power supply circuit to the ECM]
- Malfunction of the ECM

DIAGNOSIS

Required Special Tools:

- MB991223: Harness Set
- MB992006: Extra Fine Probe

STEP 1. Check joint connector (CAN3) C-124 [except RALLIART], joint connector (CAN4) A-55 [RALLIART], ECM connector B-109 and intermediate connector A-54 [RALLIART] for loose, corroded or damaged terminals, or terminals pushed back in the connector.

CAUTION:
The strand end of the twisted wire should be within 10 cm (4 inches) from the connector. For details refer to Precautions When CAN Bus Line(s) are Repaired.

Q. Are joint connector (CAN3) C-124[ except RALLIART], joint connector (CAN4) A-55[RALLIART], ECM connector B-109 and intermediate connector A-54[RALLIART] in good condition?

YES Go to Step 2.
NO Repair the damaged parts.
STEP 2. Check the wiring harness between joint connector (CAN3) C-124 [except RALLIART] or joint connector (CAN4) A-55 [RALLIART] and ECM connector B-109.

CAUTION:
Strictly observe the specified wiring harness repair procedure.
For details refer to Precautions When CAN Bus Line(s) are Repaired.

(1)Disconnect joint connector (CAN3) C-124 [except RALLIART] or joint connector (CAN4) A-55 [RALLIART] and ECM connector B-109, and check the wiring harness.





(2)Check the wiring harness between joint connector (CAN3) C-124 (terminal 4) and ECM connector B-109 (terminal 90) [except RALLIART]
OK: Continuity exists (2ohms or less)






(3)Check the wiring harness between joint connector (CAN3) C-124 (terminal 15) and ECM connector B-109 (terminal 91) [except RALLIART]
OK: Continuity exists (2ohms or less)






(4)Check the wiring harness between joint connector (CAN4) A-55 (terminal 6) and ECM connector B-109 (terminal 90) [RALLIART]
OK: Continuity exists (2ohms or less)






(5)Check the wiring harness between joint connector (CAN4) A-55 (terminal 19) and ECM connector B-109 (terminal 91) [RALLIART]
OK: Continuity exists (2ohms or less)

Q. Is the wiring harness between joint connector (CAN3) C-124[ except RALLIART] or joint connector (CAN4) A-55[RALLIART] and ECM connector B-109 in good condition?

YES Check the power supply circuit of the ECM. Symptom Chart, Symptom Chart, Symptom Chart.

NO Repair the wiring harness between joint connector (CAN3) C-124 [except RALLIART] or joint connector (CAN4) A-55 [RALLIART] and ECM connector B-109.