Curiosii for ever!: Car repair manuals for everyone.

Air Flow Meter/Sensor: Service and Repair




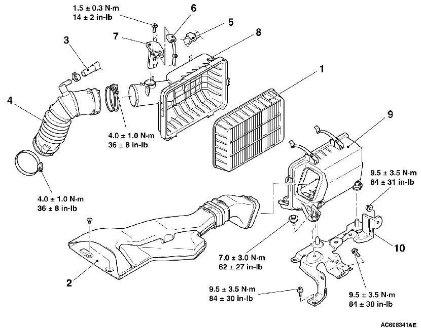
REMOVAL AND INSTALLATION [2.0L ENGINE NON-TURBO, 2.4L ENGINE]









INSTALLATION SERVICE POINT

]]A[[ MASS AIRFLOW SENSOR INSTALLATION

CAUTION:
Do not over-tighten. If the mass airflow sensor mounting screw is over-tightened, the air cleaner support thread can be damaged.