Curiosii for ever!
: Car repair manuals for everyone.
Home
>>
Mitsubishi
>>
2011
>>
Lancer Sportback L4-2.4L (4B12)
>>
Repair and Diagnosis
>>
Power and Ground Distribution
>>
Power Distribution Module
>>
Diagrams
>>
Electrical Diagrams
Electrical Diagrams
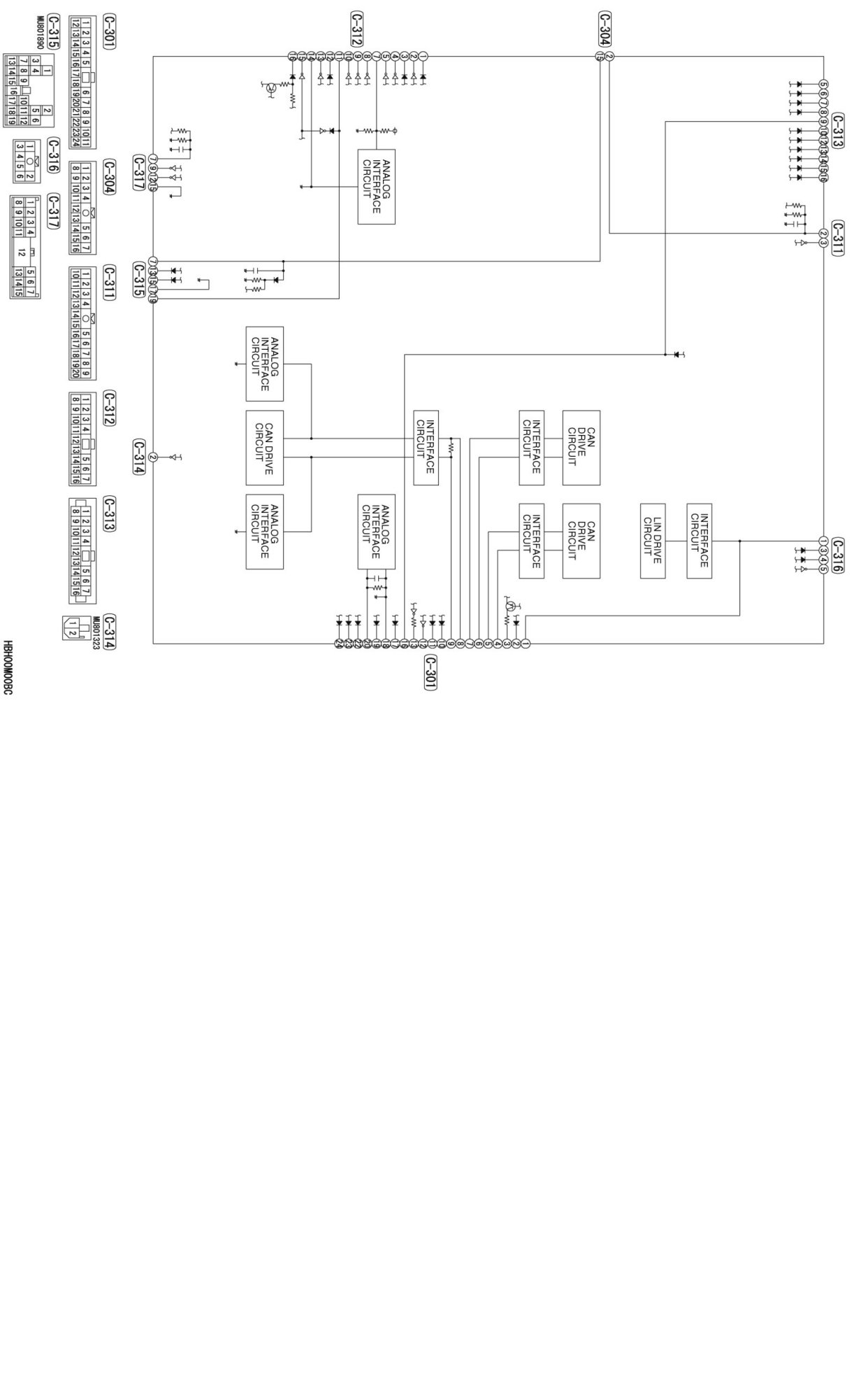
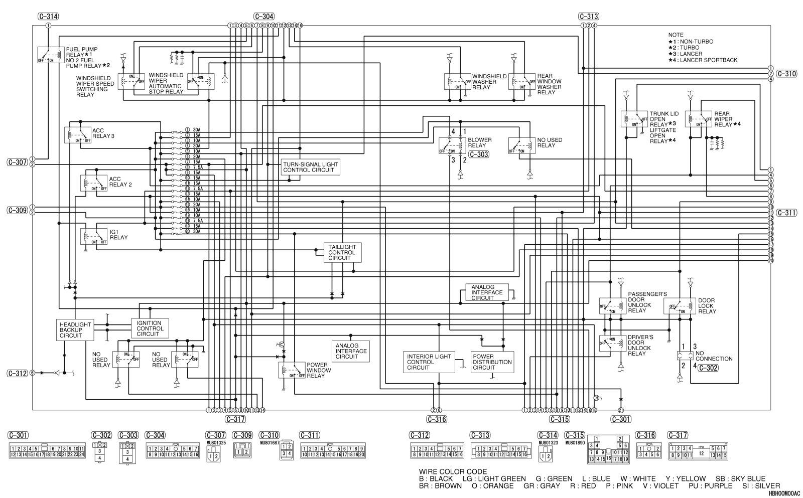
ETACS-ECU