Curiosii for ever!: Car repair manuals for everyone.

Inspection Procedure 28

Inspection Procedure 28: A/C System










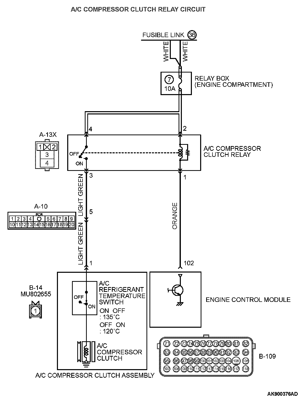
CIRCUIT OPERATION
- When the A/C switch ON signal is input into the ECM, the ECM turns ON the A/C compressor relay. This causes battery positive voltage to be supplied to the A/C compressor and the magnet clutch actuates.

COMMENT
- When the A/C is "ON" the ECM turns "ON" the power transistor in the ECM. The ECM delays A/C engagement momentarily while it increases idle speed. Then the A/C compressor clutch relay coil will be energized.
With this, the A/C compressor clutch relay turns "ON", and the A/C compressor clutch operates.

TROUBLESHOOTING HINTS (The most likely causes for this case:)
- A/C control system failed.
- Open or shorted A/C compressor relay circuit, harness damage or connector damage.
- ECM failed.

DIAGNOSIS

STEP 1. Check harness connector B-109 at ECM for damage.

Q: Is the harness connector in good condition?

YES : Go to Step 2.

NO : Repair or replace it. Then confirm that the malfunction symptom is eliminated.

STEP 2. Check the circuit at ECM connector B-109.

1. Disconnect the connector B-109 and measure at the harness side.







2. Measure the voltage between terminal No. 102 and ground.
- Voltage should be battery positive voltage.

3. Short-circuit the terminal No. 102 to the ground.
- A/C compressor clutch relay should turn "ON".

Q: Is the voltage and A/C compressor clutch relay condition normal?

YES : Replace the ECM. Then confirm that the malfunction symptom is eliminated.

NO : Refer to Automatic A/C Diagnosis - Diagnostic Trouble Code Chart. Automatic Air Conditioning