Curiosii for ever!: Car repair manuals for everyone.

Diagnostics Item 17




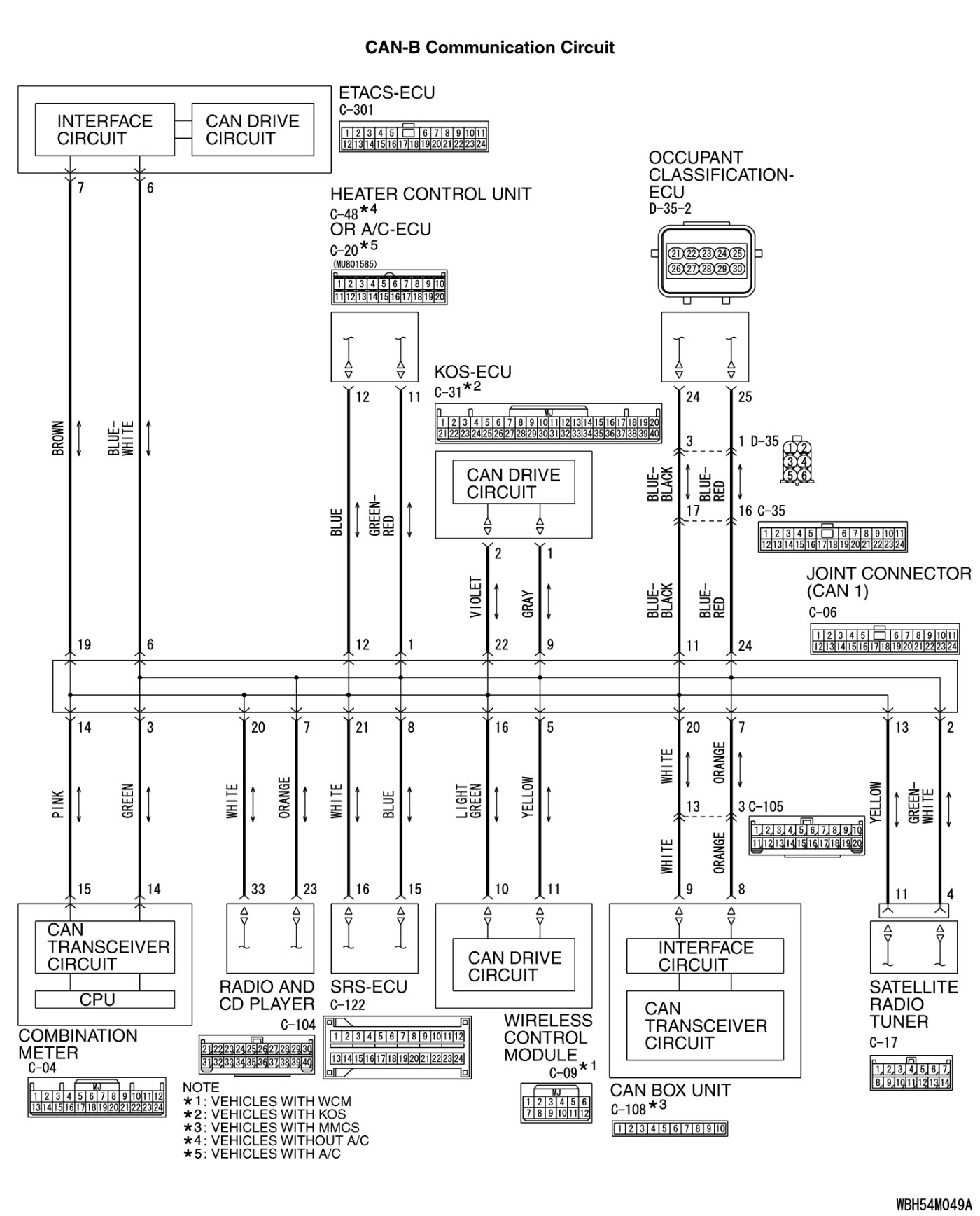
DIAGNOSTIC ITEM 17: Diagnose when the scan tool cannot receive the data sent by KOS-ECU. [vehicles with KOS]

CAUTION:
When servicing a CAN bus line, ground yourself by touching a metal object such as an unpainted water pipe. If you fail to do so, a component connected to the CAN bus line may be damaged.










FUNCTION

If the scan tool MB991958 cannot communicate with the KOS-ECU, this diagnosis result will be set.

TROUBLE JUDGMENT CONDITIONS

If a communication flag is not set for the KOS-ECU, the ETACS-ECU determines that there is a failure.

TROUBLESHOOTING HINTS

- Malfunction of the connector [joint connector (CAN1), KOS-ECU connector improperly connected]
- Malfunction of the wiring harness [open circuit between the KOS-ECU connector and the joint connector (CAN1), power supply circuit to the KOS-ECU]
- Malfunction of the KOS-ECU

DIAGNOSIS

Required Special Tools:

- MB991223: Harness Set
- MB992006: Extra Fine Probe

STEP 1. Check joint connector (CAN1) C-06 and KOS-ECU connector C-31 for loose, corroded or damaged terminals, or terminals pushed back in the connector.

CAUTION:
The strand end of the twisted wire should be within 10 cm (4 inches) from the connector. For details refer to Precautions When CAN Bus Line(s) are Repaired.

Q. Are joint connector (CAN1) C-06 and KOS-ECU connector C-31 in good condition?

YES Go to Step 2.
NO Repair the damaged parts.
STEP 2. Check the wiring harness between joint connector (CAN1) C-06 and KOS-ECU connector C-31 for open circuit.

CAUTION:
Strictly observe the specified wiring harness repair procedure.
For details refer to Precautions When CAN Bus Line(s) are Repaired.

(1)Disconnect joint connector (CAN1) C-06 and KOS-ECU connector C-31, and check the wiring harness.





(2)Check the wiring harness between joint connector (CAN1) C-06 (terminal 9) and KOS-ECU connector C-31 (terminal 1)
OK: Continuity exists (2ohms or less)






(3)Check the wiring harness between joint connector (CAN1) C-06 (terminal 22) and KOS-ECU connector C-31 (terminal 2)
OK: Continuity exists (2ohms or less)

Q. Is the wiring harness between joint connector (CAN1) C-06 and KOS-ECU connector C-31 in good condition?

YES Check the power supply circuit of the KOS-ECU. Symptom Chart.

NO Repair the wiring harness between joint connector (CAN1) C-06 and KOS-ECU connector C-31.