Curiosii for ever!: Car repair manuals for everyone.

Diagnostics Item 14




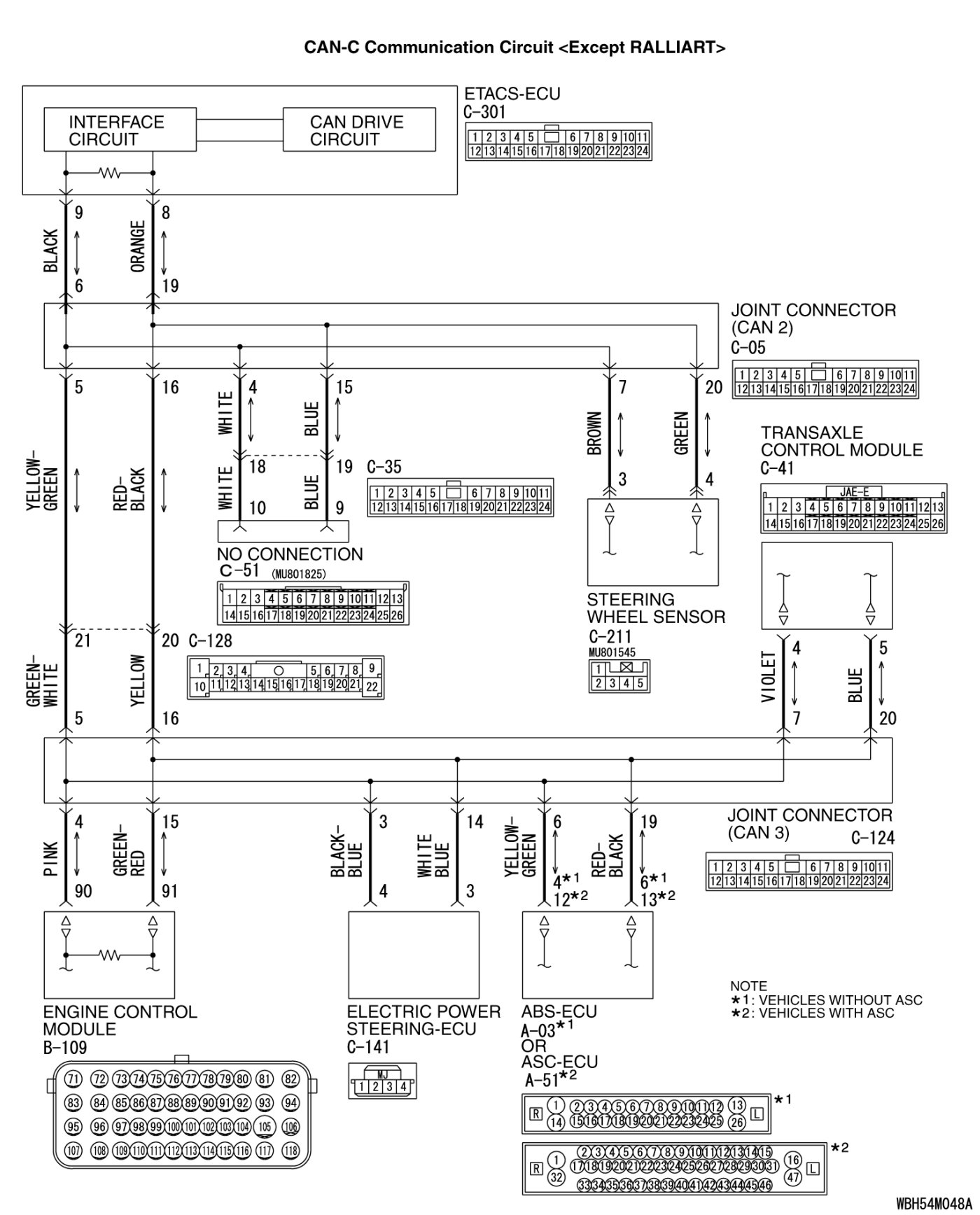
DIAGNOSTIC ITEM 14: Diagnose the lines between the ETACS-ECU and joint connector (CAN2).

CAUTION:
When servicing a CAN bus line, ground yourself by touching a metal object such as an unpainted water pipe. If you fail to do so, a component connected to the CAN bus line may be damaged.


















FUNCTION

If a failure is present in the wiring harness between the ETACS-ECU connector and the joint connector (CAN2), this diagnosis result will be set.

TROUBLE JUDGMENT CONDITIONS

If a communication flag is not set for some of the ECUs on the CAN-C line, the ETACS-ECU determines that there is a failure.

TROUBLESHOOTING HINTS

- Malfunction of the connector [joint connector (CAN2) or ETACS-ECU connector improperly connected]
- Malfunction of the wiring harness [open circuit between the ETACS-ECU connector and the joint connector (CAN2), power supply circuit to the ECM]
- Malfunction of the ETACS-ECU

DIAGNOSIS

Required Special Tools:

- MB991223: Harness Set
- MB992006: Extra Fine Probe

STEP 1. Check joint connector (CAN2) C-05 and ETACS-ECU connector C-301 for loose, corroded or damaged terminals, or terminals pushed back in the connector.

CAUTION:
The strand end of the twisted wire should be within 10 cm (4 inches) from the connector. For details refer to Precautions When CAN Bus Line(s) are Repaired.

Q. Are joint connector (CAN2) C-05 and ETACS-ECU connector C-301 in good condition?

YES Go to Step 2.
NO Repair the damaged parts.
STEP 2. Check the wiring harness between joint connector (CAN2) C-05 and ETACS-ECU connector C-301 for open circuit.

CAUTION:
Strictly observe the specified wiring harness repair procedure.
For details refer to Precautions When CAN Bus Line(s) are Repaired.

(1)Disconnect joint connector (CAN2) C-05 and ETACS-ECU connector C-301, and check the wiring harness.





(2)Check the wiring harness between joint connector (CAN2) C-05 (terminal 6) and ETACS-ECU connector C-301 (terminal 9)
OK: Continuity exists (2ohms or less)






(3)Check the wiring harness between joint connector (CAN2) C-05 (terminal 19) and ETACS-ECU connector C-301 (terminal 8)
OK: Continuity exists (2ohms or less)

Q. Is the wiring harness between joint connector (CAN2) C-104 and ETACS-ECU connector C-301 in good condition?

YES Go to Step 3.

NO Repair the wiring harness between joint connector (CAN2) C-104 and ETACS-ECU connector C-301.

STEP 3. Using scan tool MB991958, diagnose the CAN bus line.





(1)
CAUTION:
To prevent damage to scan tool MB991958, always turn the ignition switch to the "LOCK" (OFF) position before connecting or disconnecting scan tool MB991958.

Connect scan tool MB991958 to the data link connector.
(2)Turn the ignition switch to the "ON" position.









(3)Diagnose CAN bus lines, and check if the scan tool screen is as shown in the illustration.

Q. Does the scan tool screen correspond to the illustration?

YES The trouble can be an intermittent malfunction How to Cope With Intermittent Malfunctions).

NO Replace the ETACS-ECU.