Curiosii for ever!: Car repair manuals for everyone.

Diagnostics Item 12




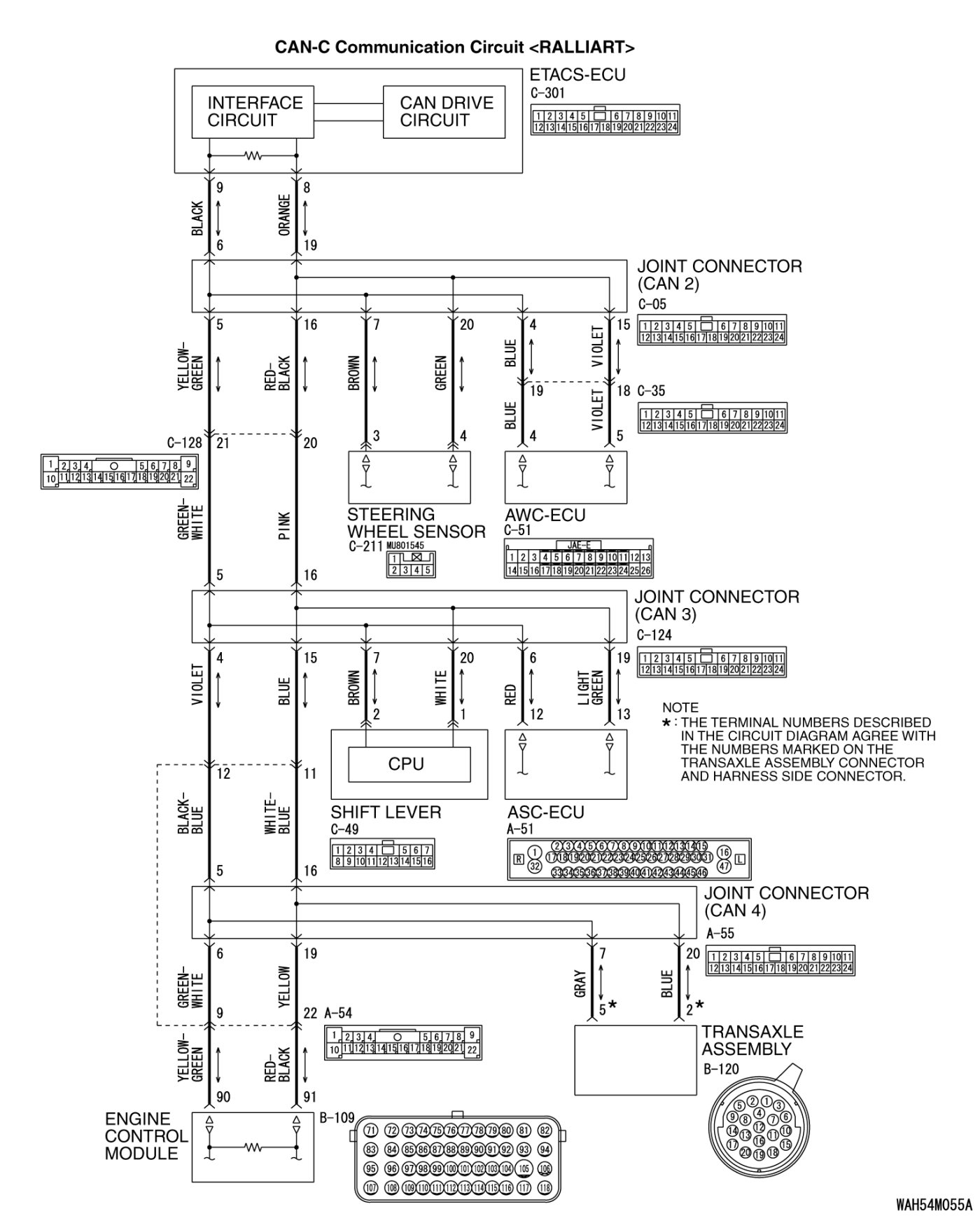
DIAGNOSTIC ITEM 12: Diagnose when the scan tool cannot receive the data sent by transaxle assembly (TC-SST-ECU). [RALLIART]

CAUTION:
When servicing a CAN bus line, ground yourself by touching a metal object such as an unpainted water pipe. If you fail to do so, a component connected to the CAN bus line may be damaged.














FUNCTION

If the scan tool MB991958 cannot communicate with the transaxle assembly (TC-SST-ECU), this diagnosis result will be set.

TROUBLE JUDGMENT CONDITIONS

If a communication flag is not set for the transaxle assembly (TC-SST-ECU), the ETACS-ECU determines that there is a failure.

TROUBLESHOOTING HINTS

- Malfunction of the connector [joint connector (CAN4), transaxle assembly (TC-SST-ECU) connector improperly connected]
- Malfunction of the wiring harness [open circuit between the transaxle assembly (TC-SST-ECU) connector and the joint connector (CAN4), power supply circuit to the transaxle assembly (TC-SST-ECU)]
- Malfunction of the transaxle assembly (TC-SST-ECU)

DIAGNOSIS

Required Special Tools:

- MB991223: Harness Set
- MB992006: Extra Fine Probe

STEP 1. Check joint connector (CAN4) A-55 and transaxle assembly
(TC-SST-ECU) connector B-120 for loose, corroded or damaged terminals, or terminals pushed back in the connector.


CAUTION:
The strand end of the twisted wire should be within 10 cm (4 inches) from the connector. For details refer to Precautions When CAN Bus Line(s) are Repaired.

Q. Are joint connector (CAN4) A-55 and transaxle assembly (TC-SST-ECU) connector B-150 in good condition?

YES Go to Step 2.
NO Repair the damaged parts.
STEP 2. Check the wiring harness between joint connector (CAN4) A-55 and transaxle assembly (TC-SST-ECU) connector B-120 for open circuit.

CAUTION:
Strictly observe the specified wiring harness repair procedure.
For details refer to Precautions When CAN Bus Line(s) are Repaired.

(1)Disconnect joint connector (CAN4) A-55 and transaxle assembly (TC-SST-ECU) B-120, and check the wiring harness.





(2)Check the wiring harness between joint connector (CAN4) A-55 (terminal 7) and transaxle assembly (TC-SST-ECU) connector B-120 (terminal 5)
OK: Continuity exists (2ohms or less)






(3)Check the wiring harness between joint connector (CAN4) A-55 (terminal 20) and transaxle assembly (TC-SST-ECU) connector B-120 (terminal 2)
OK: Continuity exists (2ohms or less)

Q. Is the wiring harness between joint connector (CAN4) A-55 and transaxle assembly (TC-SST-ECU) connector B-120 in good condition?

YES Check the power supply circuit of the transaxle assembly (TC-SST-ECU). [TC-SST].

NO Repair the wiring harness between joint connector (CAN4) A-55 and transaxle assembly
(TC-SST-ECU) connector B-120.