Curiosii for ever!: Car repair manuals for everyone.

Regulated Voltage Test




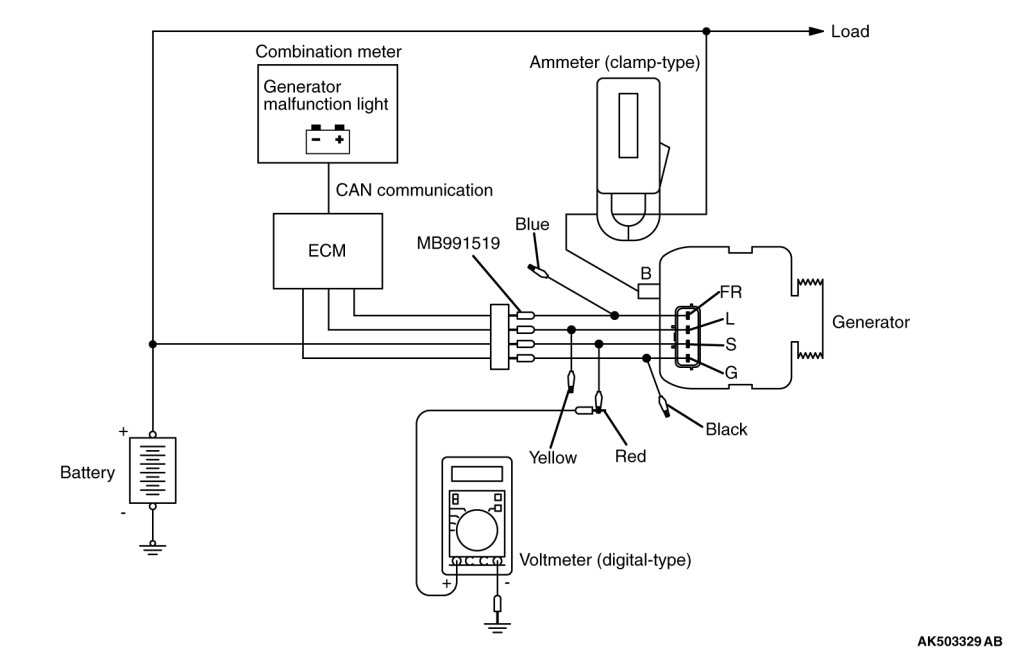
REGULATED VOLTAGE TEST





Required Special Tools:

- MB991958: Scan Tool (M.U.T.-III Sub Assembly)
- MB991824: V.C.I.
- MB991827: M.U.T.-III USB Cable
- MB991910: M.U.T.-III Main Harness A
- MB991519: Generator Harness Connector
This test determines whether the voltage regulator is correctly controlling the generator output voltage.
WARNING:
Battery posts, terminals and related accessories contain lead and lead compounds.
WASH HANDS AFTER HANDLING.

1. Always be sure to check the following before the test:

- Generator installation
- Check to be sure that the battery installed in the vehicle is fully charged. Battery Test .)
- Generator drive belt tension Testing and Inspection.)
- Fusible link
- Abnormal noise from the generator while the engine is running.
2. Turn the ignition switch to the "LOCK" (OFF) position.
3. Disconnect the negative battery cable.
4. Use the special tool (Generator harness connector: MB991519) to connect a digital-type voltmeter between the generator "S" terminal and ground. (Connect the positive lead of the voltmeter to the "S" terminal, and then connect the negative lead of the voltmeter to a secure ground or to the negative battery terminal.)
5. Set a clamp-type DC test ammeter to the generator "B" terminal output wire.
6. Reconnect the negative battery cable.
7. Connect an engine tachometer, or scan tool MB991958.
8. Turn the ignition switch to the "ON" position and check that the reading on the voltmeter is equal to the battery positive voltage.
NOTE:
If the voltage is 0 V, the cause is probably an open circuit in the wire or fusible link between the generator "S" terminal and the battery positive terminal or malfunctioning voltmeter.

9. Check to be sure that all lights and accessories are off.
10. Start the engine.
11. Increase the engine speed to 2,500 r/min.
12. Read the value displayed on the voltmeter when the current output by the generator becomes 15 A or less.
13. If the voltage reading conforms to the value in the voltage regulation table, then the voltage regulator is operating normally.
If the voltage is outside the standard value, there is a malfunction of the voltage regulator or the generator (Refer to the following table).
NOTE:
When the voltage is approximately 12.8 V, the G-terminal is supposed to have a short circuit to the earth. Check the circuits relating to the G-terminal on the generator. [ Symptom Chart]

14. After the test, lower the engine speed to idle.
15. Turn the ignition switch to the "LOCK" (OFF) position.
16. Disconnect the engine tachometer or scan tool MB991958.
17. Disconnect the negative battery cable.
18. Disconnect the ammeter and voltmeter.
19. Remove the special tool (Generator harness connector: MB991519), and return the connector to the original condition.
20. Connect the negative battery cable.

VOLTAGE REGULATION TABLE