Curiosii for ever!: Car repair manuals for everyone.

Inspection Procedure 27




Inspection procedure 27: A/C system






















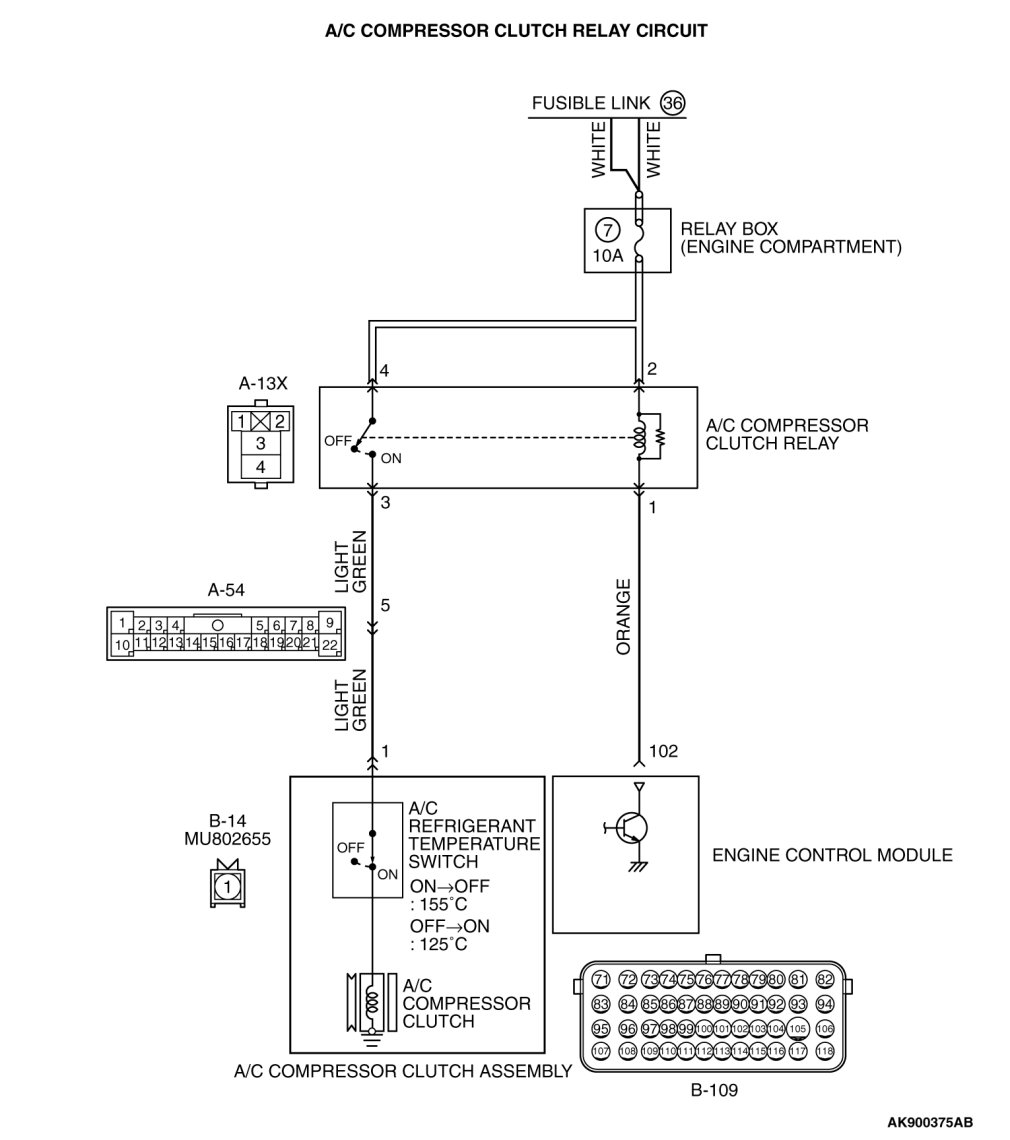
CIRCUIT OPERATION

- When the A/C switch ON signal is input into the ECM, the ECM turns ON the A/C compressor relay. This causes battery positive voltage to be supplied to the A/C compressor and the magnet clutch actuates.

COMMENT

- When the A/C is "ON" the ECM turns "ON" the power transistor in the ECM. The ECM delays A/C engagement momentarily while it increases idle speed. Then the A/C compressor clutch relay coil will be energized.
With this, the A/C compressor clutch relay turns "ON", and the A/C compressor clutch operates.

TROUBLESHOOTING HINTS (The most likely causes for this case: )

- Malfunction of the A/C control system.
- Open or shorted A/C compressor relay circuit, harness damage, or connector damage.
- Malfunction of the ECM.

DIAGNOSIS

STEP 1. Check harness connector B-10 at ECM for damage.

Q. Is the harness connector in good condition?

YES Go to Step 2.
NO Repair or replace it. Harness Connector Inspection.
Then confirm that the malfunction symptom is eliminated.
STEP 2. Check the circuit at ECM connector B-10.

(1)Disconnect the connectors B-10 and measure at the harness side.

(2)Turn the ignition switch to the "ON" position.





(3)Measure the voltage between terminal No. 102 and ground.

- Voltage should be battery positive voltage.
(4)Using a jumper wire, connect terminal No. 102 to ground.

- A/C compressor clutch relay should turn "ON".
(5)Turn the ignition switch to the "LOCK" (OFF) position.

Q. Is the voltage and A/C compressor relay condition normal?

YES Replace the ECM. When the ECM is replaced, register the ID code. ID Code Registration Judgment Table or Diagnosis - ID Codes Registration Judgment Table [Vehicles with WCM] Wireless Control Module (WCM).
Then confirm that the malfunction symptom is eliminated.

NO : Heating and Air Conditioning. Then confirm that the malfunction symptom is eliminated.