Curiosii for ever!: Car repair manuals for everyone.

Air Flow Meter/Sensor: Service and Repair




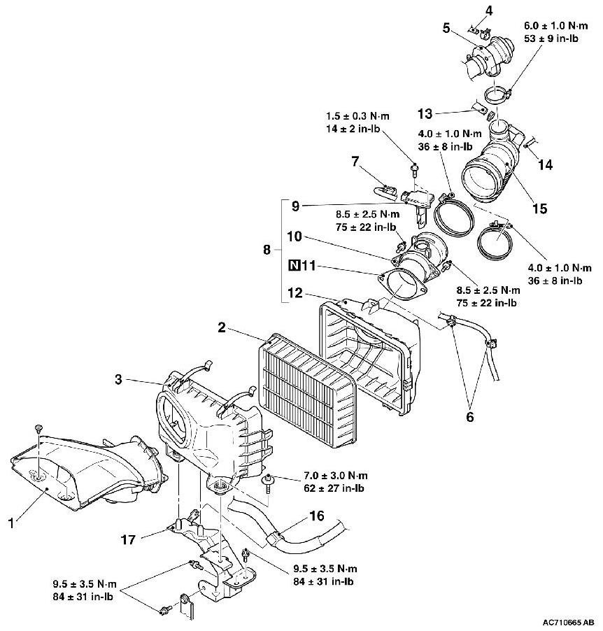
REMOVAL AND INSTALLATION









INSTALLATION SERVICE POINT

]]A[[ MASS AIRFLOW SENSOR INSTALLATION

CAUTION:
Do not over-tighten. If the mass airflow sensor installation screw is over-tightened, the air cleaner support thread may be damaged.