Curiosii for ever!: Car repair manuals for everyone.

Part 1




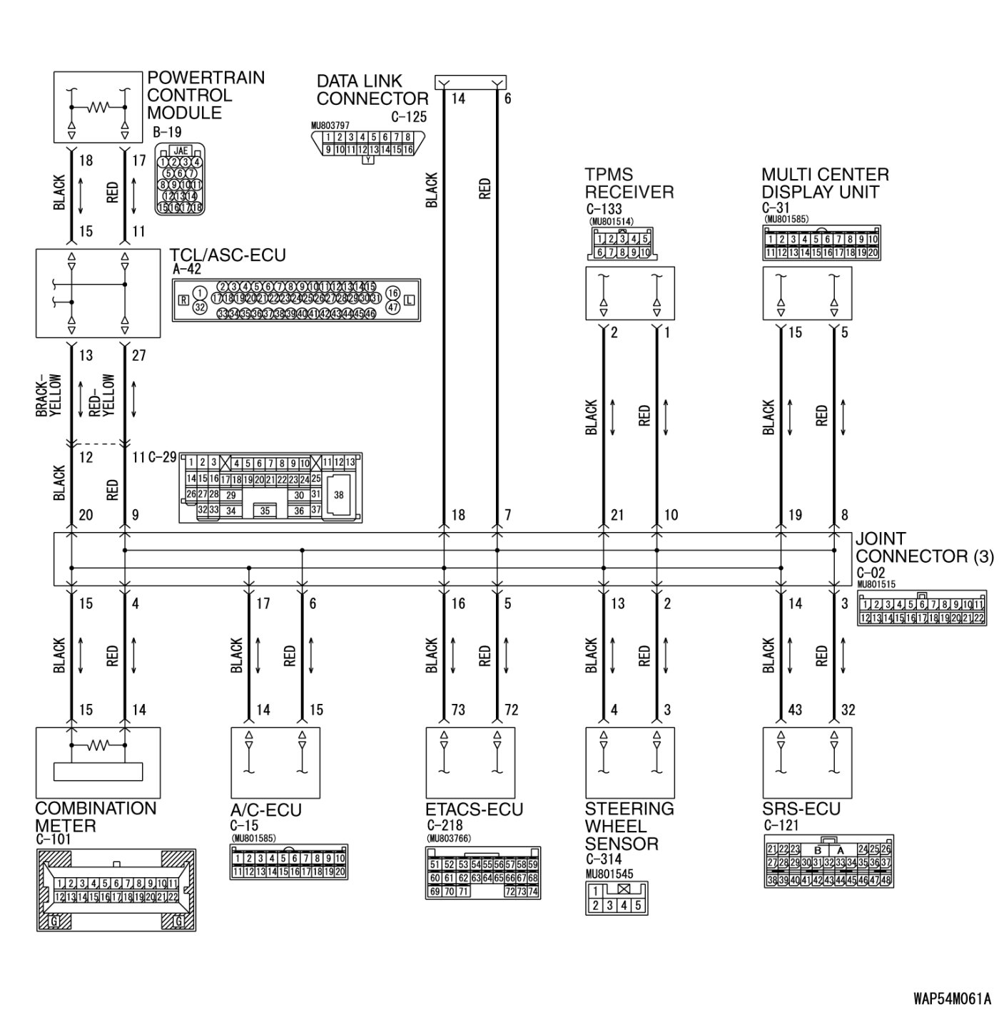
DIAGNOSTIC ITEM 2: Diagnose shorts in the power supply to CAN bus line [Vehicles with multi-center display (Mitsubishi Multi Communication System)]

CAUTION:
When servicing a CAN bus line, ground yourself by touching a metal object such as an unpainted water pipe. If you fail to do so, a component connected to the CAN bus line may be damaged.






























TROUBLE JUDGMENT

A short to the power supply may be present when the voltage between the CAN bus line (CAN_L or CAN_H) and body ground is more than 4.0 V. In this condition, an abnormal voltage may be measured at CAN_L and CAN_H lines.

COMMENTS ON TROUBLE SYMPTOM

The wiring harness wire or connectors may have loose, corroded, or damage terminals, or terminals pushed back in the connector, or a ECU may be defective.

TROUBLESHOOTING HINTS

- The wiring harness or connectors may have loose, corroded, or damaged terminals, or terminals pushed back in the connector
- The ETACS-ECU may be defective
- The combination meter may be defective
- The A/C-ECU may be defective
- The SRS-ECU may be defective
- The TPMS receiver may be defective
- The steering wheel sensor may be defective
- The multi-center display unit (Mitsubishi Multi Communication System) may be defective
- The TCL/ASC-ECU may be defective
- The powertrain control module may be defective

DIAGNOSIS

Required Special Tools:

- MB991223: Harness Set
- MB991970: ABS Check Harness
- MB991923: Power Plant ECU Check Harness

STEP 1. Check powertrain control module connector B-19, combination meter connector C-101 and data link connector C-125 for loose, corroded or damaged terminals, or terminals pushed back in the connector.









CAUTION:
The strand end of the twisted wire should be within 10 cm (4 inches) from the connector.
For details refer to Precautions When CAN Bus Line(s) Are Repaired.

Q. Are powertrain control module connector B-19, combination meter connector C-101 and data link connector C-125 in good condition?

YES Go to Step 2.

NO Repair the damaged parts.

STEP 2. Check the CAN_H-side bus line (communication line including ECUs) for a short to the power supply. Measure the voltage at data link connector C-125.

CAUTION:
A digital multimeter should be used. For details refer to Precautions When CAN Bus Line(s) Are Repaired.

CAUTION:
The test wiring harness should be used. For details refer to Precautions When CAN Bus Line(s) Are Repaired.









(1)Disconnect powertrain control module connector B-19 and combination meter connector C-101, and measure the voltage at the harness side of data link connector C-125.
(2)Turn the ignition switch to the "ON" position.





(3)Measure the voltage between data link connector terminal 6 and body ground.
OK: 4.0 V or less

Q. Does the voltage measure 4.0 V or less?

YES If the voltage measures 4.0 V or less, go to Step 3.

NO If the voltage measures more than 4.0 V, go to Step 4.

STEP 3. Check the CAN_L-side bus line (communication line including ECUs) for a short to the power supply. Measure the voltage at data link connector C-125.

CAUTION:
A digital multimeter should be used. For details refer to Precautions When CAN Bus Line(s) Are Repaired.

CAUTION:
The test wiring harness should be used. For details refer to Precautions When CAN Bus Line(s) Are Repaired.









(1)Disconnect powertrain control module connector B-19 and combination meter connector C-101, and measure the voltage at the harness side of data link connector C-125.
(2)Turn the ignition switch to the "ON" position.





(3)Measure the voltage between data link connector terminal 14 and body ground.
OK: 4.0 V or less

Q. Does the voltage measure 4.0 V or less?

YES If the voltage measures 4.0 V or less, diagnose CAN bus lines thoroughly by referring to Diagnostics Item 16.

NO If the voltage measures more than 4.0 V, go to Step 33.

STEP 4. Check intermediate connector C-29 for loose, corroded or damaged terminals, or terminals pushed back in the connector.





CAUTION:
The strand end of the twisted wire should be within 10 cm (4 inches) from the connector.
For details refer to Precautions When CAN Bus Line(s) Are Repaired.

Q. Is intermediate connector C-29 in good condition?

YES Go to Step 5.

NO Repair the damaged parts.

STEP 5. Check the CAN_H-side bus line (communication line including ECUs) of the front wiring harness for a short to the power supply. Measure the voltage at intermediate connector C-29.

CAUTION:
A digital multimeter should be used. For details refer to Precautions When CAN Bus Line(s) Are Repaired.

CAUTION:
The test wiring harness should be used. For details refer to Precautions When CAN Bus Line(s) Are Repaired.





(1)Disconnect intermediate connector C-29, and measure the voltage at the male side (at front wiring harness side).
(2)Turn the ignition switch to the "ON" position.





(3)Measure the voltage between intermediate connector terminal 11 and body ground.
OK: 4.0 V or less

Q. Does the voltage measure 4.0 V or less?

YES If the voltage measures 4.0 V or less, go to Step 6.

NO If the voltage measures more than 4.0 V, go to Step 29.

STEP 6. Check joint connector (3) C-02 for loose, corroded or damaged terminals, or terminals pushed back in the connector.





CAUTION:
The strand end of the twisted wire should be within 10 cm (4 inches) from the connector.
For details refer to Precautions When CAN Bus Line(s) Are Repaired.





Check the joint connector at the wiring harness side for loose, corroded or damaged terminals, or terminals pushed back in the connector, and also check the short pin behind the connector for corrosion, deformation and delamination.

Q. Is joint connector (3) C-02 in good condition?

YES Go to Step 7.

NO Repair the damaged parts. Replace the joint connector as necessary.

STEP 7. Check the CAN_H line (communication line including the combination meter) between joint connector (3) and the combination meter for a short to the power supply. Measure the voltage at joint connector (3) C-02.

CAUTION:
A digital multimeter should be used. For details refer to Precautions When CAN Bus Line(s) Are Repaired.

CAUTION:
The test wiring harness should be used. For details refer to Precautions When CAN Bus Line(s) Are Repaired.





(1)Disconnect joint connector (3) C-02, and measure the voltage at the wiring harness side of joint connector (3) C-02.
(2)Turn the ignition switch to the "ON" position.





(3)Measure the voltage between joint connector (3) terminal 4 and body ground.
OK: 4.0 V or less

Q. Does the voltage measure 4.0 V or less?

YES If the voltage measures 4.0 V or less, go to Step 9.

NO If the voltage measures more than 4.0 V, go to Step 8.

STEP 8. Check the CAN_H line (communication line only) between joint connector (3) and the combination meter connector for a short to the power supply. Measure the voltage at joint connector (3) C-02.

CAUTION:
A digital multimeter should be used. For details refer to Precautions When CAN Bus Line(s) Are Repaired.

CAUTION:
The test wiring harness should be used. For details refer to Precautions When CAN Bus Line(s) Are Repaired.





(1)Disconnect joint connector (3) C-02 and combination meter connector C-101, and measure the voltage at the wiring harness side of joint connector (3) C-02.
(2)Turn the ignition switch to the "ON" position.





(3)Measure the voltage between joint connector (3) terminal 4 and body ground.
OK: 1.0 V or less

CAUTION:
Strictly observe the specified wiring harness repair procedure.
For details refer to Precautions on How to Repair the CAN Bus Line(s).

Q. Does the voltage measure 1.0 V or less?

YES If the voltage measures 1.0 V or less, diagnose CAN bus lines thoroughly by referring to Diagnostics Item 16.

NO If the voltage measures more than 1.0 V, repair the wiring harness between joint connector (3) and the combination meter connector.

STEP 9. Check the CAN_H line (communication line including the ETACS-ECU) between joint connector (3) and the ETACS-ECU connector for a short to the power supply. Measure the voltage at joint connector (3) C-02.

CAUTION:
A digital multimeter should be used. For details refer to Precautions When CAN Bus Line(s) Are Repaired.

CAUTION:
The test wiring harness should be used. For details refer to Precautions When CAN Bus Line(s) Are Repaired.





(1)Disconnect joint connector (3) C-02, and measure the voltage at the wiring harness side of joint connector (3) C-02.
(2)Turn the ignition switch to the "ON" position.





(3)Measure the voltage between joint connector (3) terminal 5 and body ground.
OK: 4.0 V or less

Q. Does the voltage measure 4.0 V or less?

YES If the voltage measures 4.0 V or less, go to Step 12.

NO If the voltage measures more than 4.0 V, go to Step 10.

STEP 10. Check ETACS-ECU connector C-218 for loose, corroded or damaged terminals, or terminals pushed back in the connector.





CAUTION:
The strand end of the twisted wire should be within 10 cm (4 inches) from the connector.
For details refer to Precautions When CAN Bus Line(s) Are Repaired.

Q. Is ETACS-ECU connector C-218 in good condition?

YES Go to Step 11.

NO Repair the damaged parts.

STEP 11. Check the CAN_H line (communication line only) between joint connector (3) and ETACS-ECU connector for a short to the power supply. Measure the voltage at joint connector (3) C-02.

CAUTION:
A digital multimeter should be used. For details refer to Precautions When CAN Bus Line(s) Are Repaired.

CAUTION:
The test wiring harness should be used. For details refer to Precautions When CAN Bus Line(s) Are Repaired.









(1)Disconnect joint connector (3) C-02 and ETACS-ECU connector C-218, and measure the voltage at the wiring harness side of joint connector (3) C-02.
(2)Turn the ignition switch to the "ON" position.





(3)Measure the voltage between joint connector (3) terminal 5 and body ground.
OK: 1.0 V or less

CAUTION:
Strictly observe the specified wiring harness repair procedure.
For details refer to Precautions on How to Repair the CAN Bus Line(s).

Q. Does the voltage measure 1.0 V or less?

YES If the voltage measures 1.0 V or less, diagnose CAN bus lines thoroughly by referring to Diagnostics Item 16.

NO If the voltage measures more than 1.0 V, repair the wiring harness between joint connector (3) and the ETACS-ECU connector.

STEP 12. Check the CAN_H line (communication line including the A/C-ECU) between joint connector (3) and the A/C-ECU connector for a short to the power supply. Measure the voltage at joint connector (3) C-02.

CAUTION:
A digital multimeter should be used. For details refer to Precautions When CAN Bus Line(s) Are Repaired.

CAUTION:
The test wiring harness should be used. For details refer to Precautions When CAN Bus Line(s) Are Repaired.





(1)Disconnect joint connector (3) C-02, and measure the voltage at the wiring harness side of joint connector (3) C-02.
(2)Turn the ignition switch to the "ON" position.





(3)Measure the voltage between joint connector (3) terminal 6 and body ground.
OK: 4.0 V or less

Q. Does the voltage measure 4.0 V or less?

YES If the voltage measures 4.0 V or less, go to Step 15.

NO If the voltage measures more than 4.0 V, go to Step 13.

STEP 13. Check A/C-ECU connector C-15 for loose, corroded or damaged terminals, or terminals pushed back in the connector.





CAUTION:
The strand end of the twisted wire should be within 10 cm (4 inches) from the connector.
For details refer to Precautions When CAN Bus Line(s) Are Repaired.

Q. Is A/C-ECU connector C-15 in good condition?

YES Go to Step 14.

NO Repair the damaged parts.

STEP 14. Check the CAN_H line (communication line only) between joint connector (3) and A/C-ECU connector for a short to the power supply. Measure the voltage at joint connector (3) C-02.

CAUTION:
A digital multimeter should be used. For details refer to Precautions When CAN Bus Line(s) Are Repaired.

CAUTION:
The test wiring harness should be used. For details refer to Precautions When CAN Bus Line(s) Are Repaired.









(1)Disconnect joint connector (3) C-02 and A/C-ECU connector C-15, and measure the voltage at the wiring harness side of joint connector (3) C-02.
(2)Turn the ignition switch to the "ON" position.





(3)Measure the voltage between joint connector (3) terminal 6 and body ground.
OK: 1.0 V or less

CAUTION:
Strictly observe the specified wiring harness repair procedure.
For details refer to Precautions on How to Repair the CAN Bus Line(s).

Q. Does the voltage measure 1.0 V or less?

YES If the voltage measures 1.0 V or less, diagnose CAN bus lines thoroughly by referring to Diagnostics Item 16.

NO If the voltage measures more than 1.0 V, repair the wiring harness between joint connector (3) and the A/C-ECU connector.

STEP 15. Check the CAN_H line (communication line including the SRS-ECU) between joint connector (3) and the SRS-ECU connector for short to the power supply.
Measure the voltage at joint connector (3) C-02.


CAUTION:
A digital multimeter should be used. For details refer to Precautions When CAN Bus Line(s) Are Repaired.

CAUTION:
The test wiring harness should be used. For details refer to Precautions When CAN Bus Line(s) Are Repaired.





(1)Disconnect joint connector (3) C-02, and measure the voltage at the wiring harness side of joint connector (3) C-02.
(2)Turn the ignition switch to the "ON" position.





(3)Measure the voltage between joint connector (3) terminal 3 and body ground.
OK: 4.0 V or less

Q. Does the voltage measure 4.0 V or less?

YES If the voltage measures 4.0 V or less, go to Step 18.

NO If the voltage measures more than 4.0 V, go to Step 16.

STEP 16. Check SRS-ECU connector C-121 for loose, corroded or damaged terminals, or terminals pushed back in the connector.