Curiosii for ever!: Car repair manuals for everyone.

Emission Control Systems: Service and Repair

VACUUM HOSES


Vacuum Hose Routing:




Vacuum Hose Routing:






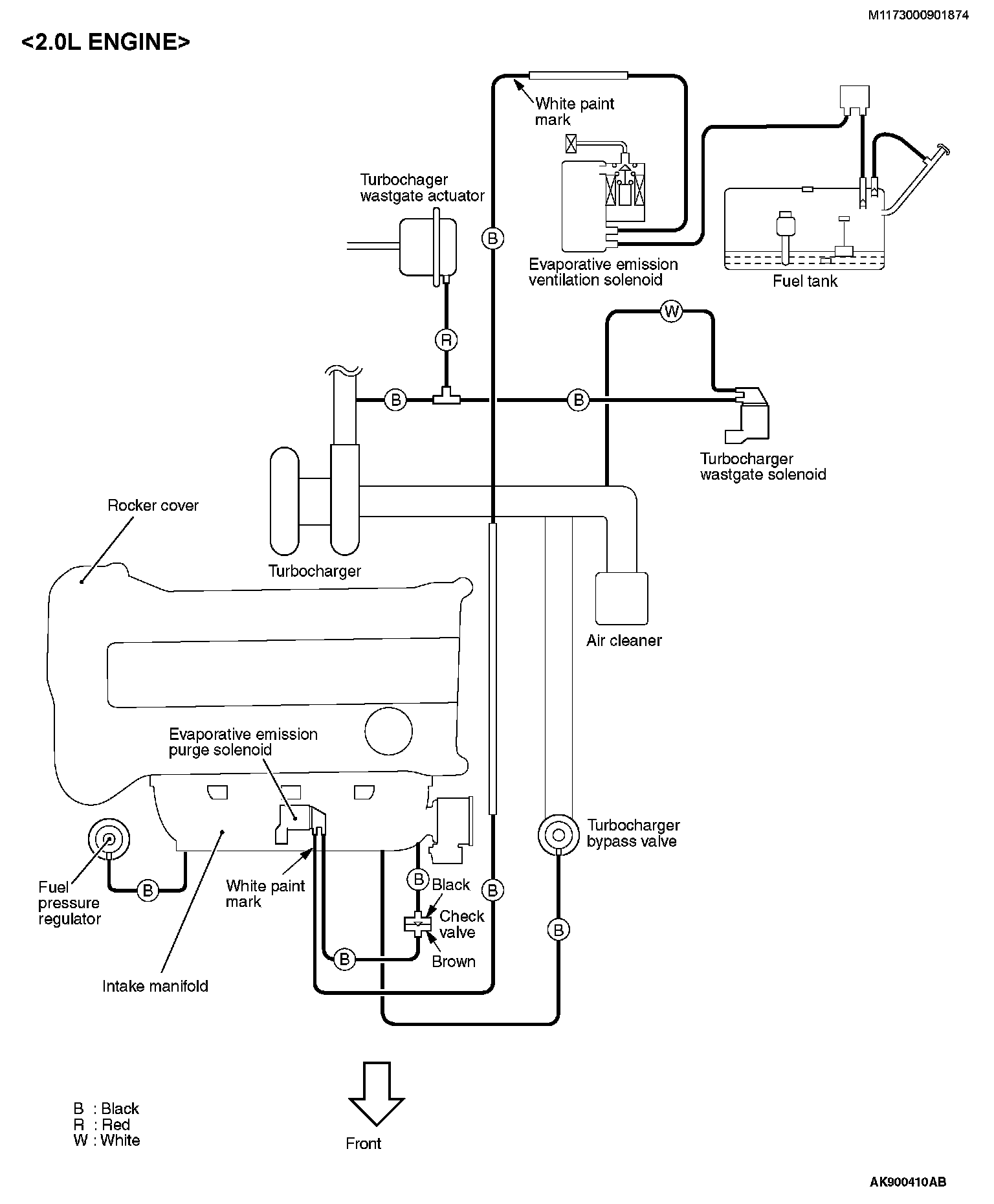
VACUUM CIRCUIT DIAGRAM


Vacuum Circuit Diagram:




Vacuum Circuit Diagram:






VACUUM HOSE INSTALLATION

1. When connecting the vacuum hoses, they should be securely inserted onto the nipples.
2. Connect the hoses correctly, using the VACUUM HOSE ROUTING diagram as a guide.

VACUUM HOSE CHECK

1. Using the VACUUM HOSE ROUTING diagram as a guide, check that the vacuum hoses are correctly connected
2. Check the connection condition of the vacuum hoses which can be removed, loosened, clogged possibly. And then check whether there are no folded and damaged vacuum hoses.