Curiosii for ever!: Car repair manuals for everyone.

Diagnostic Item 8

DIAGNOSTIC ITEM 8: Diagnose when the scan tool cannot receive the data sent by ASC-ECU.

CAUTION: When servicing a CAN bus line, ground yourself by touching a metal object such as an unpainted water pipe. If you fail to do so, a component connected to the CAN bus line may be damaged.


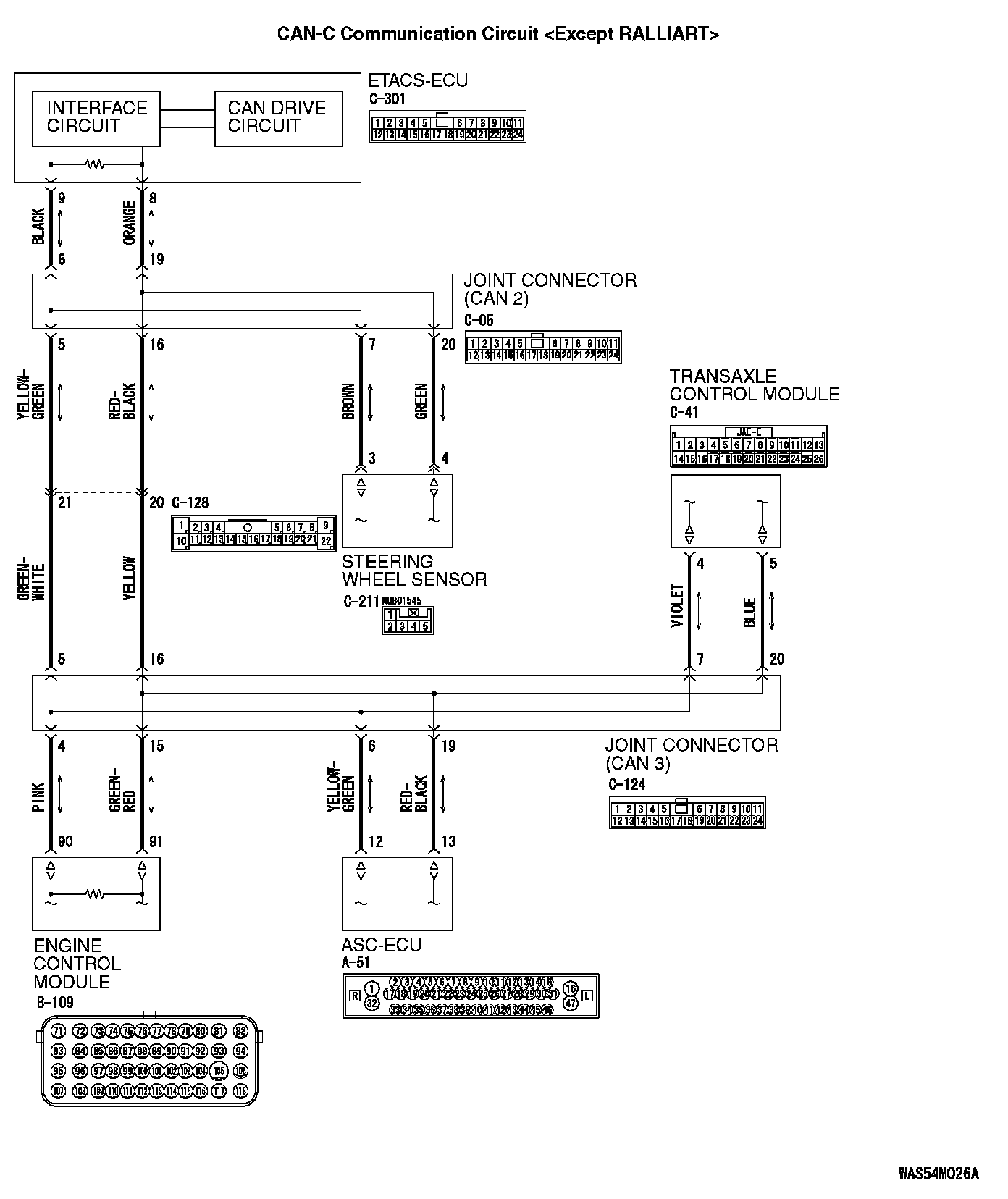
CAN-C Communication Circuit [Except RALLIART]:




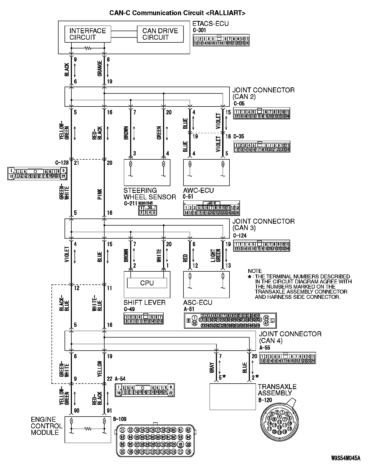
CAN-C Communication Circuit [RALLIART] (Part 1):




CAN-C Communication Circuit [RALLIART] (Part 3):






FUNCTION

If the scan tool MB991958 cannot communicate with the ASC-ECU, this diagnosis result will be set.

TROUBLE JUDGEMENT CONDITIONS

If a communication flag is not set for the ASC-ECU, the ETACS-ECU determines that there is a failure.

TROUBLESHOOTING HINTS

- Malfunction of the connector [joint connector (CAN3) or ASC-ECU connector improperly connected]
- Malfunction of the wiring harness [open circuit between the ASC-ECU connector and the joint connector (CAN3), power supply circuit to the ASC-ECU]
- Malfunction of the ASC-ECU

DIAGNOSIS

Required Special Tools:
- MB991223: Harness Set
- MB992006: Extra Fine Probe

STEP 1. Check joint connector (CAN3) C-124 and ASC-ECU connector A-51 for loose, corroded or damaged terminals, or terminals pushed back in the connector.

CAUTION: The strand end of the twisted wire should be within 10 cm (4 inches) from the connector.

Q: Are joint connector (CAN3) C-124 and ASC-ECU connector A-51 in good condition?

YES : Go to Step 2.

NO : Repair the damaged parts.

STEP 2. Check the wiring harness between joint connector (CAN3) C-124 and ASC-ECU connector A-51 for open circuit.

CAUTION: Strictly observe the specified wiring harness repair procedure.

1. Disconnect joint connector (CAN3) C-124 and ASC-ECU connector A-51, and check the wiring harness.







2. Check the wiring harness between joint connector (CAN3) C-124 (terminal 6) and ASC-ECU connector A-51 (terminal 12)

OK: Continuity exists (2 ohm or less)







3. Check the wiring harness between joint connector (CAN3) C-124 (terminal 19) and ASC-ECU connector A-51 (terminal 13)

OK: Continuity exists (2 ohm or less)

Q: Is the wiring harness between joint connector (CAN3) C-127 and ASC-ECU connector A-05 in good condition?

YES : Check the power supply circuit of the ASC-ECU. Refer to, Troubleshooting. Inspection Procedure 12: ASC-ECU Power Supply Circuit System

NO : Repair the wiring harness between joint connector (CAN3) C-124 and ASC-ECU connector A-51.