Curiosii for ever!: Car repair manuals for everyone.

Diagnostic Item 5

DIAGNOSTIC ITEM 5: Diagnose shorts in the power supply to CAN-C bus line.


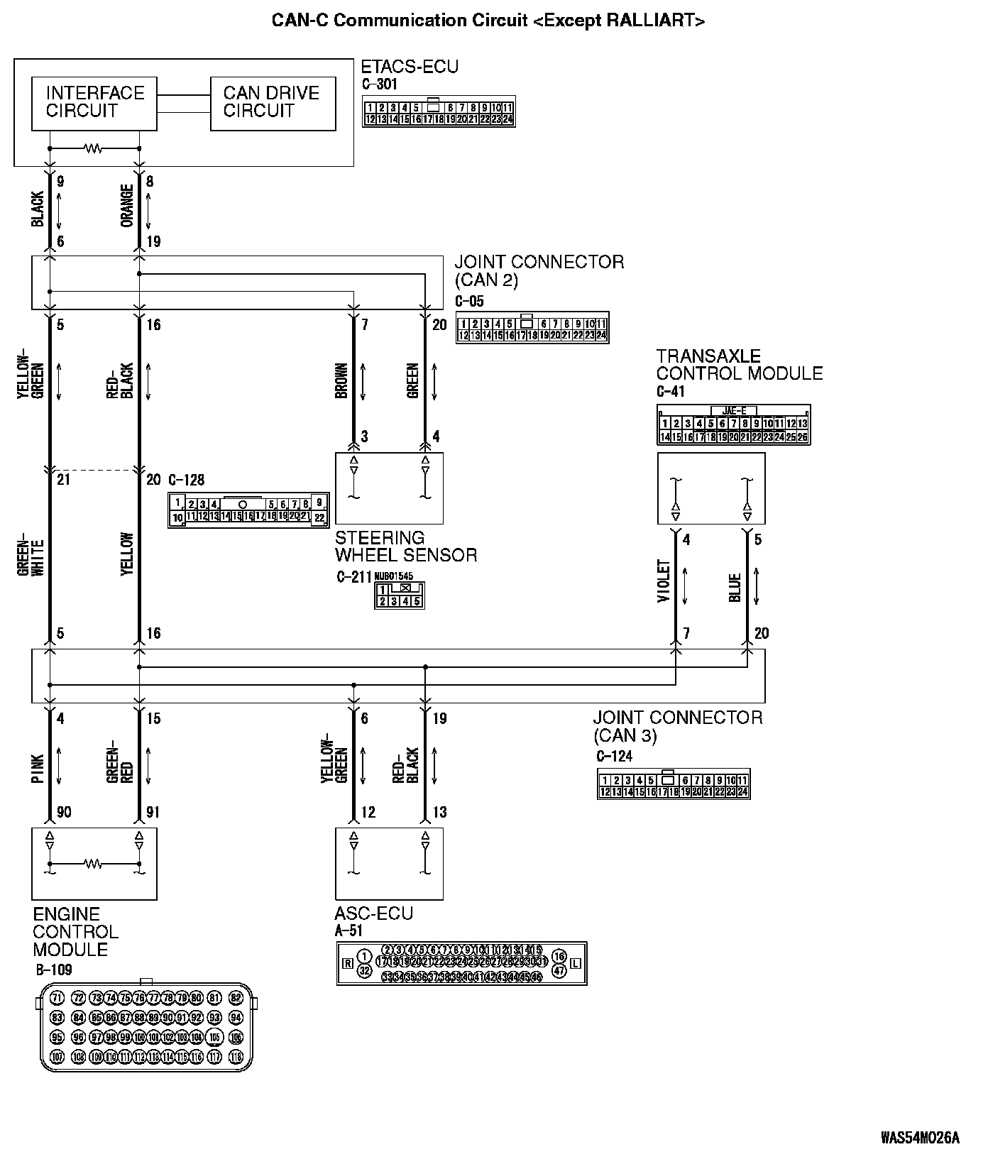
CAN-C Communication Circuit [Except RALLIART]:




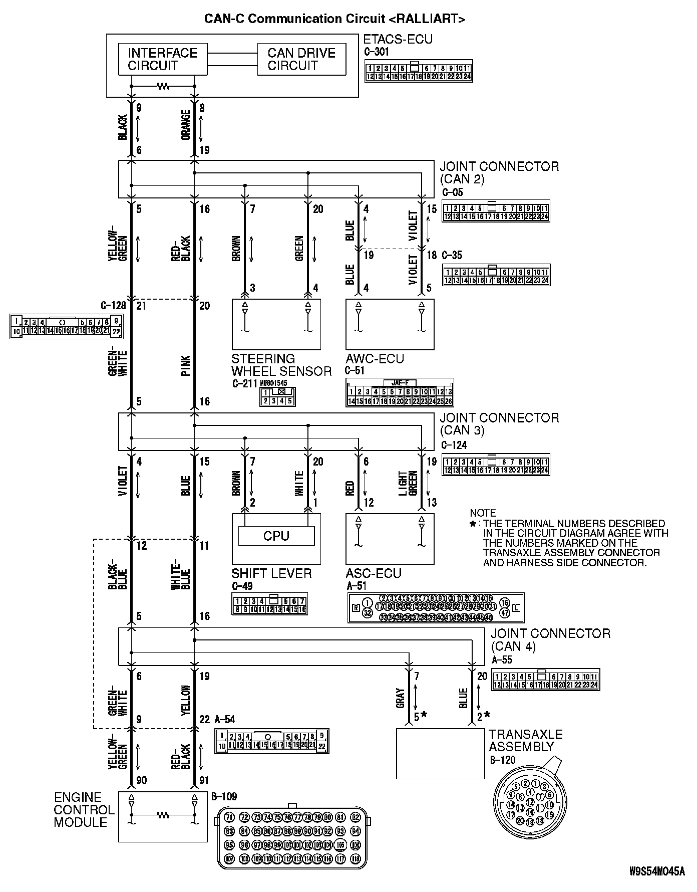
CAN-C Communication Circuit [RALLIART] (Part 1):




CAN-C Communication Circuit [RALLIART] (Part 2):






FUNCTION

If a short to power supply is present in the CAN-C lines, this diagnosis result will be set.

TROUBLE JUDGEMENT CONDITIONS

The wiring harness wire or connectors may have loose, corroded, or damage terminals, or terminals pushed back in the connector, or an ECU may be defective.

TROUBLESHOOTING HINTS

- Malfunction of the connector (short to power supply in connector)
- Malfunction of the wiring harness (short to power supply in the CAN-C main or sub bus lines)
- Malfunction of the ECU (ETACS-ECU, or ECUs on CAN-C lines failed)

DIAGNOSIS

Required Special Tools:
- MB991223: Harness Set
- MB992006: Extra Fine Probe
- MB991958: Scan Tool (M.U.T.-III Sub Assembly)
- MB991824: Vehicle Communication Interface (V.C.I.)
- MB991827: M.U.T.-III USB Cable
- MB991910: M.U.T.-III Main Harness A
- MB991997: ASC Check Harness
- MB992110: Power Plant ECU Check Harness

STEP 1. Check the wiring harness between joint connector (CAN2) C-05 and steering wheel sensor connector C-211 for a short to power supply. Measure the voltage at joint connector (CAN2) C-05.

1. Disconnect joint connector (CAN2), and measure the voltage at the wiring harness side of joint connector (CAN2).
2. Turn the ignition switch to the ON position.







3. Measure the voltage between joint connector (CAN2) terminal 7 and body ground.

OK: 4.7 volts or less







4. Measure the voltage between joint connector (CAN2) terminal 20 and body ground.

OK: 4.7 volts or less

Q: Do all the voltages measure 4.7 volts or less?

YES [Except RALLIART] : Go to Step 3.

YES [RALLIART] : Go to Step 2.

NO : Go to Step 11.

STEP 2. Check the wiring harness between joint connector (CAN2) C-05 and AWC-ECU connector C-51 for a short to power supply. Measure the voltage at joint connector (CAN2) C-05.

1. Disconnect joint connector (CAN2), and measure the voltage at the wiring harness side of joint connector (CAN2).
2. Turn the ignition switch to the ON position.







3. Measure the voltage between joint connector (CAN2) terminal 4 and body ground.

OK: 4.7 volts or less







4. Measure the voltage between joint connector (CAN2) terminal 15 and body ground.

OK: 4.7 volts or less

Q: Do all the voltages measure 4.7 volts or less?

YES : Go to Step 3.

NO : Go to Step 12.

STEP 3. Check the wiring harness between joint connector (CAN2) C-05 and ETACS-ECU connector C-301 for a short to power supply. Measure the voltage at joint connector (CAN2) C-05.

1. Disconnect joint connector (CAN2), and measure the voltage at the wiring harness side of joint connector (CAN2).
2. Turn the ignition switch to the ON position.







3. Measure the voltage between joint connector (CAN2) terminal 6 and body ground.

OK: 4.7 volts or less







4. Measure the voltage between joint connector (CAN2) terminal 19 and body ground.

OK: 4.7 volts or less

Q: Do all the voltages measure 4.7 volts or less?

YES : Go to Step 4.

NO : Go to Step 13.

STEP 4. Check the wiring harness between joint connector (CAN3) C-124 and ASC-ECU connector A-51 for a short to power supply. Measure the voltage at joint connector (CAN3) C-124.

1. Disconnect joint connector (CAN3), and measure the voltage at the wiring harness side of joint connector (CAN3).
2. Turn the ignition switch to the ON position.







3. Measure the voltage between joint connector (CAN3) terminal 6 and body ground.

OK: 4.7 volts or less







4. Measure the voltage between joint connector (CAN3) terminal 19 and body ground.

OK: 4.7 volts or less

Q: Do all the voltages measure 4.7 volts or less?

YES [Except RALLIART] : Go to Step 5.

YES [RALLIART] : Go to Step 7.

NO : Go to Step 14.

STEP 5. Check the wiring harness between joint connector (CAN3) C-124 and TCM connector C-41 for a short to power supply. Measure the voltage at joint connector (CAN3) C-124.

1. Disconnect joint connector (CAN3), and measure the voltage at the wiring harness side of joint connector (CAN3).
2. Turn the ignition switch to the ON position.







3. Measure the voltage between joint connector (CAN3) terminal 7 and body ground.

OK: 4.7 volts or less







4. Measure the voltage between joint connector (CAN3) terminal 20 and body ground.

OK: 4.7 volts or less

Q: Do all the voltages measure 4.7 volts or less?

YES : Go to Step 6.

NO : Go to Step 15.

STEP 6. Check the wiring harness between joint connector (CAN3) C-124 and ECM connector B-109 [Except RALLIART] for a short to power supply. Measure the voltage at joint connector (CAN3) C-124.

1. Disconnect joint connector (CAN3), and measure the voltage at the wiring harness side of joint connector (CAN3).
2. Turn the ignition switch to the ON position.







3. Measure the voltage between joint connector (CAN3) terminal 4 and body ground.

OK: 4.7 volts or less







4. Measure the voltage between joint connector (CAN3) terminal 15 and body ground.

OK: 4.7 volts or less

Q: Do all the voltages measure 4.7 volts or less?

YES : Check intermediate connector C-128, and repair if necessary. If the intermediate connector is in good condition, repair the wiring harness between joint connector (CAN2) C-05 and joint connector (CAN3) C-124.

NO : Go to Step 16.

STEP 7. Check the wiring harness between joint connector (CAN3) C-124 and shift lever connector C-49 for a short to power supply. Measure the voltage at joint connector (CAN3) C-124.

1. Disconnect joint connector (CAN3), and measure the voltage at the wiring harness side of joint connector (CAN3).
2. Turn the ignition switch to the ON position.







3. Measure the voltage between joint connector (CAN3) terminal 7 and body ground.

OK: 4.7 volts or less







4. Measure the voltage between joint connector (CAN3) terminal 20 and body ground.

OK: 4.7 volts or less

Q: Do all the voltages measure 4.7 volts or less?

YES : Go to Step 8.

NO : Go to Step 17.

STEP 8. Check the wiring harness between joint connector (CAN4) A-55 and ECM connector B-109 (RALLIART) for a short to power supply. Measure the voltage at joint connector (CAN4) A-55.

1. Disconnect joint connector (CAN4), and measure the voltage at the wiring harness side of joint connector (CAN4).
2. Turn the ignition switch to the ON position.







3. Measure the voltage between joint connector (CAN4) terminal 6 and body ground.

OK: 4.7 volts or less







4. Measure the voltage between joint connector (CAN4) terminal 19 and body ground.

OK: 4.7 volts or less

Q: Do all the voltages measure 4.7 volts or less?

YES : Go to Step 9.

NO : Go to Step 16.

STEP 9. Check the wiring harness between joint connector (CAN4) A-55 and transaxle assembly (TC-SST-ECU) connector B-120 for a short to power supply. Measure the voltage at joint connector (CAN4) A-55.

1. Disconnect joint connector (CAN4), and measure the voltage at the wiring harness side of joint connector (CAN4).
2. Turn the ignition switch to the ON position.







3. Measure the voltage between joint connector (CAN4) terminal 7 and body ground.

OK: 4.7 volts or less







4. Measure the voltage between joint connector (CAN4) terminal 20 and body ground.

OK: 4.7 volts or less

Q: Do all the voltages measure 4.7 volts or less?

YES : Go to Step 10.

NO : Go to Step 18.

STEP 10. Check the wiring harness between joint connector (CAN3) C-124 and joint connector (CAN2) C-05 for a short to ground. Measure the resistance at joint connector (CAN3) C-124.

CAUTION:
- Disconnect the negative battery terminal.
- A digital multimeter should be used.
- The test wiring harness should be used.


1. Disconnect joint connector (CAN3), and measure the resistance at the wiring harness side of joint connector (CAN3).
2. Turn the ignition switch to the ON position.







3. Measure the voltage between joint connector (CAN3) terminal 5 and body ground.

OK: 4.7 volts or less







4. Measure the voltage between joint connector (CAN3) terminal 16 and body ground.

OK: 4.7 volts or less

Q: Do all the voltages measure 4.7 volts or less?

YES : Check intermediate connector A-54, and repair if necessary. If the intermediate connector is in good condition, repair the wiring harness between joint connector (CAN3) C-124 and joint connector (CAN4) A-55.

NO : Check intermediate connector C-128, and repair if necessary. If the intermediate connector is in good condition, repair the wiring harness between joint connector (CAN3) C-124 and joint connector (CAN2) C-05.

STEP 11. Using scan tool MB991958, diagnose the CAN bus line. (checking the steering wheel sensor for internal short to ground)

CAUTION:
- Strictly observe the specified wiring harness repair procedure.
- To prevent damage to scan tool MB991958, always turn the ignition switch to the "LOCK" (OFF) position before connecting or disconnecting scan tool MB991958.


1. Disconnect steering wheel sensor connector C-211.







2. Connect scan tool MB991958 to the data link connector.
3. Turn the ignition switch to the "ON" position.










4. Diagnose CAN bus lines, and check if the scan tool MB991958 screen is as shown in the figure.

OK: The display of the scan tool MB991958 is as shown in the figure.

Q: Does scan tool MB991958 screen correspond to the illustration?

YES : Repair the wiring harness between steering wheel sensor connector C-211 and joint connector (CAN2) C-05.

NO : Check steering wheel sensor connector C-211, and repair if necessary. If the steering wheel sensor connector is in good condition, replace the steering wheel sensor.

STEP 12. Using scan tool MB991958, diagnose the CAN bus line. (checking the AWC-ECU for internal short to ground)

CAUTION:
- Strictly observe the specified wiring harness repair procedure.
- To prevent damage to scan tool MB991958, always turn the ignition switch to the "LOCK" (OFF) position before connecting or disconnecting scan tool MB991958.


1. Disconnect AWC-ECU connector C-51.







2. Connect scan tool MB991958 to the data link connector.
3. Turn the ignition switch to the "ON" position.










4. Diagnose CAN bus lines, and check if the scan tool MB991958 screen is as shown in the figure.

OK: The display of the scan tool MB991958 is as shown in the figure.

Q: Does scan tool MB991958 screen correspond to the illustration?

YES : Repair the wiring harness between AWC-ECU connector C-51 and joint connector (CAN2) C-05.

NO : Check AWC-ECU connector C-51, and repair if necessary. If the AWC-ECU connector is in good condition, replace the AWC-ECU.

STEP 13. Check the wiring harness between joint connector (CAN2) C-05 and ETACS-ECU connector C-301 for short to power supply (voltage measurement).

CAUTION:
- A digital multimeter should be used.
- The test wiring harness should be used.
- Strictly observe the specified wiring harness repair procedure.


1. Disconnect ETACS-ECU connector and joint connector (CAN2), and measure at the wiring harness side.
2. Turn the ignition switch to the ON position.







3. Measure the voltage between joint connector (CAN2) terminal 6 and body ground.

OK: 1.0 volt or less







4. Measure the voltage between joint connector (CAN2) terminal 19 and body ground.

OK: 1.0 volt or less

Q: Do all the voltages measure 1.0 volt or less?

YES : Check ETACS-ECU connector C-301, and repair if necessary. If the ETACS-ECU connector is in good condition, replace the ETACS-ECU.

NO : Repair the wiring harness between ETACS-ECU connector C-301 and joint connector (CAN2) C-05.

STEP 14. Using scan tool MB991958, diagnose the CAN bus line. (checking the ASC-ECU for internal short to ground)

CAUTION:
- Strictly observe the specified wiring harness repair procedure.
- To prevent damage to scan tool MB991958, always turn the ignition switch to the "LOCK" (OFF) position before connecting or disconnecting scan tool MB991958.


1. Disconnect ASC-ECU connector A-51.







2. Connect scan tool MB991958 to the data link connector.
3. Turn the ignition switch to the "ON" position.










4. Diagnose CAN bus lines, and check if the scan tool MB991958 screen is as shown in the figure.

OK: The display of the scan tool MB991958 is as shown in the figure.

Q: Does scan tool MB991958 screen correspond to the illustration?

YES : Repair the wiring harness between ASC-ECU connector A-51 and joint connector (CAN3) C-124.

NO : Check ASC-ECU connector A-51, and repair if necessary. If the ASC-ECU connector is in good condition, replace the ASC-ECU.

STEP 15. Using scan tool MB991958, diagnose the CAN bus line. (checking the TCM for internal short to ground)

CAUTION:
- Strictly observe the specified wiring harness repair procedure.
- To prevent damage to scan tool MB991958, always turn the ignition switch to the "LOCK" (OFF) position before connecting or disconnecting scan tool MB991958.


1. Disconnect TCM connector C-41.







2. Connect scan tool MB991958 to the data link connector.
3. Turn the ignition switch to the "ON" position.










4. Diagnose CAN bus lines, and check if the scan tool MB991958 screen is as shown in the figure.

OK: The display of the scan tool MB991958 is as shown in the figure.

Q: Does scan tool MB991958 screen correspond to the illustration?

YES : Repair the wiring harness between TCM connector C-41 and joint connector (CAN3) C-124.

NO : Check TCM connector C-41, and repair if necessary. If the TCM connector is in good condition, replace the TCM.

STEP 16. Using scan tool MB991958, diagnose the CAN bus line. (checking the ECM for internal short to ground)

CAUTION:
- Strictly observe the specified wiring harness repair procedure.
- To prevent damage to scan tool MB991958, always turn the ignition switch to the "LOCK" (OFF) position before connecting or disconnecting scan tool MB991958.


1. Disconnect ECM connector B-109.







2. Connect scan tool MB991958 to the data link connector.
3. Turn the ignition switch to the "ON" position.










4. Diagnose CAN bus lines, and check if the scan tool MB991958 screen is as shown in the figure.

OK: The display of the scan tool MB991958 is as shown in the figure.

Q: Does scan tool MB991958 screen correspond to the illustration?

YES : Repair the wiring harness between ECM connector B-109 and joint connector (CAN3) C-124 [Except RALLIART], or check intermediate connector A-54, and repair if necessary. If the intermediate connector is in good condition, repair the wiring harness between ECM connector B-109 and joint connector (CAN4) A-55 [RALLIART].

NO : Check ECM connector B-109, and repair if necessary. If the ECM connector is in good condition, replace the ECM.

STEP 17. Using scan tool MB991958, diagnose the CAN bus line. (checking the shift lever for internal short to ground)

CAUTION:
- Strictly observe the specified wiring harness repair procedure.
- To prevent damage to scan tool MB991958, always turn the ignition switch to the "LOCK" (OFF) position before connecting or disconnecting scan tool MB991958.


1. Disconnect shift lever connector C-49.







2. Connect scan tool MB991958 to the data link connector.
3. Turn the ignition switch to the "ON" position.










4. Diagnose CAN bus lines, and check if the scan tool MB991958 screen is as shown in the figure.

OK: The display of the scan tool MB991958 is as shown in the figure.

Q: Does scan tool MB991958 screen correspond to the illustration?

YES : Repair the wiring harness between shift lever connector C-49 and joint connector (CAN3) C-124.

NO : Check shift lever connector C-49, and repair if necessary. If the shift lever connector is in good condition, replace the shift lever.

STEP 18. Using scan tool MB991958, diagnose the CAN bus line. (checking the transaxle assembly (TC-SST-ECU) for internal short to ground)

CAUTION:
- Strictly observe the specified wiring harness repair procedure.
- To prevent damage to scan tool MB991958, always turn the ignition switch to the "LOCK" (OFF) position before connecting or disconnecting scan tool MB991958.


1. Disconnect transaxle assembly (TC-SST-ECU) connector B-120.







2. Connect scan tool MB991958 to the data link connector.
3. Turn the ignition switch to the "ON" position.










4. Diagnose CAN bus lines, and check if the scan tool MB991958 screen is as shown in the figure.

OK: The display of the scan tool MB991958 is as shown in the figure.

Q: Does scan tool MB991958 screen correspond to the illustration?

YES : Repair the wiring harness between transaxle assembly (TC-SST-ECU) connector B-120 and joint connector (CAN4) A-55.

NO : Check transaxle assembly (TC-SST-ECU) connector B-120, and repair if necessary. If the transaxle assembly (TC-SST-ECU) connector is in good condition, replace the transaxle assembly (TC-SST-ECU).