Curiosii for ever!: Car repair manuals for everyone.

Diagnostic Item 4

DIAGNOSTIC ITEM 4: Diagnose shorts in the ground to CAN-C bus line.


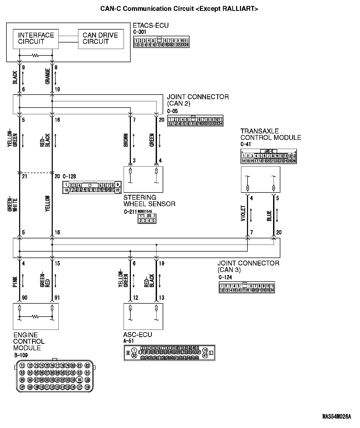
CAN-C Communication Circuit [Except RALLIART]:




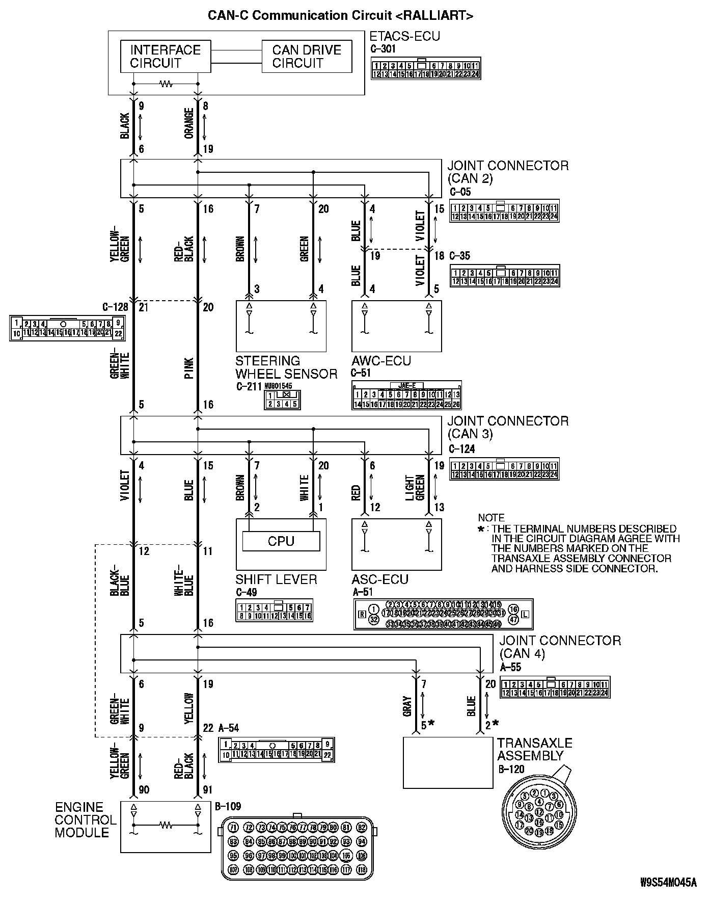
CAN-C Communication Circuit [RALLIART] (Part 2):




CAN-C Communication Circuit [RALLIART] (Part 2):






FUNCTION

If a short to ground is present in the CAN-C lines, this diagnosis result will be set.

TROUBLE JUDGEMENT CONDITIONS

If DTC U1120 is set, the ETACS-ECU determines that there is a failure.

TROUBLESHOOTING HINTS

- Malfunction of the connector (short to ground inside connector)
- Malfunction of the wiring harness (short to ground in the CAN-C main or sub bus lines)
- Malfunction of the ECU (ETACS-ECU, or ECUs on CAN-C lines failed)

DIAGNOSIS

Required Special Tools:
- MB991223: Harness Set
- MB992006: Extra Fine Probe
- MB991958: Scan Tool (M.U.T.-III Sub Assembly)
- MB991824: Vehicle Communication Interface (V.C.I.)
- MB991827: M.U.T.-III USB Cable
- MB991910: M.U.T.-III Main Harness A
- MB991997: ASC Check Harness
- MB992110: Power Plant ECU Check Harness

STEP 1. Check the wiring harness between joint connector (CAN2) C-05 and steering wheel sensor connector C-211 for a short to ground. Measure the resistance at joint connector (CAN2) C-05.

CAUTION:
- Disconnect the negative battery terminal.
- A digital multimeter should be used.
- The test wiring harness should be used.


1. Disconnect joint connector (CAN2), and measure the resistance at the wiring harness side of joint connector (CAN2).







2. Measure the resistance between joint connector (CAN2) terminal 7 and body ground.

OK: 1 kohm or more







3. Measure the resistance between joint connector (CAN2) terminal 20 and body ground.

OK: 1 kohm or more

Q: Do all the resistances measure 1 kohm or more?

YES [Except RALLIART] : Go to Step 3.

YES [RALLIART] : Go to Step 2.

NO : Go to Step 11.

STEP 2. Check the wiring harness between joint connector (CAN2) C-05 and AWC-ECU connector C-51 for a short to ground. Measure the resistance at joint connector (CAN2) C-05.

CAUTION:
- Disconnect the negative battery terminal.
- A digital multimeter should be used.
- The test wiring harness should be used.


1. Disconnect joint connector (CAN2), and measure the resistance at the wiring harness side of joint connector (CAN2).







2. Measure the resistance between joint connector (CAN2) terminal 4 and body ground.

OK: 1 kohm or more







3. Measure the resistance between joint connector (CAN2) terminal 15 and body ground.

OK: 1 kohm or more

Q: Do all the resistances measure 1 kohm or more?

YES : Go to Step 3.

NO : Go to Step 12.

STEP 3. Check the wiring harness between joint connector (CAN2) C-05 and ETACS-ECU connector C-301 for a short to ground. Measure the resistance at joint connector (CAN2) C-05.

CAUTION:
- Disconnect the negative battery terminal.
- A digital multimeter should be used.
- The test wiring harness should be used.


1. Disconnect joint connector (CAN2), and measure the resistance at the wiring harness side of joint connector (CAN2).







2. Measure the resistance between joint connector (CAN2) terminal 6 and body ground.

OK: 1 kohm or more







3. Measure the resistance between joint connector (CAN2) terminal 19 and body ground.

OK: 1 kohm or more

Q: Do all the resistances measure 1 kohm or more?

YES : Go to Step 4.

NO : Go to Step 13.

STEP 4. Check the wiring harness between joint connector (CAN3) C-124 and ASC-ECU connector A-51 for a short to ground. Measure the resistance at joint connector (CAN3) C-124.

CAUTION:
- Disconnect the negative battery terminal.
- A digital multimeter should be used.
- The test wiring harness should be used.


1. Disconnect joint connector (CAN3), and measure the resistance at the wiring harness side of joint connector (CAN3).







2. Measure the resistance between joint connector (CAN3) terminal 6 and body ground.

OK: 1 kohm or more







3. Measure the resistance between joint connector (CAN3) terminal 19 and body ground.

OK: 1 kohm or more

Q: Do all the resistances measure 1 kohm or more?

YES [Except RALLIART] : Go to Step 5.

YES [RALLIART] : Go to Step 7.

NO : Go to Step 14.

STEP 5. Check the wiring harness between joint connector (CAN3) C-124 and TCM connector C-41 for a short to ground. Measure the resistance at joint connector (CAN3) C-124.

CAUTION:
- Disconnect the negative battery terminal.
- A digital multimeter should be used.
- The test wiring harness should be used.


1. Disconnect joint connector (CAN3), and measure the resistance at the wiring harness side of joint connector (CAN3).







2. Measure the resistance between joint connector (CAN3) terminal 7 and body ground.

OK: 1 kohm or more







3. Measure the resistance between joint connector (CAN3) terminal 20 and body ground.

OK: 1 kohm or more

Q: Do all the resistances measure 1 kohm or more?

YES : Go to Step 6.

NO : Go to Step 15.

STEP 6. Check the wiring harness between joint connector (CAN3) C-124 and ECM connector B-109 [Except RALLIART] for a short to ground. Measure the resistance at joint connector (CAN3) C-124.

CAUTION:
- Disconnect the negative battery terminal.
- A digital multimeter should be used.
- The test wiring harness should be used.


1. Disconnect joint connector (CAN3), and measure the resistance at the wiring harness side of joint connector (CAN3).







2. Measure the resistance between joint connector (CAN3) terminal 4 and body ground.

OK: 1 kohm or more







3. Measure the resistance between joint connector (CAN3) terminal 15 and body ground.

OK: 1 kohm or more

Q: Do all the resistances measure 1 kohm or more?

YES : Check intermediate connector C-128, and repair if necessary. If the intermediate connector is in good condition, repair the wiring harness between joint connector (CAN2) C-05 and joint connector (CAN3) C-124.

NO : Go to Step 16.

STEP 7. Check the wiring harness between joint connector (CAN3) C-124 and shift lever connector C-49 for a short to ground. Measure the resistance at joint connector (CAN3) C-124.

CAUTION:
- Disconnect the negative battery terminal.
- A digital multimeter should be used.
- The test wiring harness should be used.


1. Disconnect joint connector (CAN3), and measure the resistance at the wiring harness side of joint connector (CAN3).







2. Measure the resistance between joint connector (CAN3) terminal 7 and body ground.

OK: 1 kohm or more







3. Measure the resistance between joint connector (CAN3) terminal 20 and body ground.

OK: 1 kohm or more

Q: Do all the resistances measure 1 kohm or more?

YES : Go to Step 8.

NO : Go to Step 17.

STEP 8. Check the wiring harness between joint connector (CAN4) A-55 and ECM connector B-109 [RALLIART] for a short to ground. Measure the resistance at joint connector (CAN4) A-55.

CAUTION:
- Disconnect the negative battery terminal.
- A digital multimeter should be used.
- The test wiring harness should be used.


1. Disconnect joint connector (CAN4), and measure the resistance at the wiring harness side of joint connector (CAN4).







2. Measure the resistance between joint connector (CAN4) terminal 6 and body ground.

OK: 1 kohm or more







3. Measure the resistance between joint connector (CAN4) terminal 19 and body ground.

OK: 1 kohm or more

Q: Do all the resistances measure 1 kohm or more?

YES : Go to Step 9.

NO : Go to Step 16.

STEP 9. Check the wiring harness between joint connector (CAN4) A-55 and transaxle assembly (TC-SST-ECU) connector B-120 for a short to ground. Measure the resistance at joint connector (CAN4) A-55.

CAUTION:
- Disconnect the negative battery terminal.
- A digital multimeter should be used.
- The test wiring harness should be used.


1. Disconnect joint connector (CAN4), and measure the resistance at the wiring harness side of joint connector (CAN4).







2. Measure the resistance between joint connector (CAN4) terminal 7 and body ground.

OK: 1 kohm or more







3. Measure the resistance between joint connector (CAN4) terminal 20 and body ground.

OK: 1 kohm or more

Q: Do all the resistances measure 1 kohm or more?

YES : Go to Step 10.

NO : Go to Step 18.

STEP 10. Check the wiring harness between joint connector (CAN3) C-124 and joint connector (CAN2) C-05 for a short to ground. Measure the resistance at joint connector (CAN3) C-124.

CAUTION:
- Disconnect the negative battery terminal.
- A digital multimeter should be used.
- The test wiring harness should be used.


1. Disconnect joint connector (CAN3), and measure the resistance at the wiring harness side of joint connector (CAN3).







2. Measure the resistance between joint connector (CAN3) terminal 5 and body ground.

OK: 1 kohm or more







3. Measure the resistance between joint connector (CAN3) terminal 16 and body ground.

OK: 1 kohm or more

Q: Do all the resistances measure 1 kohm or more?

YES : Check intermediate connector A-54, and repair if necessary. If the intermediate connector is in good condition, repair the wiring harness between joint connector (CAN3) C-124 and joint connector (CAN4) A-55.

NO : Check intermediate connector C-128, and repair if necessary. If the intermediate connector is in good condition, repair the wiring harness between joint connector (CAN3) C-124 and joint connector (CAN2) C-05.

STEP 11. Using scan tool MB991958, diagnose the CAN bus line. (checking the steering wheel sensor for internal short to ground)

CAUTION:
- Strictly observe the specified wiring harness repair procedure.
- To prevent damage to scan tool MB991958, always turn the ignition switch to the "LOCK" (OFF) position before connecting or disconnecting scan tool MB991958.


1. Disconnect steering wheel sensor connector C-211.







2. Connect scan tool MB991958 to the data link connector.
3. Turn the ignition switch to the "ON" position.










4. Diagnose CAN bus lines, and check if the scan tool MB991958 screen is as shown in the figure.

OK: The display of the scan tool MB991958 is as shown in the figure.

Q: Does scan tool MB991958 screen correspond to the illustration?

YES : Repair the wiring harness between steering wheel sensor connector C-211 and joint connector (CAN2) C-05.

NO : Check steering wheel sensor connector C-211, and repair if necessary. If the steering wheel sensor connector is in good condition, replace the steering wheel sensor.

STEP 12. Using scan tool MB991958, diagnose the CAN bus line. (checking the AWC-ECU for internal short to ground)

CAUTION:
- Strictly observe the specified wiring harness repair procedure.
- To prevent damage to scan tool MB991958, always turn the ignition switch to the "LOCK" (OFF) position before connecting or disconnecting scan tool MB991958.


1. Disconnect AWC-ECU connector C-51.







2. Connect scan tool MB991958 to the data link connector.
3. Turn the ignition switch to the "ON" position.










4. Diagnose CAN bus lines, and check if the scan tool MB991958 screen is as shown in the figure.

OK: The display of the scan tool MB991958 is as shown in the figure.

Q: Does scan tool MB991958 screen correspond to the illustration?

YES : Repair the wiring harness between AWC-ECU connector C-51 and joint connector (CAN2) C-05.

NO : Check AWC-ECU connector C-51, and repair if necessary. If the AWC-ECU connector is in good condition, replace the AWC-ECU.

STEP 13. Check the wiring harness between joint connector (CAN2) C-05 and ETACS-ECU connector C-301 for a short to ground.

CAUTION:
- Disconnect the negative battery terminal.
- A digital multimeter should be used.
- The test wiring harness should be used.
- Strictly observe the specified wiring harness repair procedure.


1. Disconnect ETACS-ECU connector and joint connector (CAN2), and measure at the wiring harness side.







2. Measure the resistance between joint connector (CAN2) terminal 6 and body ground.

OK: 1 kohm or more







3. Measure the resistance between joint connector (CAN2) terminal 19 and body ground.

OK: 1 kohm or more

Q: Do all the resistances measure 1 kohm or more?

YES : Check ETACS-ECU connector C-301, and repair if necessary. If the ETACS-ECU connector is in good condition, replace the ETACS-ECU.

NO : Repair the wiring harness between ETACS-ECU connector C-301 and joint connector (CAN2) C-05.

STEP 14. Using scan tool MB991958, diagnose the CAN bus line. (checking the ASC-ECU for internal short to ground)

CAUTION:
- Strictly observe the specified wiring harness repair procedure.
- To prevent damage to scan tool MB991958, always turn the ignition switch to the "LOCK" (OFF) position before connecting or disconnecting scan tool MB991958.


1. Disconnect ASC-ECU connector A-51.







2. Connect scan tool MB991958 to the data link connector.
3. Turn the ignition switch to the "ON" position.










4. Diagnose CAN bus lines, and check if the scan tool MB991958 screen is as shown in the figure.

OK: The display of the scan tool MB991958 is as shown in the figure.

Q: Does scan tool MB991958 screen correspond to the illustration?

YES : Repair the wiring harness between ASC-ECU connector A-51 and joint connector (CAN3) C-124.

NO : Check ASC-ECU connector A-51, and repair if necessary. If the ASC-ECU connector is in good condition, replace the ASC-ECU.

STEP 15. Using scan tool MB991958, diagnose the CAN bus line. (checking the TCM for internal short to ground)

CAUTION:
- Strictly observe the specified wiring harness repair procedure.
- To prevent damage to scan tool MB991958, always turn the ignition switch to the "LOCK" (OFF) position before connecting or disconnecting scan tool MB991958.


1. Disconnect TCM connector C-41.







2. Connect scan tool MB991958 to the data link connector.
3. Turn the ignition switch to the "ON" position.










4. Diagnose CAN bus lines, and check if the scan tool MB991958 screen is as shown in the figure.

OK: The display of the scan tool MB991958 is as shown in the figure.

Q: Does scan tool MB991958 screen correspond to the illustration?

YES : Repair the wiring harness between TCM connector C-41 and joint connector (CAN3) C-124.

NO : Check TCM connector C-41, and repair if necessary. If the TCM connector is in good condition, replace the TCM.

STEP 16. Using scan tool MB991958, diagnose the CAN bus line. (checking the ECM for internal short to ground)

CAUTION:
- Strictly observe the specified wiring harness repair procedure.
- To prevent damage to scan tool MB991958, always turn the ignition switch to the "LOCK" (OFF) position before connecting or disconnecting scan tool MB991958.


1. Disconnect ECM connector B-109.







2. Connect scan tool MB991958 to the data link connector.
3. Turn the ignition switch to the "ON" position.










4. Diagnose CAN bus lines, and check if the scan tool MB991958 screen is as shown in the figure.

OK: The display of the scan tool MB991958 is as shown in the figure.

Q: Does scan tool MB991958 screen correspond to the illustration?

YES : Repair the wiring harness between ECM connector B-109 and joint connector (CAN3) C-124 [Except RALLIART], or check intermediate connector A-54, and repair if necessary. If the intermediate connector is in good condition, repair the wiring harness between ECM connector B-109 and joint connector (CAN4) A-55 [RALLIART].

NO : Check ECM connector B-109, and repair if necessary. If the ECM connector is in good condition, replace the ECM.

STEP 17. Using scan tool MB991958, diagnose the CAN bus line. (checking the shift lever for internal short to ground)

CAUTION:
- Strictly observe the specified wiring harness repair procedure.
- To prevent damage to scan tool MB991958, always turn the ignition switch to the "LOCK" (OFF) position before connecting or disconnecting scan tool MB991958.


1. Disconnect shift lever connector C-49.







2. Connect scan tool MB991958 to the data link connector.
3. Turn the ignition switch to the "ON" position.










4. Diagnose CAN bus lines, and check if the scan tool MB991958 screen is as shown in the figure.

OK: The display of the scan tool MB991958 is as shown in the figure.

Q: Does scan tool MB991958 screen correspond to the illustration?

YES : Repair the wiring harness between shift lever connector C-49 and joint connector (CAN3) C-124.

NO : Check shift lever connector C-49, and repair if necessary. If the shift lever connector is in good condition, replace the shift lever.

STEP 18. Using scan tool MB991958, diagnose the CAN bus line. (checking the transaxle assembly (TC-SST-ECU) connector for internal short to ground)

CAUTION:
- Strictly observe the specified wiring harness repair procedure.
- To prevent damage to scan tool MB991958, always turn the ignition switch to the "LOCK" (OFF) position before connecting or disconnecting scan tool MB991958.


1. Disconnect transaxle assembly (TC-SST-ECU) connector B-120.







2. Connect scan tool MB991958 to the data link connector.
3. Turn the ignition switch to the "ON" position.










4. Diagnose CAN bus lines, and check if the scan tool MB991958 screen is as shown in the figure.

OK: The display of the scan tool MB991958 is as shown in the figure.

Q: Does scan tool MB991958 screen correspond to the illustration?

YES : Repair the wiring harness between transaxle assembly (TC-SST-ECU) connector B-120 and joint connector (CAN4) A-55.

NO : Check transaxle assembly (TC-SST-ECU) connector B-120, and repair if necessary. If the transaxle assembly (TC-SST-ECU) connector is in good condition, replace the transaxle assembly (TC-SST-ECU).