Curiosii for ever!: Car repair manuals for everyone.

Diagnostic Item 3

DIAGNOSTIC ITEM 3: Abnormal short between the CAN-C bus lines.

CAUTION: When servicing a CAN bus line, ground yourself by touching a metal object such as an unpainted water pipe. If you fail to do so, a component connected to the CAN bus line may be damaged.


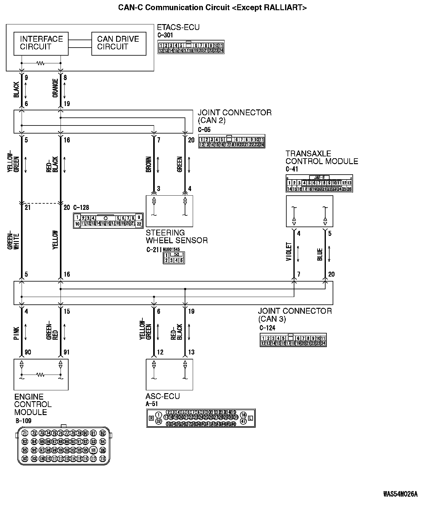
CAN-C Communication Circuit [Except RALLIART]:




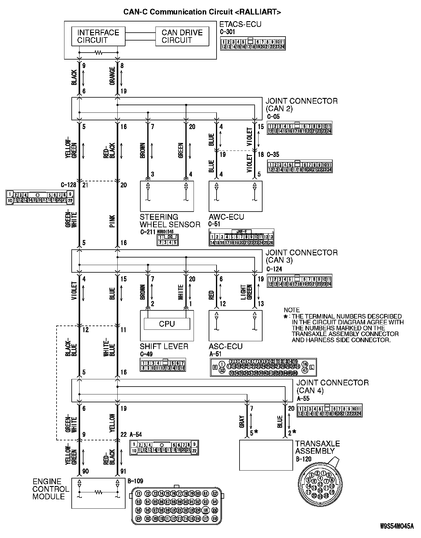
CAN-C Communication Circuit [RALLIART] (Part 1):




CAN-C Communication Circuit [RALLIART] (Part 2):






FUNCTION

If a line-to-line short is present in the CAN-C lines, this diagnosis result will be set.

TROUBLE JUDGEMENT CONDITIONS

If only diagnostic trouble code U0001 is set, the ETACS-ECU determines that there is a failure.

TROUBLESHOOTING HINTS

- Malfunction of the connector (joint connectors or ECU connectors improperly connected)
- Malfunction of the wiring harness (line-to-line short in the CAN-C main or sub bus lines)
- Malfunction of the ECU (ECU on CAN-C lines failed)

DIAGNOSIS

Required Special Tools:
- MB991223: Harness Set
- MB992006: Extra Fine Probe
- MB991958: Scan Tool (M.U.T.-III Sub Assembly)
- MB991824: Vehicle Communication Interface (V.C.I.)
- MB991827: M.U.T.-III USB Cable
- MB991910: M.U.T.-III Main Harness A
- MB991997: ASC Check Harness
- MB992110: Power Plant ECU Check Harness

STEP 1. Check joint connector (CAN2) C-05, joint connector (CAN3) C-124 and joint connector (CAN4) A-55 (RALLIART) for loose, corroded or damaged terminals, or terminals pushed back in the connector.

CAUTION: The strand end of the twisted wire should be within 10 cm (4 inches) from the connector.

Q: Are joint connector (CAN2) C-05, joint connector (CAN3) C-124 and joint connector (CAN4) A-55 (RALLIART) in good condition?

YES : Go to Step 2.

NO : Repair the damaged parts.

STEP 2. Check the wiring harness between joint connector (CAN2) C-05 and steering wheel sensor connector C-211 for line-to-line short. Measure the resistance at joint connector (CAN2) C-05.

CAUTION:
- Disconnect the negative battery terminal.
- A digital multimeter should be used.
- The test wiring harness should be used.


1. Disconnect joint connector (CAN2), and check that there is continuity at the harness side of joint connector (CAN2).







2. Check that there is continuity between joint connector (CAN2) terminals 7 and 20.

OK: No continuity

Q: Is the check result normal?

YES (Except RALLIART) : Go to Step 4.

YES (RALLIART) : Go to Step 3.

NO : Go to Step 12.

STEP 3. Check the wiring harness between joint connector (CAN2) C-05 and AWC-ECU connector C-51 for line-to-line short. Measure the resistance at joint connector (CAN2) C-05.

CAUTION:
- Disconnect the negative battery terminal.
- A digital multimeter should be used.
- The test wiring harness should be used.


1. Disconnect joint connector (CAN2), and check that there is continuity at the harness side of joint connector (CAN2).







2. Check that there is continuity between joint connector (CAN2) terminals 4 and 15.

OK: No continuity

Q: Is the check result normal?

YES : Go to Step 4.

NO : Go to Step 13.

STEP 4. Check the wiring harness between joint connector (CAN2) C-05 and ETACS-ECU connector C-301 for line-to-line short. Measure the resistance at joint connector (CAN3) C-05.

CAUTION:
- Disconnect the negative battery terminal.
- A digital multimeter should be used.
- The test wiring harness should be used.


1. Disconnect joint connector (CAN2), and check that there is continuity at the harness side of joint connector (CAN2).







2. Check that there is continuity between joint connector (CAN2) terminals 6 and 19.

OK: 120 ± 20 ohm

Q: Is the check result normal?

YES : Go to Step 5.

NO : Go to Step 14.

STEP 5. Check the wiring harness between joint connector (CAN3) C-124 and ASC-ECU connector A-51 for line-to-line short. Measure the resistance at joint connector (CAN3) C-124.

CAUTION:
- Disconnect the negative battery terminal.
- A digital multimeter should be used.
- The test wiring harness should be used.


1. Disconnect joint connector (CAN3), and check that there is continuity at the harness side of joint connector (CAN3).







2. Check that there is continuity between joint connector (CAN3) terminals 6 and 19.

OK: No continuity

Q: Is the check result normal?

YES (Except RALLIART) : Go to Step 6.

YES (RALLIART) : Go to Step 8.

NO : Go to Step 15.

STEP 6. Check the wiring harness between joint connector (CAN3) C-124 and TCM connector C-41 for line-to-line short. Measure the resistance at joint connector (CAN3) C-124.

CAUTION:
- Disconnect the negative battery terminal.
- A digital multimeter should be used.
- The test wiring harness should be used.


1. Disconnect joint connector (CAN3), and check that there is continuity at the harness side of joint connector (CAN3).







2. Check that there is continuity between joint connector (CAN3) terminals 7 and 20.

OK: No continuity

Q: Is the check result normal?

YES : Go to Step 7.

NO : Go to Step 16.

STEP 7. Check the wiring harness between joint connector (CAN3) C-124 and ECM connector B-109 [Except RALLIART] for line-to-line short. Measure the resistance at joint connector (CAN3) C-124.

CAUTION:
- Disconnect the negative battery terminal.
- A digital multimeter should be used.
- The test wiring harness should be used.


1. Disconnect joint connector (CAN3), and check that there is continuity at the harness side of joint connector (CAN3).







2. Check that there is continuity between joint connector (CAN3) terminals 4 and 15.

OK: 120 ± 20 ohm

Q: Is the check result normal?

YES : Check intermediate connector C-128, and repair if necessary. If the intermediate connector is in good condition, repair the wiring harness between joint connector (CAN2) C-05 and joint connector (CAN3) C-124.

NO : Go to Step 17.

STEP 8. Check the wiring harness between joint connector (CAN3) C-124 and shift lever connector C-49 for line-to-line short. Measure the resistance at joint connector (CAN3) C-124.

CAUTION:
- Disconnect the negative battery terminal.
- A digital multimeter should be used.
- The test wiring harness should be used.


1. Disconnect joint connector (CAN3), and check that there is continuity at the harness side of joint connector (CAN3).







2. Check that there is continuity between joint connector (CAN3) terminals 7 and 20.

OK: No continuity

Q: Is the check result normal?

YES : Go to Step 9.

NO : Go to Step 18.

STEP 9. Check the wiring harness between joint connector (CAN4) A-55 and ECM connector B-109 (RALLIART) for line-to-line short. Measure the resistance at joint connector (CAN4) A-55.

CAUTION:
- Disconnect the negative battery terminal.
- A digital multimeter should be used.
- The test wiring harness should be used.


1. Disconnect joint connector (CAN4), and check that there is continuity at the harness side of joint connector (CAN4).







2. Check that there is continuity between joint connector (CAN4) terminals 6 and 19.

OK: 120 ± 20 ohm

Q: Is the check result normal?

YES : Go to Step 10.

NO : Go to Step 17.

STEP 10. Check the wiring harness between joint connector (CAN4) A-55 and transaxle assembly (TC-SST-ECU) connector B-120 for line-to-line short. Measure the resistance at joint connector (CAN4) A-55.

CAUTION:
- Disconnect the negative battery terminal.
- A digital multimeter should be used.
- The test wiring harness should be used.


1. Disconnect joint connector (CAN4), and check that there is continuity at the harness side of joint connector (CAN4).







2. Check that there is continuity between joint connector (CAN4) terminals 7 and 20.

OK: No continuity

Q: Is the check result normal?

YES : Go to Step 11.

NO : Go to Step 19.

STEP 11. Check the wiring harness between joint connector (CAN3) C-124 and joint connector (CAN2) C-05 for line-to-line short. Measure the resistance at joint connector (CAN3) C-124.

CAUTION:
- Disconnect the negative battery terminal.
- A digital multimeter should be used.
- The test wiring harness should be used.


1. Disconnect joint connector (CAN3) and disconnect joint connector (CAN2), and check that there is continuity at the harness side of joint connector (CAN3).







2. Check that there is continuity between joint connector (CAN3) terminals 5 and 16.

OK: No continuity

Q: Is the check result normal?

YES : Check intermediate connector A-54, and repair if necessary. If the intermediate connector is in good condition, repair the wiring harness between joint connector (CAN3) C-124 and joint connector (CAN4) A-55.

NO : Check intermediate connector C-128, and repair if necessary. If the intermediate connector is in good condition, repair the wiring harness between joint connector (CAN2) C-05 and joint connector (CAN3) C-124.

STEP 12. Using scan tool MB991958, diagnose the CAN bus line. (checking the steering wheel sensor for internal short)

CAUTION:
- Strictly observe the specified wiring harness repair procedure.
- To prevent damage to scan tool MB991958, always turn the ignition switch to the "LOCK" (OFF) position before connecting or disconnecting scan tool MB991958.


1. Disconnect steering wheel sensor connector C-211.







2. Connect scan tool MB991958 to the data link connector.
3. Turn the ignition switch to the "ON" position.










4. Diagnose CAN bus lines, and check if the scan tool MB991958 screen is as shown in the figure.

OK: The display of the scan tool MB991958 is as shown in the figure.

Q: Does scan tool MB991958 screen correspond to the illustration?

YES : Repair the wiring harness between steering wheel sensor connector C-211 and joint connector (CAN2) C-05.

NO : Check steering wheel sensor connector C-211, and repair if necessary. If the steering wheel sensor connector is in good condition, replace the steering wheel sensor.

STEP 13. Using scan tool MB991958, diagnose the CAN bus line. (checking the AWC-ECU for internal short)

CAUTION:
- Strictly observe the specified wiring harness repair procedure.
- To prevent damage to scan tool MB991958, always turn the ignition switch to the "LOCK" (OFF) position before connecting or disconnecting scan tool MB991958.


1. Disconnect AWC-ECU connector C-51.







2. Connect scan tool MB991958 to the data link connector.
3. Turn the ignition switch to the "ON" position.










4. Diagnose CAN bus lines, and check if the scan tool MB991958 screen is as shown in the figure.

OK: The display of the scan tool MB991958 is as shown in the figure.

Q: Does scan tool MB991958 screen correspond to the illustration?

YES : Check C-35 intermediate connector, and repair if necessary. If the intermediate connector is in good condition, repair the wiring harness between AWC-ECU connector C-51 and joint connector (CAN2) C-05.

NO : Check AWC-ECU connector C-51, and repair if necessary. If the AWC-ECU connector is in good condition, replace the AWC-ECU.

STEP 14. Check the wiring harness between joint connector (CAN2) C-05 and ETACS-ECU connector C-301 for line-to-line short. Measure the resistance at joint connector (CAN2) C-05.

1. Disconnect joint connector (CAN2) and ETACS-ECU connector, and check that there is continuity at the harness side of joint connector (CAN2).







2. Check that there is continuity between joint connector (CAN2) terminals 6 and 19.

OK: No continuity

Q: Is the check result normal?

YES : Go to Step 20.

NO : Repair the wiring harness between ETACS-ECU connector C-301 and joint connector (CAN2) C-05.

STEP 15. Using scan tool MB991958, diagnose the CAN bus line. (checking the ASC-ECU for internal short)

CAUTION:
- Strictly observe the specified wiring harness repair procedure.
- To prevent damage to scan tool MB991958, always turn the ignition switch to the "LOCK" (OFF) position before connecting or disconnecting scan tool MB991958.


1. Disconnect ASC-ECU connector A-51.







2. Connect scan tool MB991958 to the data link connector.
3. Turn the ignition switch to the "ON" position.










4. Diagnose CAN bus lines, and check if the scan tool MB991958 screen is as shown in the figure.

OK: The display of the scan tool MB991958 is as shown in the figure.

Q: Does scan tool MB991958 screen correspond to the illustration?

YES : Repair the wiring harness between ASC-ECU connector A-51 and joint connector (CAN3) C-124.

NO : Check ASC-ECU connector A-51, and repair if necessary. If the ASC-ECU connector is in good condition, replace the ASC-ECU.

STEP 16. Using scan tool MB991958, diagnose the CAN bus line. (checking the TCM for internal short)

CAUTION:
- Strictly observe the specified wiring harness repair procedure.
- To prevent damage to scan tool MB991958, always turn the ignition switch to the "LOCK" (OFF) position before connecting or disconnecting scan tool MB991958.


1. Disconnect TCM connector C-41.







2. Connect scan tool MB991958 to the data link connector.
3. Turn the ignition switch to the "ON" position.










4. Diagnose CAN bus lines, and check if the scan tool MB991958 screen is as shown in the figure.

OK: The display of the scan tool MB991958 is as shown in the figure.

Q: Does scan tool MB991958 screen correspond to the illustration?

YES : Repair the wiring harness between TCM connector C-41 and joint connector (CAN3) C-124.

NO : Check TCM connector C-41, and repair if necessary. If the TCM connector is in good condition, replace the TCM.

STEP 17. Using scan tool MB991958, diagnose the CAN bus line. (checking the ECM for internal short)

CAUTION:
- Strictly observe the specified wiring harness repair procedure.
- To prevent damage to scan tool MB991958, always turn the ignition switch to the "LOCK" (OFF) position before connecting or disconnecting scan tool MB991958.


1. Disconnect ECM connector B-109.







2. Connect scan tool MB991958 to the data link connector.
3. Turn the ignition switch to the "ON" position.










4. Diagnose CAN bus lines, and check if the scan tool MB991958 screen is as shown in the figure.

OK: The display of the scan tool MB991958 is as shown in the figure.

Q: Does scan tool MB991958 screen correspond to the illustration?

YES : Repair the wiring harness between ECM connector B-109 and joint connector (CAN3) C-124 [Except RALLIART], or check intermediate connector is in good condition, repair the wiring harness between ECM connector B-109 and joint connector (CAN4) A-55 [RALLIART].

NO : Check ECM connector B-109, and repair if necessary. If the ECM connector is in good condition, replace the ECM.

STEP 18. Using scan tool MB991958, diagnose the CAN bus line. (checking the shift lever for internal short)

CAUTION:
- Strictly observe the specified wiring harness repair procedure.
- To prevent damage to scan tool MB991958, always turn the ignition switch to the "LOCK" (OFF) position before connecting or disconnecting scan tool MB991958.


1. Disconnect shift lever connector C-49.







2. Connect scan tool MB991958 to the data link connector.
3. Turn the ignition switch to the "ON" position.










4. Diagnose CAN bus lines, and check if the scan tool MB991958 screen is as shown in the figure.

OK: The display of the scan tool MB991958 is as shown in the figure.

Q: Does scan tool MB991958 screen correspond to the illustration?

YES : Repair the wiring harness between shift lever connector C-49 and joint connector (CAN3) C-124.

NO : Check shift lever connector C-49, and repair if necessary. If the shift lever is in good condition, replace the shift lever.

STEP 19. Using scan tool MB991958, diagnose the CAN bus line. (checking the transaxle assembly (TC-SST-ECU) for internal short)

CAUTION:
- Strictly observe the specified wiring harness repair procedure.
- To prevent damage to scan tool MB991958, always turn the ignition switch to the "LOCK" (OFF) position before connecting or disconnecting scan tool MB991958.


1. Disconnect transaxle assembly (TC-SST-ECU) connector B-120.







2. Connect scan tool MB991958 to the data link connector.
3. Turn the ignition switch to the "ON" position.










4. Diagnose CAN bus lines, and check if the scan tool MB991958 screen is as shown in the figure.

OK: The display of the scan tool MB991958 is as shown in the figure.

Q: Does scan tool MB991958 screen correspond to the illustration?

YES : Repair the wiring harness between transaxle assembly (TC-SST-ECU) connector B-120 and joint connector (CAN4) A-55.

NO : Check transaxle assembly (TC-SST-ECU) connector B-120, and repair if necessary. If the transaxle assembly (TC-SST-ECU) is in good condition, replace the transaxle assembly (TC-SST-ECU).

STEP 20. Using scan tool MB991958, diagnose the CAN bus line.

CAUTION: prevent damage to scan tool MB991958, always turn the ignition switch to the "LOCK" (OFF) position before connecting or disconnecting scan tool MB991958.







1. Connect scan tool MB991958 to the data link connector.
2. Turn the ignition switch to the "ON" position.










3. Diagnose CAN bus lines, and check if the scan tool screen is as shown in the illustration.

Q: Does the scan tool screen correspond to the illustration?

YES : The trouble can be an intermittent malfunction. (Refer to How to use Troubleshooting/inspection sevice points - How to cope with Intermittent Malfunction).

NO : Replace the ETACS-ECU.