Curiosii for ever!: Car repair manuals for everyone.

Diagnostic Item 16

DIAGNOSTIC ITEM 16: Diagnose when the scan tool cannot receive the data sent by KOS-ECU. [vehicles with KOS]

CAUTION: When servicing a CAN bus line, ground yourself by touching a metal object such as an unpainted water pipe. If you fail to do so, a component connected to the CAN bus line may be damaged.


CAN-B Communication Circuit (Part 1):




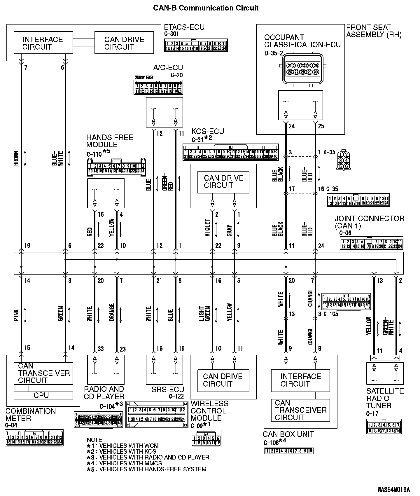
CAN-B Communication Circuit (Part 2):






FUNCTION

If the scan tool MB991958 cannot communicate with the KOS-ECU, this diagnosis result will be set.

TROUBLE JUDGMENT CONDITIONS

If a communication flag is not set for the KOS-ECU, the ETACS-ECU determines that there is a failure.

TROUBLESHOOTING HINTS

- Malfunction of the connector [joint connector (CAN1), KOS-ECU connector improperly connected]
- Malfunction of the wiring harness [open circuit between the KOS-ECU connector and the joint connector (CAN1), power supply circuit to the KOS-ECU]
- Malfunction of the KOS-ECU

DIAGNOSIS

Required Special Tools:
- MB991223: Harness Set
- MB992006: Extra Fine Probe

STEP 1. Check joint connector (CAN1) C-06 and KOS-ECU connector C-31 for loose, corroded or damaged terminals, or terminals pushed back in the connector.

CAUTION: The strand end of the twisted wire should be within 10 cm (4 inches) from the connector.

Q: Are joint connector (CAN1) C-06 and KOS-ECU connector C-31 in good condition?

YES : Go to Step 2.

NO : Repair the damaged parts.

STEP 2. Check the wiring harness between joint connector (CAN1) C-06 and KOS-ECU connector C-31 for open circuit.

CAUTION: Strictly observe the specified wiring harness repair procedure.

1. Disconnect joint connector (CAN1) C-06 and KOS-ECU connector C-31, and check the wiring harness.







2. Check the wiring harness between joint connector (CAN1) C-06 (terminal 9) and KOS-ECU connector C-31 (terminal 1)

OK: Continuity exists (2 ohm or less)







3. Check the wiring harness between joint connector (CAN1) C-06 (terminal 22) and KOS-ECU connector C-31 (terminal 2)

OK: Continuity exists (2 ohm or less)

Q: Is the wiring harness between joint connector (CAN1) C-06 and KOS-ECU connector C-31 in good condition?

YES : Check the power supply circuit of the KOS-ECU. Refer to KOS-ECU - Diagnosis. Symptom Chart

NO : Repair the wiring harness between joint connector (CAN1) C-06 and KOS-ECU connector C-31.