Curiosii for ever!: Car repair manuals for everyone.

Diagnostic Item 14

DIAGNOSTIC ITEM 14: Diagnose the lines between joint connector (CAN2) and joint connector (CAN3).

CAUTION: When servicing a CAN bus line, ground yourself by touching a metal object such as an unpainted water pipe. If you fail to do so, a component connected to the CAN bus line may be damaged.


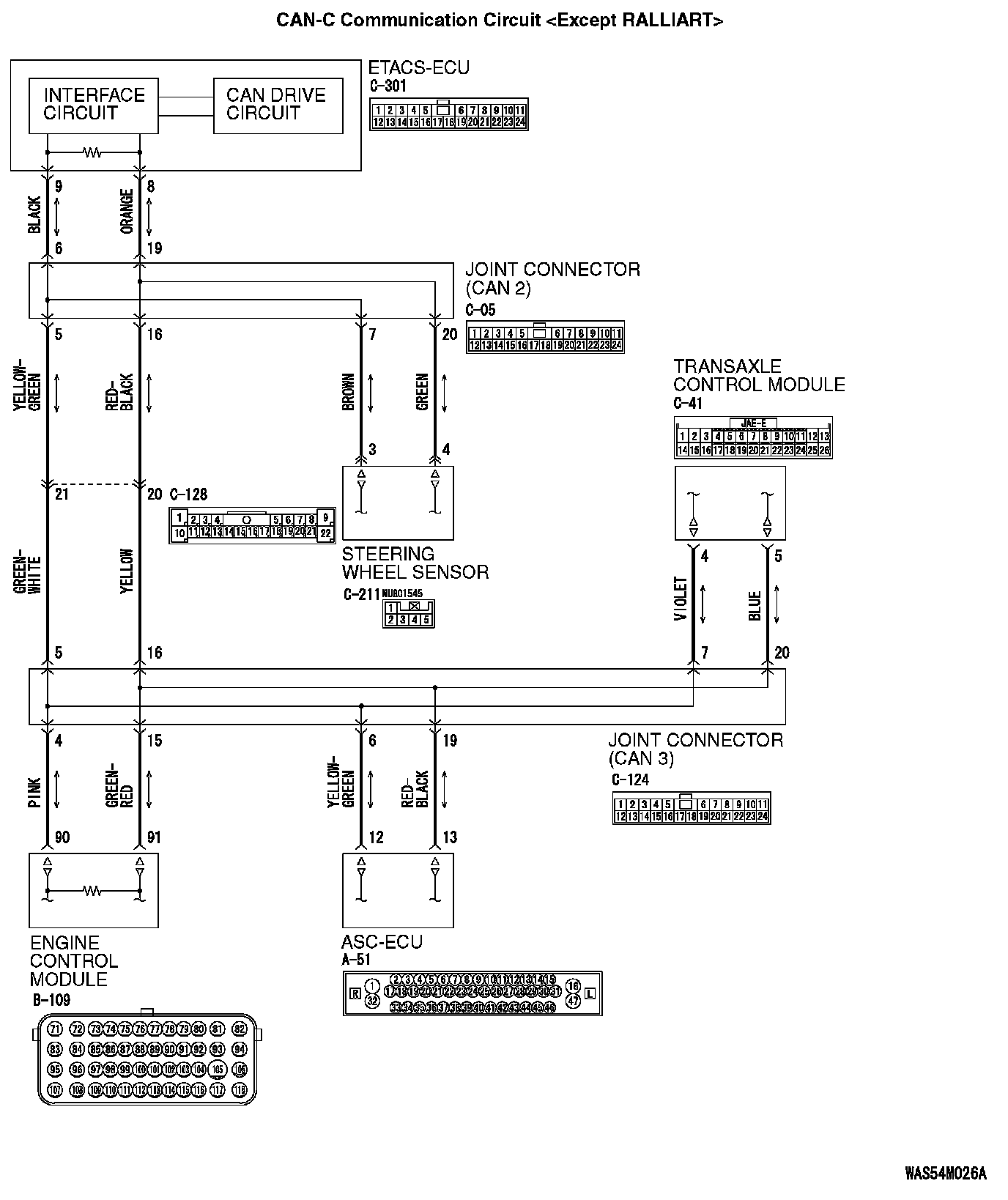
CAN-C Communication Circuit [Except RALLIART]:




CAN-C Communication Circuit [RALLIART] (Part 1):




CAN-C Communication Circuit [RALLIART] (Part 2):






FUNCTION

If a failure is present in the wiring harness between the joint connector (CAN2) and the joint connector (CAN3), this diagnosis result will be set.

TROUBLE JUDGEMENT CONDITIONS

If a communication flag is not set for any ECU connected to CAN-C (CAN3, and CAN4 [RALLIART]), it is determined that a failure has occurred.

TROUBLESHOOTING HINTS

- Malfunction of the connector [joint connector (CAN2), joint connector (CAN3) or intermediate connector failed]
- Malfunction of the wiring harness [open circuit between joint connector (CAN2) and joint connector (CAN3)]

DIAGNOSIS

Required Special Tools:
- MB991223: Harness Set
- MB992006: Extra Fine Probe

STEP 1. Check joint connector (CAN2) C-05, joint connector (CAN3) C-124 and intermediate connector C-128 for loose, corroded or damaged terminals, or terminals pushed back in the connector.

CAUTION: The strand end of the twisted wire should be within 10 cm (4 inches) from the connector.

Q: Are joint connector (CAN2) C-05, joint connector (CAN3) C-124 and intermediate connector C-128 in good condition?

YES : Go to Step 2.

NO : Repair the damaged parts.

STEP 2. Check the wiring harness between joint connector (CAN2) C-05 and joint connector (CAN3) C-124 for open circuit.

CAUTION: Strictly observe the specified wiring harness repair procedure.

1. Disconnect joint connector (CAN2) C-05 and joint connector (CAN3) C-124, and check the wiring harness.







2. Check the wiring harness between joint connector (CAN2) C-05 (terminal 5) and joint connector (CAN3) C-124 (terminal 5)

OK: Continuity exists (2 ohm or less)







3. Check the wiring harness between joint connector (CAN2) C-05 (terminal 16) and joint connector (CAN3) C-124 (terminal 16)

OK: Continuity exists (2 ohm or less)

Q: Is the wiring harness between joint connector (CAN2) C-05 and joint connector (CAN3) C-124 in good condition?

YES : The trouble can be an intermittent malfunction. (Refer to How to use Troubleshooting/inspection sevice points - How to cope with Intermittent Malfunction).

NO : Repair the wiring harness between joint connector (CAN2) C-05 and joint connector (CAN3) C-124.