Curiosii for ever!: Car repair manuals for everyone.

Diagnostic Item 12

DIAGNOSTIC ITEM 12: Diagnose when the scan tool cannot receive the data sent by ECM.

CAUTION: When servicing a CAN bus line, ground yourself by touching a metal object such as an unpainted water pipe. If you fail to do so, a component connected to the CAN bus line may be damaged.


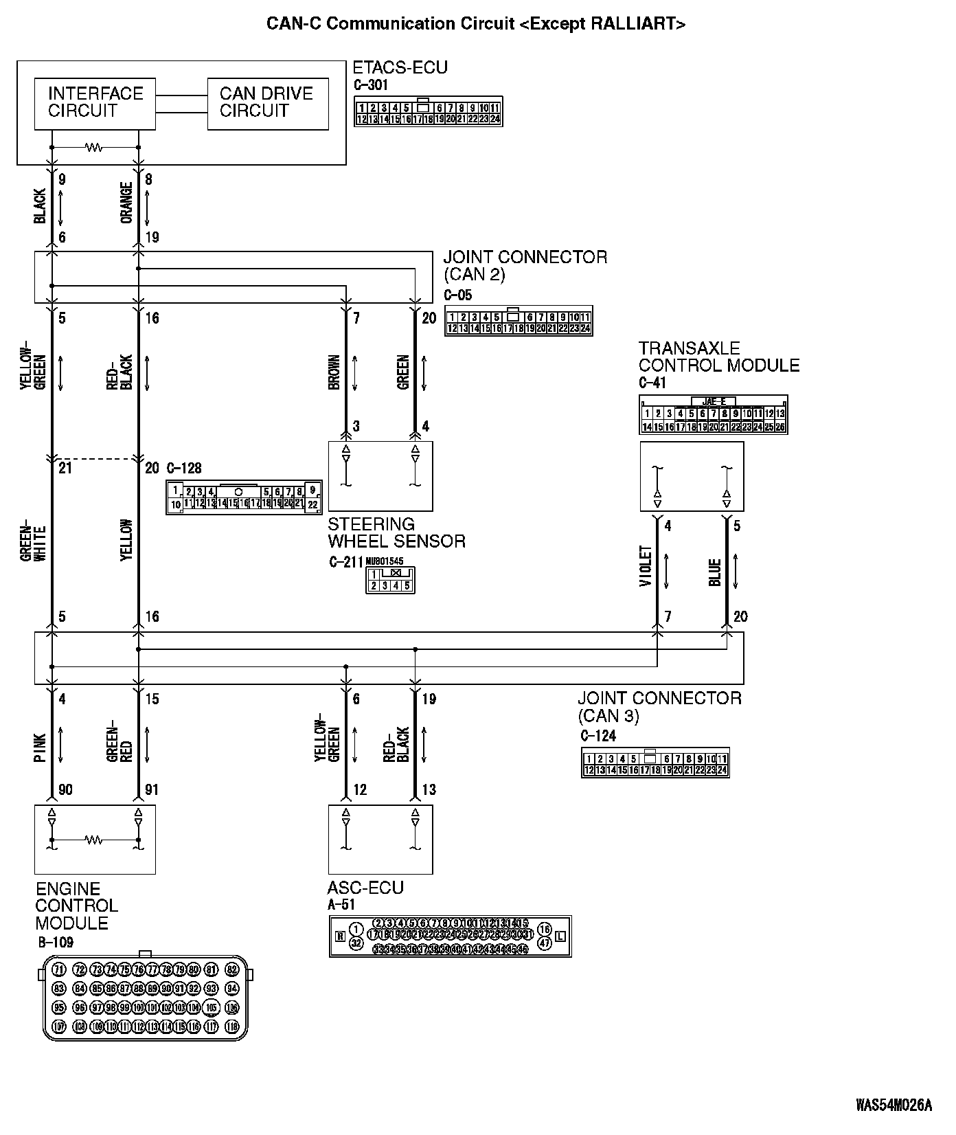
CAN-C Communication Circuit [Except RALLIART]:




CAN-C Communication Circuit [RALLIART] (Part 1):




CAN-C Communication Circuit [RALLIART] (Part 2):






FUNCTION

If the scan tool MB991958 cannot communicate with the ECM, this diagnosis result will be set.

TROUBLE JUDGEMENT CONDITIONS

If a communication flag is not set for the ECM, the ETACS-ECU determines that there is a failure.

TROUBLESHOOTING HINTS

- Malfunction of the connector [joint connector (CAN3) [Except RALLIART], joint connector (CAN4) [RALLIART], ECM connector or intermediate connector [RALLIART] improperly connected]
- Malfunction of the wiring harness [open circuit between the ECM connector and the joint connector (CAN3) [Except RALLIART] or the joint connector (CAN4) [RALLIART], power supply circuit to the ECM]
- Malfunction of the ECM

DIAGNOSIS

Required Special Tools:
- MB991223: Harness Set
- MB992006: Extra Fine Probe

STEP 1. Check joint connector (CAN3) C-124 [Except RALLIART], joint connector (CAN4) A-55 [RALLIART], ECM connector B-109 and intermediate connector A-54 [RALLIART] for loose, corroded or damaged terminals, or terminals pushed back in the connector.

CAUTION: The strand end of the twisted wire should be within 10 cm (4 inches) from the connector.

Q: Are joint connector (CAN3) C-124 [Except RALLIART], joint connector (CAN4) A-55 [RALLIART], ECM connector B-109 and intermediate connector A-54 [RALLIART] in good condition?

YES : Go to Step 2.

NO : Repair the damaged parts.

STEP 2. Check the wiring harness between joint connector (CAN3) C-124 [Except RALLIART] or joint connector (CAN4) A-55 [RALLIART] and ECM connector B-109.

CAUTION: Strictly observe the specified wiring harness repair procedure.

1. Disconnect joint connector (CAN3) C-124 [Except RALLIART] or joint connector (CAN4) A-55 [RALLIART] and ECM connector B-109, and check the wiring harness.







2. Check the wiring harness between joint connector (CAN3) C-124 (terminal 4) and ECM connector B-109 (terminal 90) [Except RALLIART]

OK: Continuity exists (2 ohm or less)







3. Check the wiring harness between joint connector (CAN3) C-124 (terminal 15) and ECM connector B-109 (terminal 91) [Except RALLIART]

OK: Continuity exists (2 ohm or less)







4. Check the wiring harness between joint connector (CAN4) A-55 (terminal 6) and ECM connector B-109 (terminal 90) [RALLIART]

OK: Continuity exists (2 ohm or less)







5. Check the wiring harness between joint connector (CAN4) A-55 (terminal 19) and ECM connector B-109 (terminal 91) (RALLIART)

OK: Continuity exists (2 ohm or less)

Q: Is the wiring harness between joint connector (CAN3) C-124 [Except RALLIART] or joint connector (CAN4) A-55 [RALLIART] and ECM connector B-109 in good condition?

YES : Check the power supply circuit of the ECM. Refer to Troubleshooting [RALLIART] Symptom Chart or Troubleshooting [Except RALLIART]. Symptom Chart

NO : Repair the wiring harness between joint connector (CAN3) C-124 [Except RALLIART] or joint connector (CAN4) A-55 [RALLIART] and ECM connector B-109.