Curiosii for ever!: Car repair manuals for everyone.

Controller Area Network (CAN)

GENERAL INFORMATION

CAN, an abbreviation for Controller Area Network, is an ISO-certified international standard for a serial multiplex communication protocol*. A communication circuit employing the CAN protocol connects each electric control module (ECU), and sensor data can be shared among, which enables more reduction in wiring.

NOTE: *: The regulations have been decided in detail, from software matters such as the necessary transmission rate for communication, the system, data format, and communication timing control method to hardware matters such as the harness type and length and the resistance values.

CAN offers the following advantages.
- Transmission rates are much faster than those in conventional communication (up to 1 Mbps), allowing much more data to be sent.
- It is exceptionally immune to noise, and the data obtained from each error detection device is more reliable.
- Each ECU connected via the CAN communicates independently, therefore if the ECU enters damaged mode, communications can be continued in some cases.

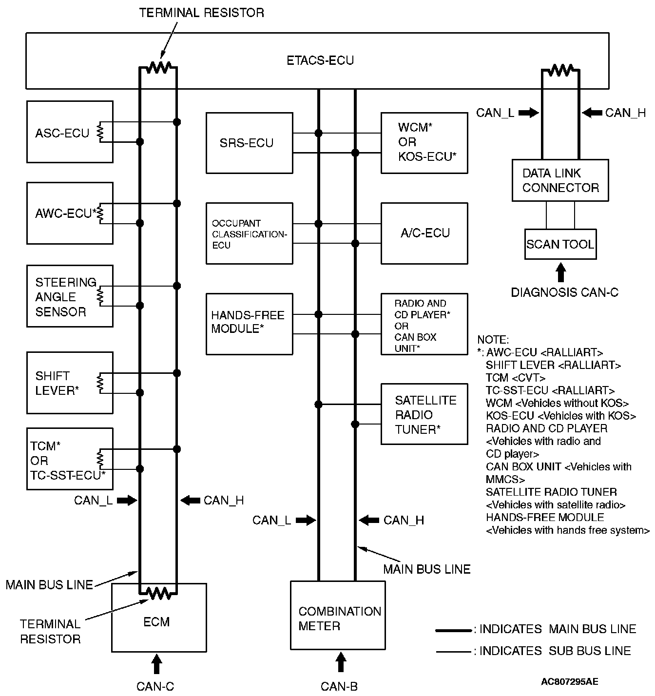
STRUCTURE







- A gateway function has been integrated to ETACS-ECU as the network central ECU.
- The CAN system consists of the following three networks: CAN-B (middle-speed body network), CAN-C (high-speed power train network), and the diagnosis CAN-C (diagnosis exclusive network). Each ECU is connected to one of the networks depending on its functions.
- The CAN bus line consists of two lines, CAN_L and CAN_H (CAN Low and CAN High, respectively), as well as two terminal resistors (A twisted-pair cable, highly resistant to noise, is used for the communications line).
- The CAN bus line connecting two dominant ECUs is the main bus line, and the CAN bus line connecting each ECU is the sub-bus line.
- With CAN-C, the terminal resistors are incorporated in ECU. Resistors with approximately 120 ohms is used for the dominant ECU, and that with 3 kilo ohms is used for the non-dominant ECU.

NOTE:
- Dominant ECU: ETACS-ECU and engine ECU
- Non-dominant ECU: ECU and sensor on CAN-C network, excluding ETACS-ECU and engine ECU

- To the CAN bus line, ECU, sensor, and data link connector are connected as follows for each network.

CAN-B
- WCM (vehicles without KOS)
- KOS-ECU (vehicles with KOS)
- SRS-ECU
- Occupant classification-ECU
- A/C-ECU
- Radio and CD player (vehicles with radio and CD player)
- CAN box unit (vehicles with MMCS)
- Hands-free module (vehicles with hands-free system)
- Satellite radio tuner (vehicles with satellite radio)
- Combination meter

CAN-C
- ASC-ECU
- Steering angle sensor
- AWC-ECU (RALLIART)
- Shift lever (RALLIART)
- TCM (CVT)
- TC-SST-ECU (RALLIART)
- ECM

DIAGNOSIS CAN-C
- Data link connector