Curiosii for ever!: Car repair manuals for everyone.

Inspection Procedure 25

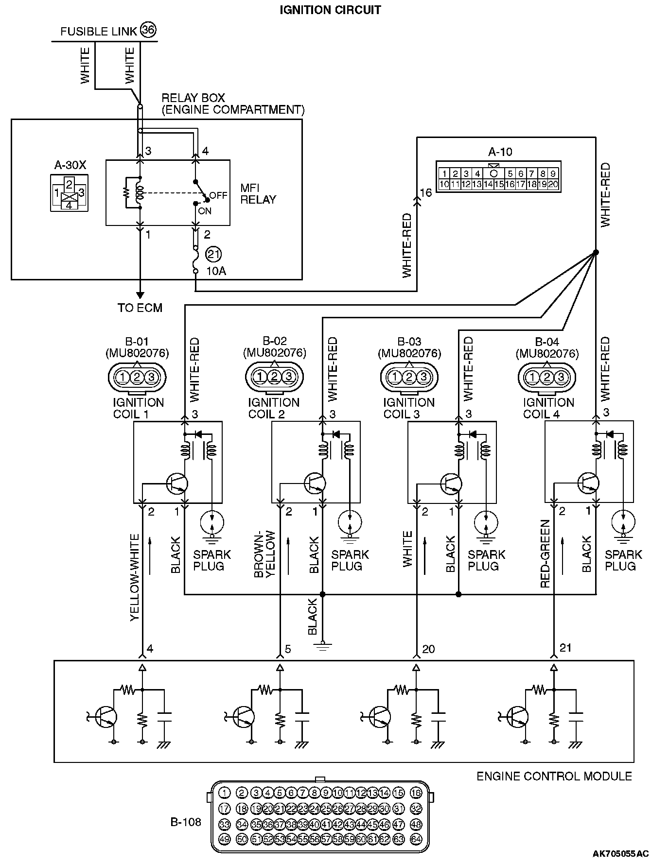
Inspection procedure 25: Ignition circuit system


Ignition Circuit (Part 1):




Ignition Circuit (Part 2):






CIRCUIT OPERATION
- The battery positive voltage is applied from the MFI relay to the ignition coil (terminal No.3) and is grounded to the vehicle body via the ignition coil (terminal No.1).
- A power voltage of 12 V is applied to the ignition coil (terminal No. 3) from the ECM (terminal No. 4, No. 5, No. 20 and No. 21).

COMMENT
- When the ECM turn the power transistor in the unit to OFF, the battery positive voltage is applied to the power transistor in the ignition coil, resulting that the power transistor is ON. And, when the ECM turns the power transistor in the unit to ON, the power transistor in the ignition coil will be turned OFF.
- When the power transistor in the ignition coil is turned to ON with any signal from the ECM, the primary voltage will be applied through the ignition coil.When the power transistor in the ignition coil is turned OFF, the primary current is blocked and high voltage is generated in the secondary coil.

TROUBLESHOOTING HINTS (The most likely causes for this case:)
- Malfunction of the ignition coil.
- Improper connector contact, open circuit or short-circuit harness wire.
- Malfunction of the ECM.

DIAGNOSIS

STEP 1. Check the ignition coil.
Refer to Ignition System - On-vehicle service - Ignition Coil Check. Ignition Coil Check

Q: Are there any abnormalities?

YES : Replace the ignition coil. Then confirm that the malfunction symptom is eliminated.

NO : Go to Step 2.

STEP 2. Check harness connectors harness connector B-108 at ECM and harness connector A-30X at MFI relay and B-01, B-02, B-03, B-04 at ignition coil for damage.

Q: Is the harness connector in good condition?

YES : Go to Step 3.

NO : Repair or replace it. Then confirm that the malfunction symptom is eliminated.

STEP 3. Check the continuity at ignition coil connectors B-01, B-02, B-03 and B-04.







1. Disconnect the connector B-01, B-02, B-03 and B-04 measure at the harness side.
2. Check for the continuity between terminal No. 1 and ground.
- Should be less than 2 ohms.

Q: Does continuity exist?

YES : Go to Step 4.

NO : Repair harness wire between ignition coil connector ignition coil connectors B-01, B-02, B-03 and B-04 (terminal No. 1) and ground because of open circuit or harness damage. Then confirm that the malfunction symptom is eliminated.

STEP 4. Check for open circuit and harness damage between MFI relay connector and ignition coil connector.

NOTE: Check harness after checking intermediate connector A-10. If intermediate connector is damaged, repair or replace it. Then confirm that the malfunction symptom is eliminated.

1. Disconnect the MFI relay connector and ignition coil connector.







2. Measure the resistance between MFI relay connector and ignition coil connector.
a. MFI relay connector A-30X (terminal No. 2) and ignition coil connector B-01 (terminal No. 3) at ignition coil 1.
b. MFI relay connector A-30X (terminal No. 2) and ignition coil connector B-02 (terminal No. 3) at ignition coil 2.
c. MFI relay connector A-30X (terminal No. 2) and ignition coil connector B-03 (terminal No. 3) at ignition coil 3.
d. MFI relay connector A-30X (terminal No. 2) and ignition coil connector B-04 (terminal No. 3) at ignition coil 4.

Q: Is the measured resistance less than 2 ohms?

YES : Go to Step 5.

NO : Repair it. Then confirm that the malfunction symptom is eliminated.

STEP 5. Check for open circuit and harness damage between ignition coil connector and ECM connector.

1. Disconnect the ignition coil connector and ECM connector.







2. Measure the resistance between ignition coil connector and ECM connector.
a. Ignition coil connector B-01 (terminal No. 2) and ECM connector B-108 (terminal No. 4) at ignition coil 1.
b. Ignition coil connector B-02 (terminal No. 2) and ECM connector B-108 (terminal No. 5) at ignition coil 2.
c. Ignition coil connector B-03 (terminal No. 2) and ECM connector B-108 (terminal No. 20) at ignition coil 3.
d. Ignition coil connector B-04 (terminal No. 2) and ECM connector B-108 (terminal No. 21) at ignition coil 4.
- Should be less than 2 ohms.

Q: Is the measured resistance less than 2 ohms?

YES : Go to Step 6.

NO : Repair it. Then confirm that the malfunction symptom is eliminated.

STEP 6. Check for short circuit to ground between ignition coil connector and ECM connector.

1. Disconnect the ignition coil connector and ECM connector.







2. Check for the continuity between ignition coil connector and ground.
a. Ignition coil connector B-01 (terminal No. 2) and ground at ignition coil 1.
b. Ignition coil connector B-02 (terminal No. 2) and ground at ignition coil 2.
c. Ignition coil connector B-03 (terminal No. 2) and ground at ignition coil 3.
d. Ignition coil connector B-04 (terminal No. 2) and ground at ignition coil 4.
- Not continuity.

Q: Is the harness wire in good condition?

YES : Replace the ECM. When the ECM is replaced, register the ID code.

NO : Repair it. Then confirm that the malfunction symptom is eliminated.