Curiosii for ever!: Car repair manuals for everyone.

Keyless Operating System (KOS)

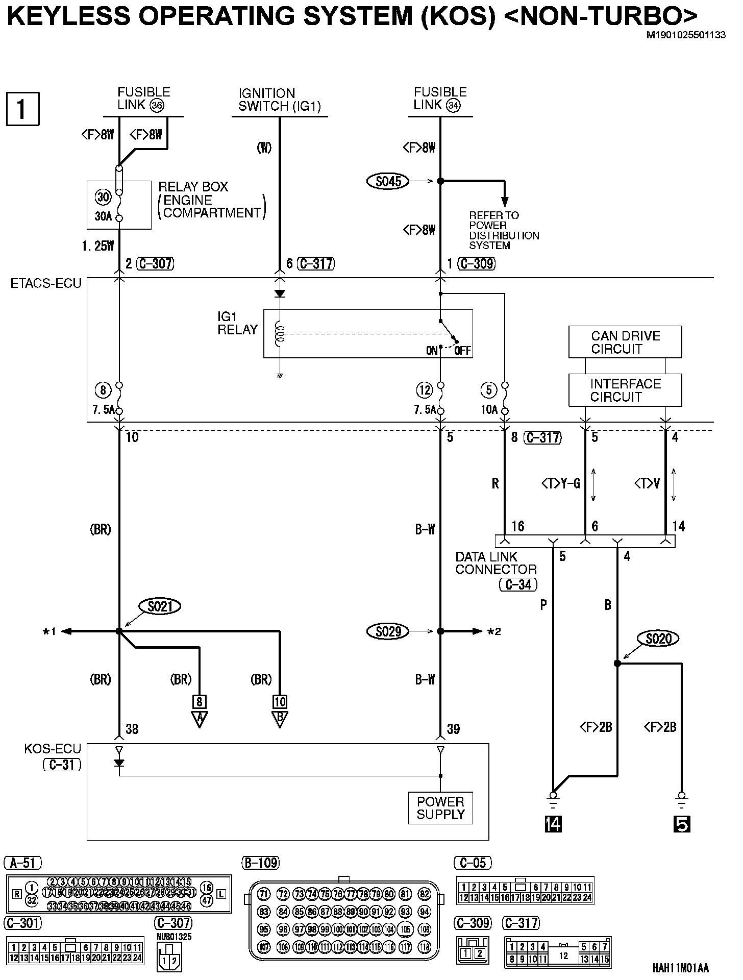
Keyless Operating System (KOS) (Part 1):




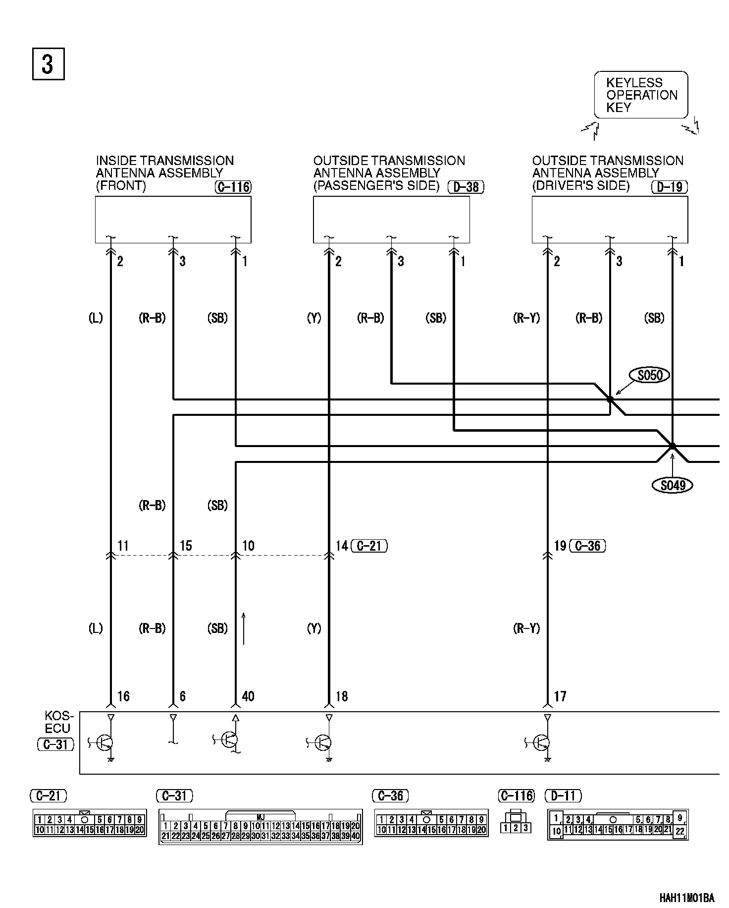
Keyless Operating System (KOS) (Part 2):




Keyless Operating System (KOS) (Part 3):




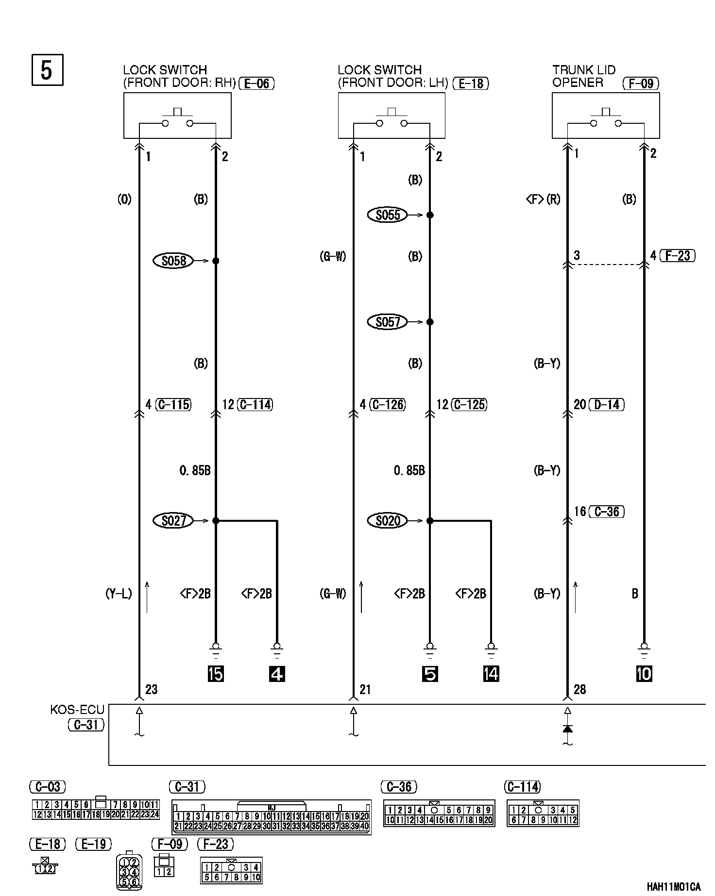
Keyless Operating System (KOS) (Part 4):




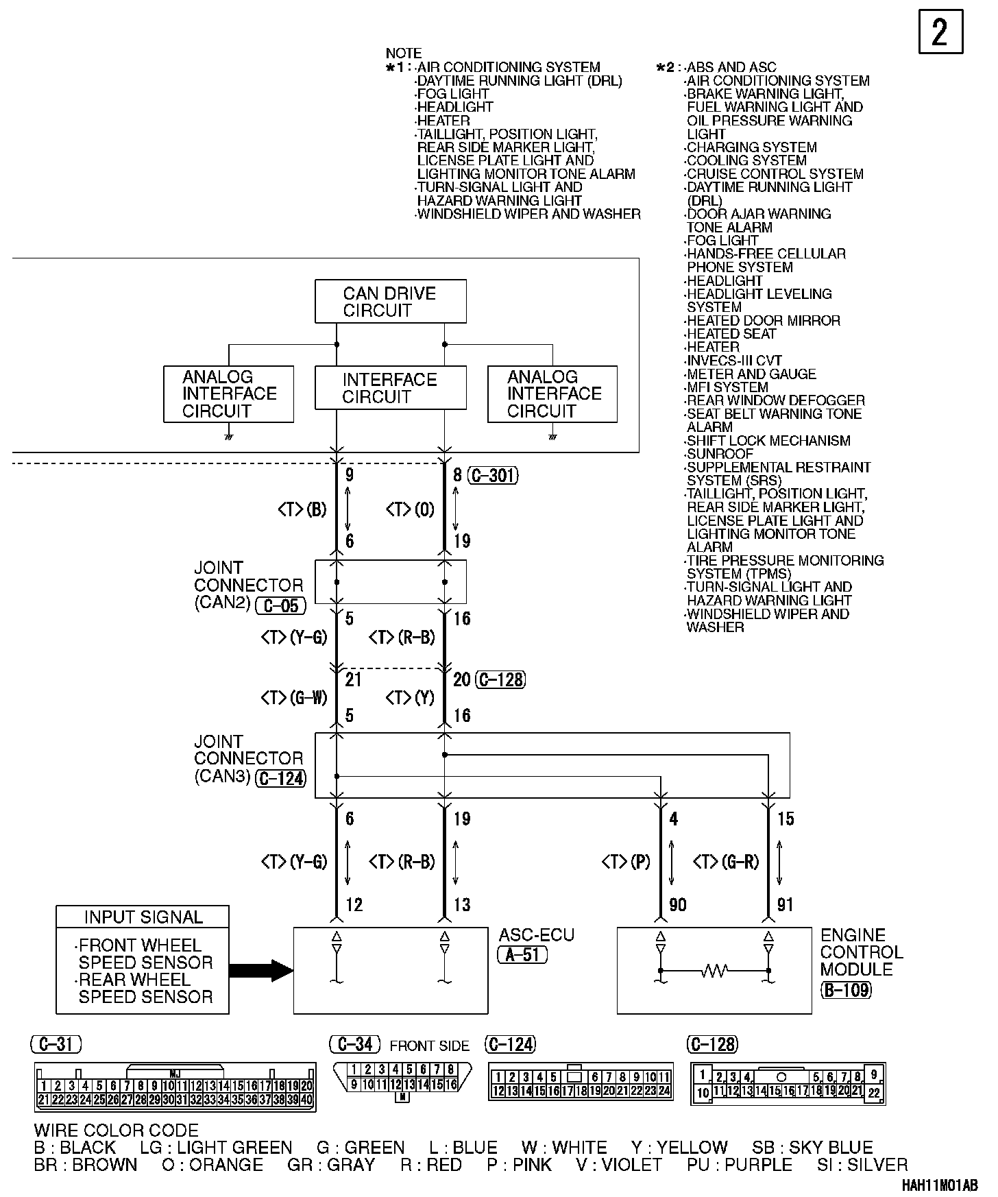
Keyless Operating System (KOS) (Part 5):




Keyless Operating System (KOS) (Part 6):




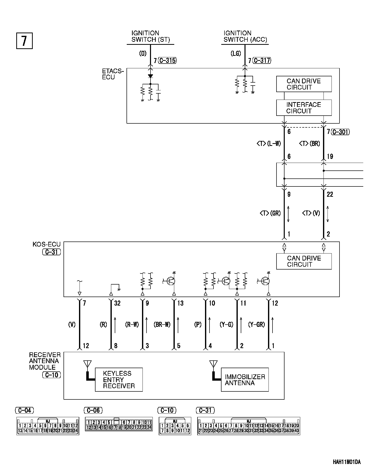
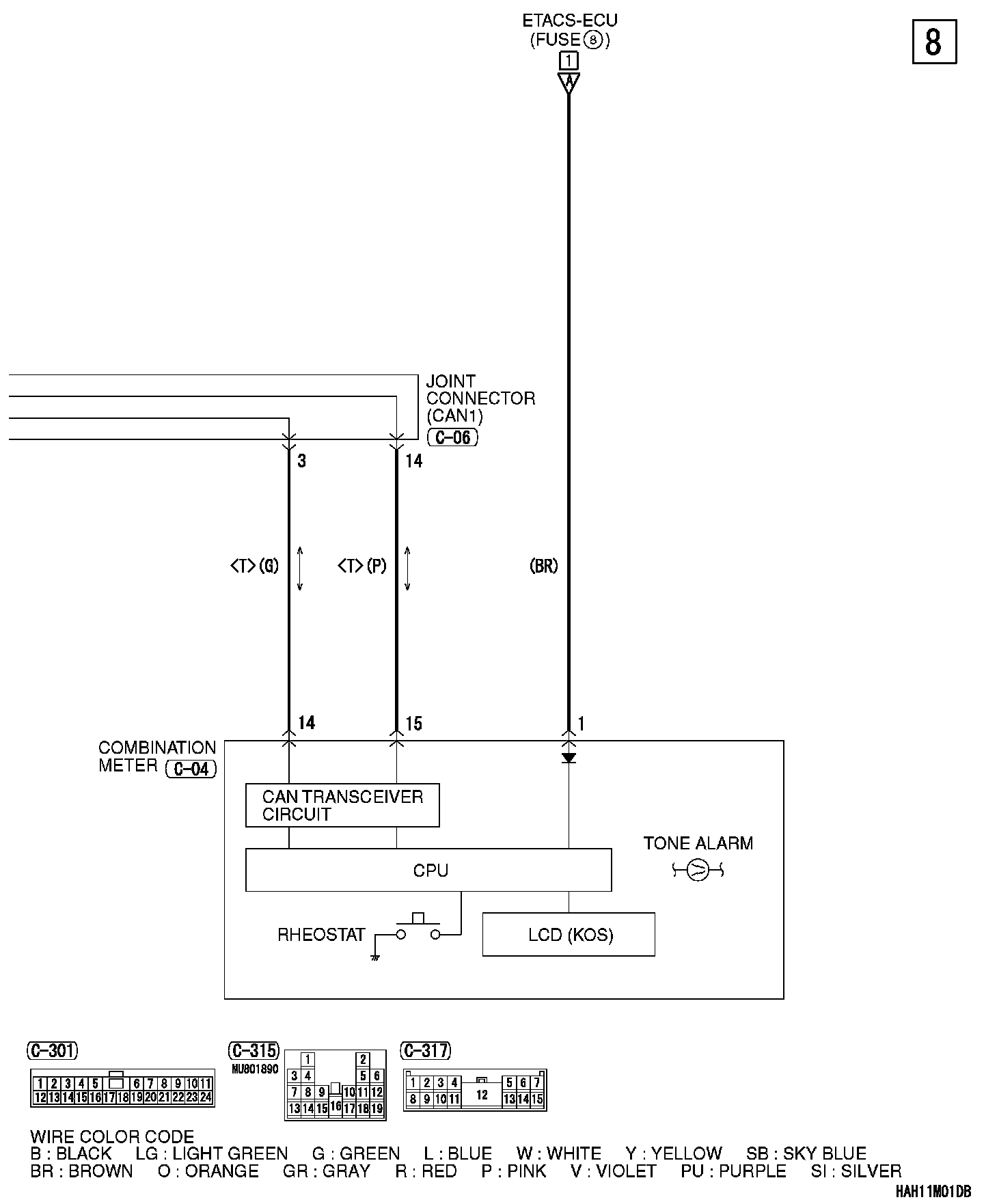
Keyless Operating System (KOS) (Part 7):




Keyless Operating System (KOS) (Part 8):




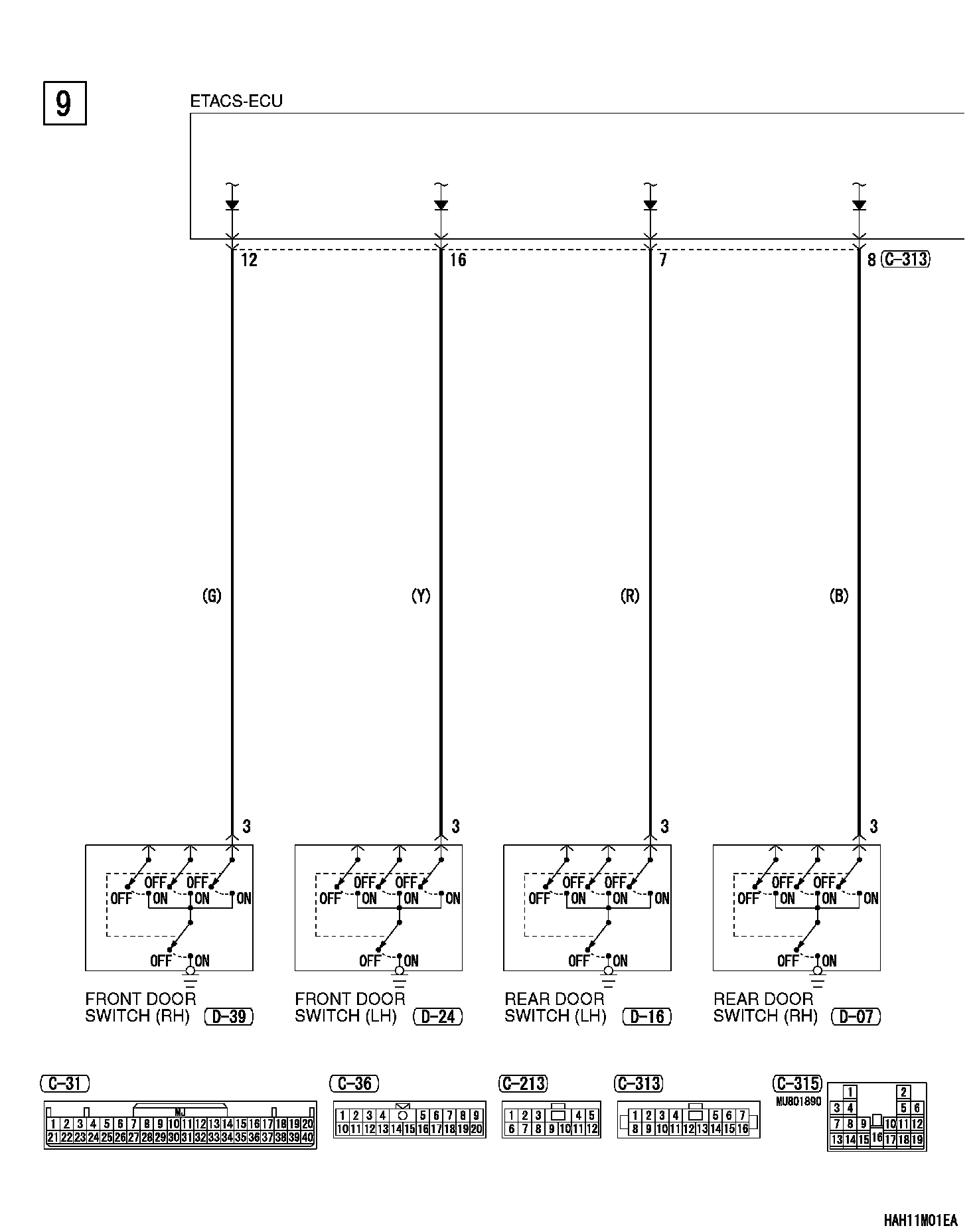
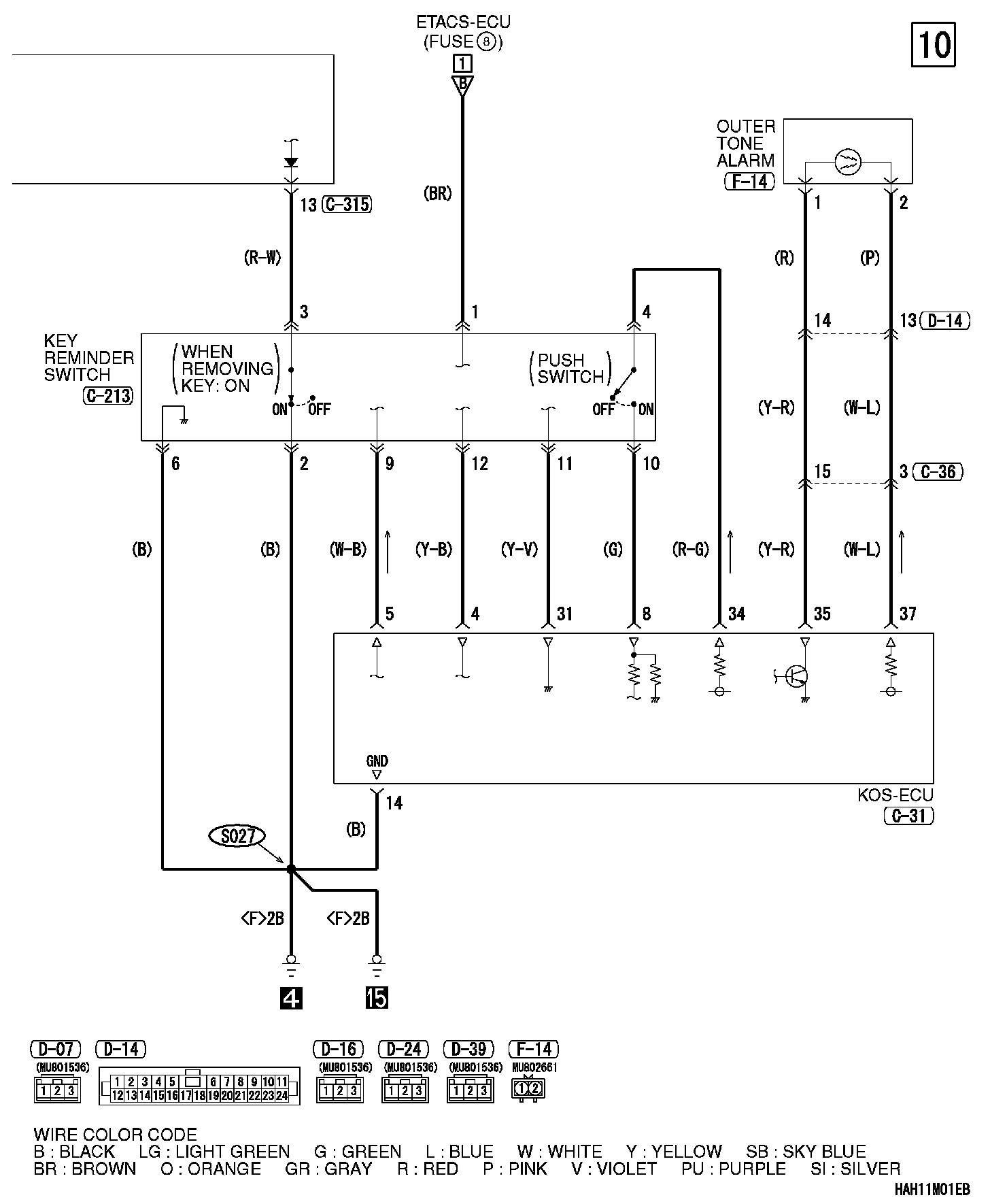
Keyless Operating System (KOS) (Part 9):




Keyless Operating System (KOS) (Part 10):






Connector/Component Locations: The locations of connectors and components referred to within these diagrams can be found via the connector number at Vehicle Connector Locations. Connector Locations

Splice Locations: The locations of Splices referred to within these diagrams can be found via the splice number at Vehicle Splice Locations. Splice Locations

Ground Locations: The locations of grounds referred to within these diagrams can be found via the ground number at Vehicle Ground Locations. Ground Locations