Curiosii for ever!: Car repair manuals for everyone.

Inspection Procedure 21

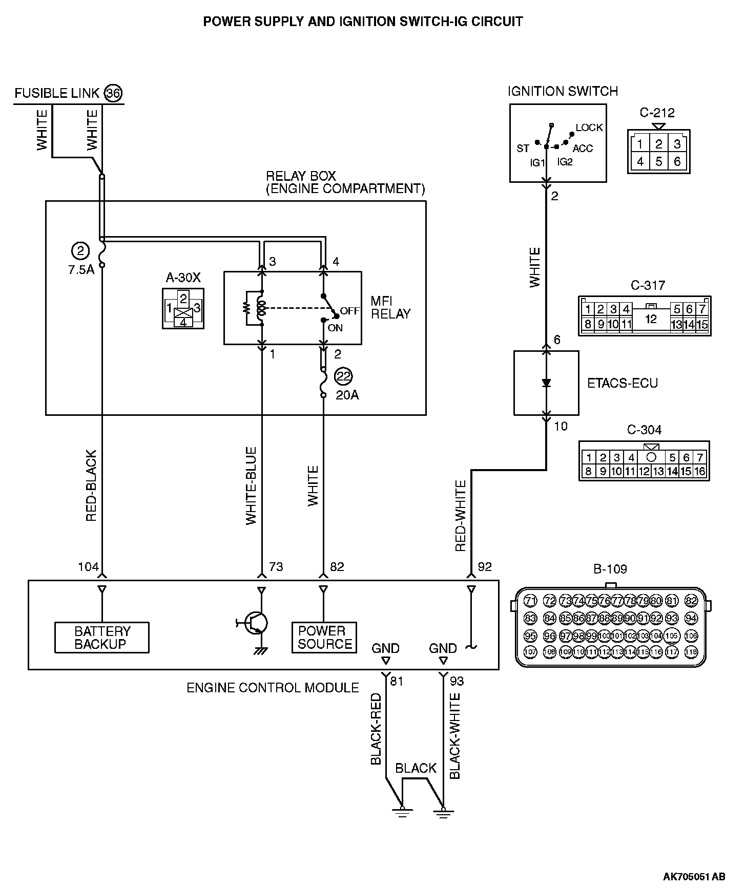
Inspection procedure 21: Power supply system and ignition switch-IG system


Power Supply And Ignition Switch-IG Circuit (Part 1):




Power Supply And Ignition Switch-IG Circuit (Part 2):






CIRCUIT OPERATION
- Battery positive voltage is applied to the MFI relay (terminals No. 3, No. 4).
- When the ignition switch is turned to the "ON" position, battery positive voltage is applied to the ECM (terminal No. 92). When battery positive voltage is applied, the ECM turns the power transistor in the ECM "ON" and grounds the MFI relay coil. With this, the MFI relay turns "ON" the battery positive voltage is supplied to the ECM (terminals No. 82) from the MFI relay (terminal No. 2).
- A battery positive voltage is constantly supplied to the ECM (terminal No. 104) as the backup power.
- The ECM (terminals No. 81, No. 93) is grounded to the vehicle body.

COMMENT
- When the ignition switch "ON" signal is input into the ECM via ETACS-ECU, the ECM turns "ON" the MFI relay. This causes battery positive voltage to be supplied to the ECM, sensor and actuator.

TROUBLESHOOTING HINTS (The most likely causes for this code to be set are:)
- Malfunction of the ignition switch.
- Malfunction of the MFI relay.
- Improper connector contact, open circuit or short-circuit harness wire.
- Malfunction of the ECM.

DIAGNOSIS

STEP 1. Check harness connector A-30X at MFI relay and harness connector B-109 at ECM for damage.

Q: Is the connector in good condition?

YES : Go to Step 2.

NO : Repair or replace it. Then confirm that the malfunction symptom is eliminated.

STEP 2. Check the MFI relay.

1. Remove the MFI relay.







2. Check for continuity between the MFI relay terminals No. 1 and No. 3.
- There should be continuity.







3. Use jumper wires to connect MFI relay terminal No. 3 to the positive battery terminal and terminal No. 1 to the negative battery terminal.
4. Check for continuity between the MFI relay terminals No. 2 and No. 4 while connecting and disconnecting the jumper wire at the negative battery terminal.
- Should be less than 2 ohms. (Negative battery terminal connected)
- Should be open loop. (Negative battery terminal disconnected)

5. Install the MFI relay.

Q: Is the measured resistance within the specified range?

YES : Go to Step 3.

NO : Replace the MFI relay. Then confirm that the malfunction symptom is eliminated.

STEP 3. Measure the power supply voltage at MFI relay harness side connector A-30X.

1. Disconnect the connector A-30X and measure at the harness side.







2. Measure the voltage between terminals No. 3, No. 4 and ground.
- Voltage should be battery positive voltage.

Q: Is battery positive voltage (approximately 12 volts) present?

YES : Go to Step 4.

NO : Repair harness wire between fusible link (36) and MFI relay connector A-30X (terminal No. 3, No. 4) because of open circuit. Then confirm that the malfunction symptom is eliminated.

STEP 4. Measure the ignition switch-IG signal voltage at ECM harness side connector B-109.

1. Disconnect the connector B-109 and measure at the harness side.
2. Turn the ignition switch to the "ON" position.







3. Measure the voltage between terminal No. 92 and ground.
- Voltage should be battery positive voltage.

4. Turn the ignition switch to the "LOCK" (OFF) position.

Q: Is battery positive voltage (approximately 12 volts) present?

YES : Go to Step 5.

NO : Check harness connectors C-304 and C-317 at intermediate connector for damage, and repair or replace as required. If intermediate connectors are in good condition, repair harness wire between ignition switch connector C-212 (terminal No. 2) and ECM connector B-109 (terminal No. 92) because of open circuit. Then confirm that the malfunction symptom is eliminated.

STEP 5. Measure the backup power supply voltage at ECM harness side connector B-109.

1. Disconnect the connector B-109 and measure at the harness side.







2. Measure the voltage between terminal No. 104 and ground.
- Voltage should be battery positive voltage.

Q: Is battery positive voltage (approximately 12 volts) present?

YES : Go to Step 6.

NO : Repair harness wire between relay box (fuse 2) and ECM connector B-109 (terminal No. 104) because of short circuit. Then confirm that the malfunction symptom is eliminated.

STEP 6. Check for continuity at ECM harness side connector B-109.

1. Disconnect the connector B-109 and measure at the harness side.







2. Check for the continuity between terminals (No. 81, No. 93) and ground.
- Should be less than 2 ohms.

Q: Does continuity exist?

YES : Go to Step 7.

NO : Repair harness wire between ECM connector B-109 (terminal No. 81, No. 93) and ground because of open circuit and harness damage. Then confirm that the malfunction symptom is eliminated.

STEP 7. Measure the power supply voltage at ECM harness side connector B-109.

1. Disconnect the connector B-109 and measure at the harness side.







2. Measure the voltage between terminal No. 73 and ground.
- Voltage should be battery positive voltage.

Q: Is battery positive voltage (approximately 12 volts) present?

YES : Go to Step 8.

NO : Repair harness wire between MFI relay connector and ECM A-30X (terminal No. 1) connector B-109 (terminal No. 73) because of open circuit. Then confirm that the malfunction symptom is eliminated.

STEP 8. Check for open circuit and harness damage between MFI relay connector A-30X (terminal No. 2) and ECM connector B-109 (terminal No. 82).







1. Disconnect the connector A-30X and B-109 measure at the harness side.
2. Measure the resistance between connector A-30X (terminal No. 2) and connector B-109 (terminal No. 82).
- Should be less than 2 ohms.

Q: Is the harness wire in good condition?

YES : Replace the ECM. When the ECM is replaced, register the ID code. Then confirm that the malfunction symptom is eliminated.

NO : Repair it. Then confirm that the malfunction symptom is eliminated.