Curiosii for ever!
: Car repair manuals for everyone.
Home
>>
Mitsubishi
>>
2010
>>
Eclipse L4-2.4L (4G69)
>>
Repair and Diagnosis
>>
Powertrain Management
>>
Computers and Control Systems
>>
Air Flow Meter/Sensor
>>
Service and Repair
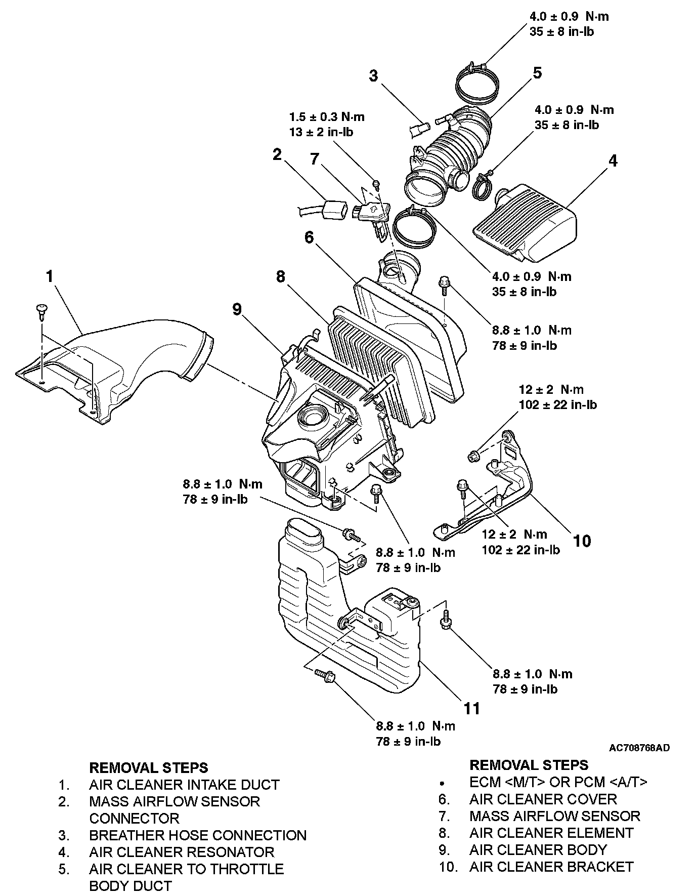
Air Flow Meter/Sensor: Service and Repair
AIR CLEANER
Removal Steps 1-11:
Removal Steps 1-11 (Part 1):
Removal Steps 1-11 (Part 2):