Curiosii for ever!: Car repair manuals for everyone.

Inspection Procedure 4

Inspection procedure 4: Cranks, won't start

Cranks, Won't Start Circuit

Ignition Circuit (Part 1):




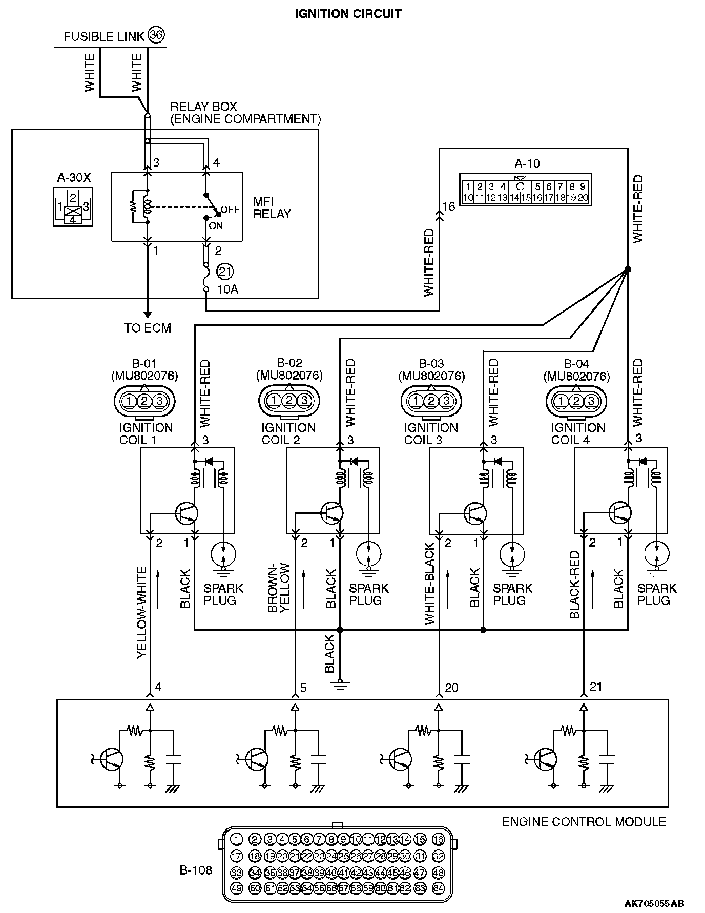
Ignition Circuit (Part 2):






CIRCUIT OPERATION
- The battery positive voltage is applied from the MFI relay to the ignition coil (terminal No.3) and is grounded to the vehicle body via the ignition coil (terminal No.1).
- A power voltage of 12 V is applied to the ignition coil (terminal No. 3) from the ECM (terminal No. 4, No. 5, No. 20 and No. 21).

COMMENT
- In cases such as the above, the cause is probably no spark, fuel delivery, or fuel quality problems. In addition, foreign materials (water, kerosene, etc.) may be mixed with the fuel.

TROUBLESHOOTING HINTS (The most likely causes for this case:)
- Malfunction of the immobilizer system.
- Malfunction of the fuel pump system.
- Malfunction of the ignition system.
- Malfunction of the injector system.
- Poor compression
- Contaminated fuel.
- Timing chain in out of place.
- Malfunction of the ECM.

DIAGNOSIS

Required Special Tools:
- MB991958: Scan Tool (M.U.T.-III Sub Assembly)
- MB991824: V.C.I.
- MB991827: USB Cable
- MB991910: Main Harness A

STEP 1. Using scan tool MB991958, read the diagnostic trouble code (DTC).






CAUTION: To prevent damage to scan tool MB991958, always turn the ignition switch to the "LOCK" (OFF) position before connecting or disconnecting scan tool MB991958.

1. Connect scan tool MB991958 to the data link connector.
2. Turn the ignition switch to the "ON" position after cranking the engine for at least 2 sec.
3. Read the DTC.
4. Turn the ignition switch to the "LOCK" (OFF) position.

Q: Is DTC set?

YES : Refer to Diagnostic Trouble Code Chart. Diagnostic Trouble Code Descriptions

NO : Go to Step 2.

STEP 2. Check harness connector A-21X at injector relay for damage.

Q: Is the connector in good condition?

YES : Go to Step 3.

NO : Repair or replace it. Then confirm that the malfunction symptom is eliminated.

STEP 3. Check the injector relay.

1. Remove the injector relay.




2. Check for continuity between the injector relay terminals No. 1 and No. 2.
- There should be continuity.




3. Use jumper wires to connect injector relay terminal No. 1 to the positive battery terminal and terminal No. 2 to the negative battery terminal.
4. Check for continuity between the injector relay terminals No. 3 and No. 4 while connecting and disconnecting the jumper wire at the negative battery terminal.
- Should be less than 2 Ohms (Negative battery terminal connected)
- Should be open loop. (Negative battery terminal disconnected)

5. Install the MFI relay.

Q: Is the measured resistance within the specified range?

YES : Go to Step 4.

NO : Replace the injector relay. Then confirm that the malfunction symptom is eliminated.

STEP 4. Measure the power supply voltage at injector relay harness side connector A-21X.

1. Disconnect the connector A-21X and measure at the harness side.




2. Measure the voltage between terminal No. 4 and ground.
- Voltage should measure battery positive voltage.

Q: Is battery positive voltage (approximately 12 volts) present?

YES : Go to Step 5.

NO : Repair harness wire between MFI relay connector A-30X (terminal No. 2) and injector relay connector A-21X (terminal No. 4) because of open circuit or harness damage. Then confirm that the malfunction symptom is eliminated.

STEP 5. Measure the power supply voltage at injector relay harness side connector A-21X.

1. Disconnect the connector A-21X and measure at the harness side.
2. Turn the ignition switch to the "ON" position.




3. Measure the voltage between terminal No. 1 and ground.
- Voltage should be battery positive voltage.

4. Turn the ignition switch to the "LOCK" (OFF) position.

Q: Is battery positive voltage (approximately 12 volts) present?

YES : Go to Step 6.

NO : Repair harness wire between ETACS-ECU connector C-304 (terminal No. 10) and injector relay connector A-21X (terminal No. 1) because of open circuit or harness damage. Then confirm that the malfunction symptom is eliminated.

STEP 6. Check for continuity at injector relay harness side connector A-21X.

1. Disconnect the connector A-21X and measure at the harness side.




2. Check for the continuity between terminal No. 2 and ground.
- Should be less than 2 Ohms

Q: Does continuity exist?

YES : Go to Step 7.

NO : Repair harness wire between injector relay connector A-21X (terminal No. 2) and ground because of open circuit or harness damage. Then confirm that the malfunction symptom is eliminated.

STEP 7. Using scan tool MB991958, check data list.

1. Turn the ignition switch to the "ON" position.
2. Check the following items in the data List. Refer to Data List Reference Table. Datal List Reference Table
a. Item 01: Power Supply Voltage (at cranking).

3. Turn the ignition switch to the "LOCK" (OFF) position.

Q: Are they operating properly?

YES : Go to Step 8.

NO : Repair or replace it. Then confirm that the malfunction symptom is eliminated.

STEP 8. Using scan tool MB991958, check actuator test.

1. Turn the ignition switch to the "ON" position.
2. Check the following items in the actuator test. Refer to Actuator Test Reference Table. Actuator Test Reference Table
a. Item 09: Fuel pump.

3. Turn the ignition switch to the "LOCK" (OFF) position.

Q: Is the actuator operating properly?

YES : Go to Step 9.

NO : Repair or replace it. Then confirm that the malfunction symptom is eliminated.

STEP 9. Check the fuel pressure.

Refer to Fuel Pressure Test. Testing and Inspection

Q: Is the fuel pressure normal?

YES : Go to Step 10.

NO : Check the following items, and repair or replace the defective items.
- Insufficient fuel pump discharge.
- Fuel pump filter clogged.

STEP 10. Check the injector resistance.

1. Disconnect the injector connector B-101, B-102, B-103, B-104.




2. Measure the resistance between each injector side connector terminal No. 1 and No. 2.

Standard value: 10.5-13.5 Ohms [at 20 °C (68 °F)]

Q: Is the measured resistance between 10.5 and 13.5 Ohms[at 20 °C (68 °F)]?

YES : Go to Step 11.

NO : Replace the faulty injector. Then confirm that the malfunction symptom is eliminated.

STEP 11. Check harness connector B-108 at ECM and harness connector B-101, B-102, B-103, B-104 at injector for damage.

Q: Is the harness connector in good condition?

YES : Go to Step 12.

NO : Repair or replace it. Then confirm that the malfunction symptom is eliminated.

STEP 12. Check for harness damage between injector connector and ECM connector.

1. Disconnect the injector connector and ECM connector.




2. Measure the resistance between injector connector and ECM connector.
a. Injector connector B-101 (terminal No. 2) and ECM connector B-108 (terminal No. 2) at No. 1 cylinder injector.
b. Injector connector B-102 (terminal No. 2) and ECM connector B-108 (terminal No. 3) at No. 2 cylinder injector.
c. Injector connector B-103 (terminal No. 2) and ECM connector B-108 (terminal No. 18) at No. 3 cylinder injector.
d. Injector connector B-104 (terminal No. 2) and ECM connector B-108 (terminal No. 19) at No. 4 cylinder injector.
- Should be less than 2 Ohms

Q: Is the measured resistance less than 2 Ohms ?

YES : Go to Step 13.

NO : Repair it. Then confirm that the malfunction symptom is eliminated.

STEP 13. Check the ignition system.

1. Connect the timing light to terminal No. 1 of the ignition coil connector B-01, B-02, B-03 or B-04 in order.
2. Crank the engine.
- The timing light flashes.

3. Turn the ignition switch to the "LOCK" (OFF) position.

Q: Does the timing light flash?

YES : Go to Step 14.

NO : Refer to inspection procedure 25-Ignition circuit system.

STEP 14. Check the spark plugs.

Refer to On-vehicle Service - Spark Plug Check. Testing and Inspection

Q: Are there any abnormalities?

YES : Replace the spark plug. Then confirm that the malfunction symptom is eliminated.

NO : Go to Step 15.

STEP 15. Check the ignition coil.

Refer to On-vehicle Service - Ignition Coil Check. Ignition Coil Check

Q: Are there any abnormalities?

YES : Replace the ignition coil. Then confirm that the malfunction symptom is eliminated.

NO : Go to Step 16.

STEP 16. Check the compression pressure.

Refer to On-vehicle Service - Compression Pressure Check. Compression Check

Q: Is the compression pressure normal?

YES : Go to Step 17.

NO : Repair it. Then confirm that the malfunction symptom is eliminated.

STEP 17. Check the ignition timing.

1. Check the ignition timing at cranking.

Standard value: 5° BTDC ± 3°

Q: Is the ignition timing normal?

YES : Check the following items, and repair or replace the defective items.
a. Check if the injectors are clogged.
b. Check if fuel is contaminated.

Then confirm that the malfunction symptom is eliminated.

NO : Check for installed conditions of the timing chain. Then confirm that the malfunction symptom is eliminated.