Curiosii for ever!: Car repair manuals for everyone.

Inspection Procedure 26

Inspection procedure 26: A/C system

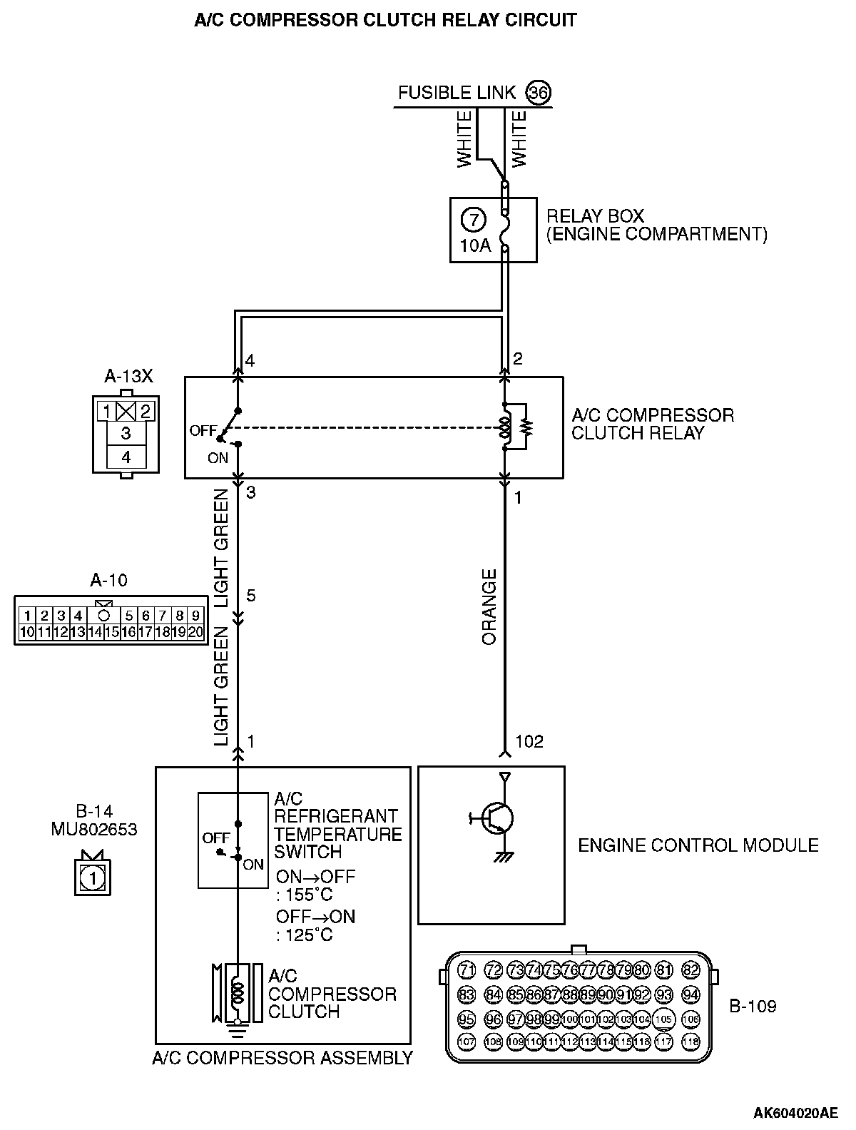
A/C Compressor Clutch Relay Circuit (Part 1):




A/C Compressor Clutch Relay Circuit (Part 2):






CIRCUIT OPERATION
- When the A/C switch ON signal is input into the ECM, the ECM turns ON the A/C compressor relay. This causes battery positive voltage to be supplied to the A/C compressor and the magnet latch actuates.

COMMENT
- When the A/C is "ON" the ECM turns "ON" the power transistor in the ECM. The ECM delays A/C engagement momentarily while it increases idle r/min. Then the A/C compressor clutch relay coil will be energized. With this, the A/C compressor clutch relay turns "ON", and the A/C compressor clutch operates.

TROUBLESHOOTING HINTS (The most likely causes for this case:)
- Malfunction of the A/C control system.
- Improper connector contact, open circuit or short-circuited harness wire.
- Malfunction of the ECM.

DIAGNOSIS

STEP 1. Using scan tool MB991958, check data list item.






CAUTION: To prevent damage to scan tool MB991958, always turn the ignition switch to the "LOCK" (OFF) position before connecting or disconnecting scan tool MB991958.

1. Connect scan tool MB991958 to the data link connector.
2. Turn the ignition switch to the "ON" position.
3. Check the following items in the data List.
Refer to Data List Reference Table. Datal List Reference Table
a. Item 93: A/C compressor relay.

4. Turn the ignition switch to the "LOCK" (OFF) position.

Q: Are they operating properly?

YES : Go to Step 2.

NO : Repair or replace it. Then confirm that the malfunction symptom is eliminated.

STEP 2. Check the circuit at ECM connector B-109.

1. Disconnect the connectors B-109 and measure at the harness side.
2. Turn the ignition switch to the "ON" position.




3. Measure the voltage between terminal No. 102 and ground.
- Voltage should be battery positive voltage.

4. Using a jumper wire, connect terminal No. 102 to ground.
- A/C compressor clutch relay should turn "ON".

5. Turn the ignition switch to the "LOCK" (OFF) position.

Q: Is the voltage and A/C compressor relay condition normal?

YES : Replace the ECM. When the ECM is replaced, register the ID code.

NO : Refer to Heater, Air Conditioning and Ventilation Diagnostic Troubleshooting Strategy Heater, A/C and Ventilation Diagnostic Troubleshooting Strategy or Automatic A/C Troubleshooting Strategy Automatic Air Conditioning Troubleshooting Strategy