Curiosii for ever!: Car repair manuals for everyone.

Inspection Procedure 4

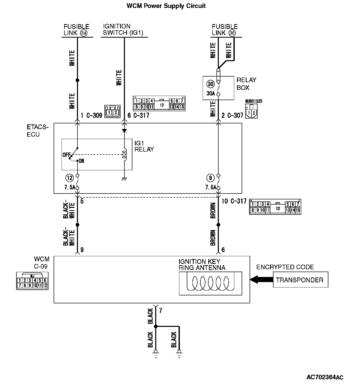
Inspection Procedure 4: Abnormality in WCM power supply and ground circuits.

CAUTION: Before replacing the ECU, ensure that the power supply circuit, the ground circuit and the communication circuit are normal.


WCM Power Supply Circuit (Part 1):




WCM Power Supply Circuit (Part 2):






TECHNICAL DESCRIPTION (COMMENT)

If the WCM does not work at all or if the WCM cannot communicate with the scan tool, the WCM power supply or the ground circuit may be defective.

TROUBLESHOOTING HINTS

- Damaged wiring harness and connectors
- Malfunction of the WCM

DIAGNOSIS

Required Special Tools:
- MB992006: Extra fine probe
- MB991223: Harness set

STEP 1. Check WCM connector C-09 and ETACS-ECU connector C-317 for loose, corroded or damaged terminals, or terminals pushed back in the connector.

Q: Is the WCM connector C-09 and ETACS-ECU connector C-317 in good condition?

YES: Go to Step 2.

NO: Repair the defective connector.

STEP 2. Check the wiring harness between WCM connector C-09 (terminal No.6, 9) and the ETACS-ECU connector C-317 (terminal No.10, 5) for open circuit.

1. Disconnect WCM connector C-09 and ETACS-ECU connector C-317, and check the wiring harness.







2. Check the wiring harness between WCM connector C-09 (terminal No.6) and ETACS-ECU connector C-317 (terminal No.10)

OK: Continuity exists (2 ohms or less)







3. Check the wiring harness between WCM connector C-09 (terminal No.9) and ETACS-ECU connector C-317 (terminal No.5)

OK: Continuity exists (2 ohms or less)

Q: Is the wiring harness between WCM connector C-09 and the ETACS-ECU connector C-317 in good condition?

YES: Go to Step 3.

NO: Repair the wiring harness between WCM connector C-09 (terminal No.6, 9) and ETACS-ECU connector C-317 (terminal No.10, 5).

STEP 3. Check the wiring harness between the WCM connector C-09 (terminal No.7) and the ground for open circuit.

1. Disconnect the connector and measure the resistance at the wiring harness side.
2. Turn the ignition switch to the ON position.







3. Measure the resistance between terminal No.7 and the ground.

OK: Continuity exists (2 ohms or less)

Q: Is the wiring harness between WCM connector C-09 and the ground in good condition?

YES: Go to Step 4.

NO: Repair the wiring harness between WCM connector C-09 (terminal No.7) and ground.

STEP 4. Retest the system

Q: Does the abnormality in WCM power supply and ground circuits in good condition?

YES: The trouble can be an intermittent malfunction.

NO: Replace WCM and register the ID codes.