Curiosii for ever!: Car repair manuals for everyone.

Inspection Procedure 27

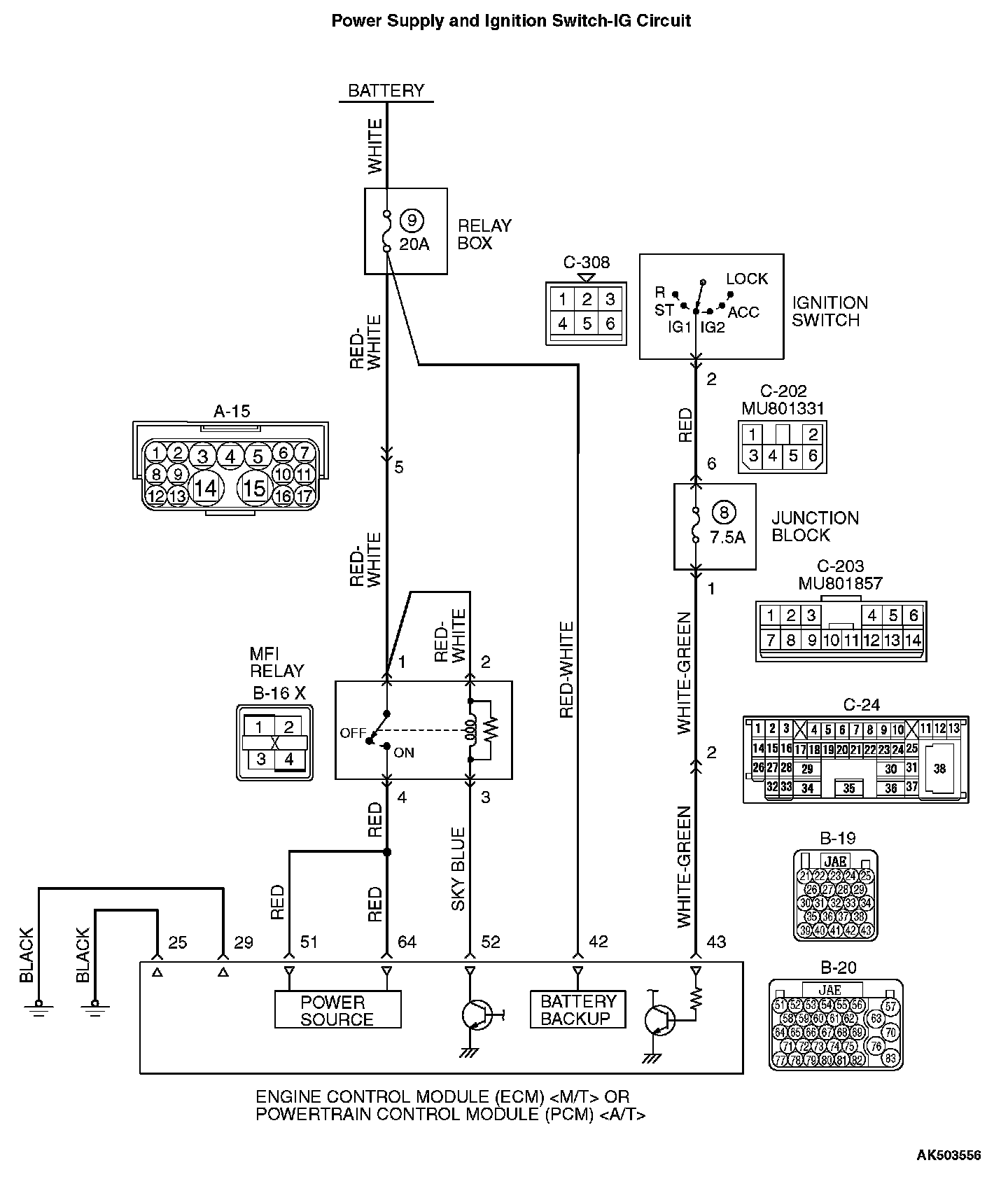
INSPECTION PROCEDURE 27: Power Supply System And Ignition Switch - IG System

Power Supply And Ignition Switch-IG Circuit (Part 1):




Power Supply And Ignition Switch-IG Circuit (Part 2):






CIRCUIT OPERATION
- Battery positive voltage is applied to the MFI relay (terminals No. 1, No. 2).
- When the ignition switch is turned to the "ON" position, battery positive voltage is applied to the ECM [M/T] or the PCM [A/T] (terminal No. 43). When battery positive voltage is applied, the ECM [M/T] or the PCM [A/T] turns the power transistor in the ECM [M/T] or the PCM [A/T] "ON" and grounds the MFI relay coil. With this, the MFI relay turns "ON" the battery positive voltage is supplied to the ECM [M/T] or the PCM [A/T] (terminals No. 51, No. 64) from the MFI relay (terminal No. 4).
- A battery positive voltage is constantly supplied to the ECM [M/T] or the PCM [A/T] (terminal No. 42) as the backup power.
- The ECM [M/T] or the PCM [A/T] (terminals No. 25, No. 29) is grounded to the vehicle body.

TROUBLESHOOTING HINTS (The most likely causes for this code to be set are:)
- Malfunction of the ignition switch.
- Malfunction of the MFI relay.
- Improper connector contact, open circuit or short-circuit harness wire.
- Disconnected ECM [M/T] or PCM [A/T] ground wire.
- Malfunction of the ECM [M/T] or the PCM [A/T].

DIAGNOSIS

STEP 1. Check harness connector B-16X at MFI relay for damage.






Q: Is the connector in good condition?

YES : Go to Step 2.

NO : Repair or replace it. Then confirm that the malfunction symptom is eliminated.

STEP 2. Check the MFI relay.






CAUTION: Because it is not possible to distinguish the top and the bottom of the MFI relay, inspect it with the triangle mark printed on the relay facing upward.

1. Remove the MFI relay.




2. Check for continuity between the MFI relay terminals No. 2 and No. 3.
- There should be continuity. (approximately 70 ohms)




3. Use jumper wires to connect MFI relay terminal No. 2 to the positive battery terminal and terminal No. 3 to the negative battery terminal.
4. Check for continuity between the MFI relay terminals No. 1 and No. 4 while connecting and disconnecting the jumper wire at the negative battery terminal.
- Continuity (2 ohms or less) [Negative battery terminal connected]
- Should be open loop. (Negative battery terminal disconnected)

5. Install the MFI relay.

Q: Is the measured resistance within the specified range?

YES : Go to Step 3.

NO : Replace the MFI relay. Then confirm that the malfunction symptom is eliminated.

STEP 3. Measure the power supply voltage at MFI relay harness side connector B-16X.

CAUTION: Because it is difficult to distinguish the top and bottom of the MFI relay connector at the wiring harness, inspect it by using triangle mark on the junction block as reference.




1. Disconnect the connector B-16X and measure at the harness side.




2. Measure the voltage between terminals No. 1, No. 2 and ground.
- Voltage should be battery positive voltage.

Q: Is battery positive voltage (approximately 12 volts) present?

YES : Go to Step 4.

NO : Check harness connector A-15 at intermediate connector for damage, and repair or replace as required. If intermediate connector is in good condition, repair harness wire between relay box 9. and MFI relay connector B-16X (terminals No. 1, No. 2) because of open circuit. Then confirm that the malfunction symptom is eliminated.

STEP 4. Check harness connector B-19 and B-20 at ECM [M/T] or PCM [A/T] for damage.






Q: Is the harness connector in good condition?

YES : Go to Step 5.

NO : Repair or replace it. Then confirm that the malfunction symptom is eliminated.

STEP 5. Measure the ignition switch-IG signal voltage at ECM [M/T] or PCM [A/T] harness side connector B-19.




1. Disconnect the connector B-19 and measure at the harness side.
2. Turn the ignition switch to the "ON" position.




3. Measure the voltage between terminal No. 43 and ground.
- Voltage should be battery positive voltage.

4. Turn the ignition switch to the "LOCK" (OFF) position.

Q: Is battery positive voltage (approximately 12 volts) present?

YES : Go to Step 6.

NO : Check harness connector C-203 and C-202 at intermediate connector for damage, and repair or replace as required. If intermediate connectors are in good condition, repair harness wire between ignition switch connector C-308 (terminal No. 2) and ECM [M/T] or PCM [A/T] connector B-20 (terminal No. 43) because of open circuit. Then confirm that the malfunction symptom is eliminated.

STEP 6. Measure the backup power supply voltage at ECM [M/T] or PCM [A/T] harness side connector B-19.





1. Disconnect the connector B-19 and measure at the harness side.




2. Measure the voltage between terminal No. 42 and ground.
- Voltage should be battery positive voltage.

Q: Is battery positive voltage (approximately 12 volts) present?

YES : Go to Step 7.

NO : Repair harness wire between relay box 9. and ECM [M/T] or PCM [A/T] connector B-19 (terminal No. 42) because of short circuit. Then confirm that the malfunction symptom is eliminated.

STEP 7. Check for continuity at ECM [M/T] or PCM [A/T] harness side connector B-19.




1. Disconnect the connector B-19 and measure at the harness side.




2. Check for the continuity between terminals (No. 25, No. 29) and ground.
- Continuity (2 ohms or less)

Q: Does continuity exist?

YES : Go to Step 8.

NO : Repair harness wire between ECM [M/T] or PCM [A/T] connector B-19 (terminal No. 25, No. 29) and ground because of open circuit. Then confirm that the malfunction symptom is eliminated.

STEP 8. Measure the power supply voltage at ECM [M/T] or PCM [A/T] harness side connector B-20.




1. Disconnect the connector B-20 and measure at the harness side.




2. Measure the voltage between terminal No. 52 and ground.
- Voltage should be battery positive voltage.

Q: Is battery positive voltage (approximately 12 volts) present?

YES : Go to Step 9.

NO : Repair harness wire between MFI relay connector B-16X (terminal No. 3) and ECM [M/T] or PCM [A/T] connector B-20 (terminal No. 52) because of open circuit. Then confirm that the malfunction symptom is eliminated.

STEP 9. Measure the power supply voltage at ECM [M/T] or PCM [A/T] harness side connector B-20.




1. Disconnect the connector B-20 and measure at the harness side.
2. Using a jumper wire, connect terminal No. 52 to ground.




3. Measure the voltage between terminals (No. 51, No. 64) and ground.
- Voltage should be battery positive voltage.

Q: Is battery positive voltage (approximately 12 volts) present?

YES : Replace the ECM or the PCM. When the ECM or the PCM is replaced, register the encrypted code. Then confirm that the malfunction symptom is eliminated.

NO : Repair harness wire between MFI relay connector B-16X (terminal No. 4) and ECM [M/T] or PCM [A/T] connector B-20 (terminals No. 51, No. 64) because of open circuit. Then confirm that the malfunction symptom is eliminated.