Curiosii for ever!: Car repair manuals for everyone.

Inspection Procedure 1

SYMPTOM PROCEDURES

INSPECTION PROCEDURE 1: Communication With ECM [M/T] Or PCM [A/T] Only Is Not Possible

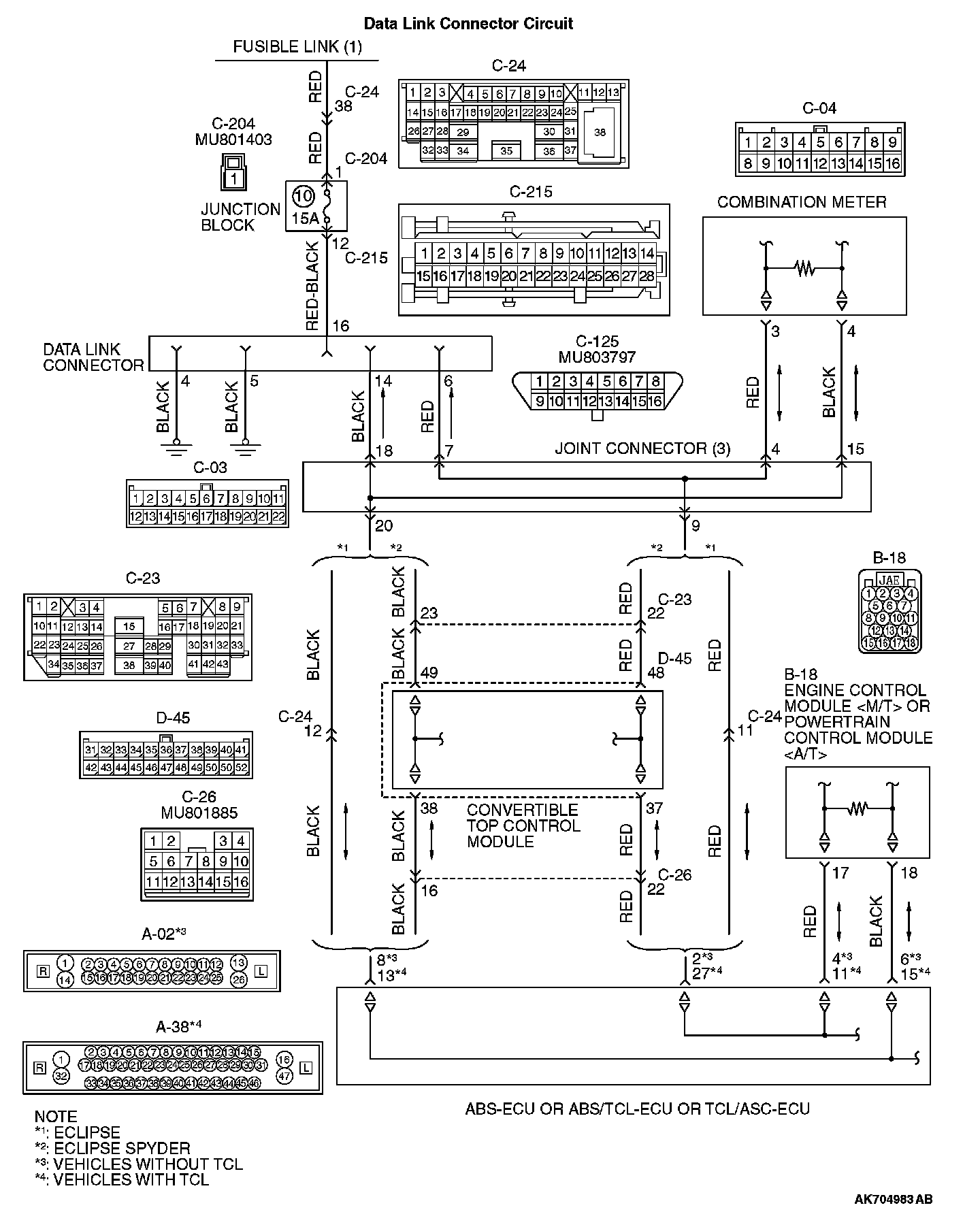
Data Link Connector Circuit (Part 1):




Data Link Connector Circuit (Part 2):






CIRCUIT OPERATION
- Battery voltage is applied to the diagnosis connector (terminal No. 16).
- The diagnosis connector (terminal No. 4 and No. 5) is grounded to the vehicle body.

COMMENT
- When the communication between scan tool MB991958 and ECM [M/T] or PCM [A/T] is impossible, it can be suspected that the CAN bus line, power supply circuit of the diagnosis connector, and/or grounding circuit are defective.
- Communication can not be achieved either, if a wrong vehicle type is selected on scan tool MB991958.

TROUBLESHOOTING HINTS (The most likely causes for this case:)
- Malfunction of the data link connector.
- Open/short circuit or poor contact in the data link connector.
- Malfunction of the CAN communication.
- Malfunction of the scan tool.
- Malfunction of the ECM [M/T].
- Malfunction of the PCM [A/T].

DIAGNOSIS

Required Special Tools:
- MB991958: Scan tool (M.U.T.-III Sub Assembly)
- MB991824: V.C.I.
- MB991827: USB Cable
- MB991910: Main harness A

STEP 1. Check the vehicle communication interface (V.C.I.) MB991824 operations.






CAUTION: To prevent damage to scan tool MB991958, always turn the ignition switch to the "LOCK" (OFF) position before connecting or disconnecting scan tool MB991958.


1. Connect the Scan tool to the data link connector.
2. When the power of V.C.I. is turned to ON, the indicator lamp of the V.C.I. illuminates in green.
- The indicator lamp of the V.C.I. illuminates in green.

Q: Is the indicator lamp of the V.C.I. illuminates in green?

YES : Go to Step 2.

NO : Use scan tool, perform CAN bus line diagnosis.

STEP 2. Measure the battery positive voltage.

1. Measure the battery positive voltage during cranking.
- The voltage should be 8 volts or more.

Q: Is the measured voltage 8 volts or more?

YES : Go to Step 3.

NO : Check the battery. Refer to On-vehicle Service - Battery Check. Battery Check Then confirm that the malfunction symptom is eliminated.

STEP 3. Measure the power supply voltage at data link connector C-125.




1. Measure voltage between terminal No. 16 and ground.
- Voltage should be battery positive voltage.

Q: Is battery positive voltage (approximately 12 volts) present?

YES : Go to Step 4.

NO : Check harness connectors C-204, C-215 and C-24 at intermediate connector for damage, and repair or replace as required. If intermediate connectors C-204, C-215 and C-24 are in good condition, repair an open circuit between battery and data link connector C-125 (terminal No. 16). Then confirm that the malfunction symptom is eliminated.

STEP 4. Check the continuity at data link connector C-125.




1. Check for the continuity between terminal No. 4, No. 5 and ground.
- Continuity (2 ohms or less).

Q: Does continuity exist?

YES : Check and replace the scan tool. Then confirm that the malfunction symptom is eliminated.

NO : Repair an open circuit or harness damage between data link connector C-125 (terminal No. 4, No. 5) and ground. Then confirm that the malfunction symptom is eliminated.