Curiosii for ever!: Car repair manuals for everyone.

Ignition Switch: Service and Repair

REMOVAL AND INSTALLATION

CAUTION:
- Before removing the steering wheel assembly, refer to SRS Service Precautions and Driver's Air Bag Module and Clock Spring [Vehicles with WCM].
- After the installation, perform a calibration for the ASC-ECU to learn the steering wheel sensor neutral point (Refer to Active Skid Control System, On-vehicle Service Steering Wheel Sensor Calibration). [Vehicles with WCM and ASC]


Pre-removal & Post-installation Operation:




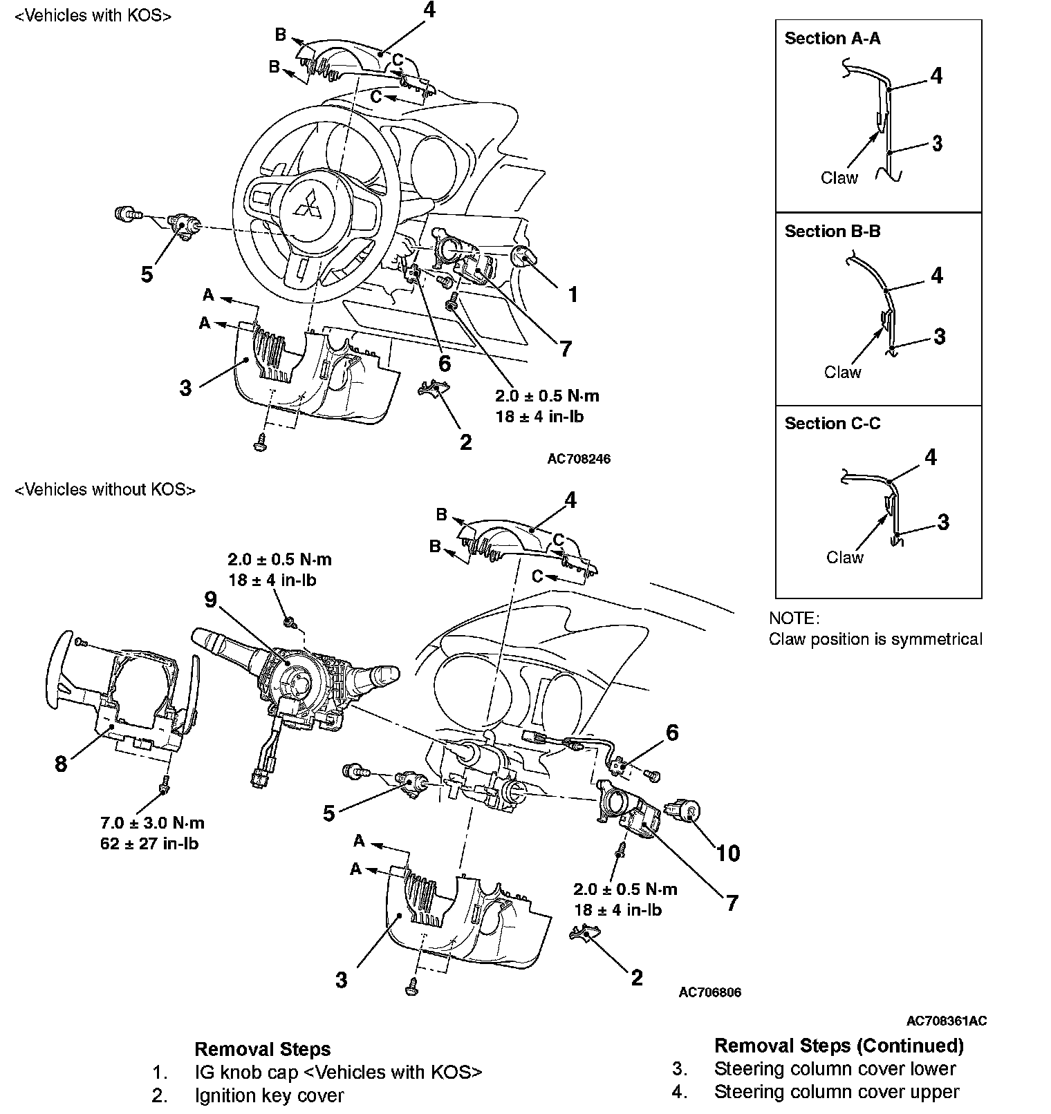
Removal Steps 1-10 (Part 1):




Removal Steps 1-10 (Part 2):






REMOVAL SERVICE POINT

[[A]] STEERING LOCK CYLINDER REMOVAL [VEHICLES WITH WCM]
1. Insert the key into the steering lock cylinder, and turn the ignition key to the ACC position.




2. With using a cross-headed screw driver (small) or similar items to press in the lock pin, remove the ignition key, and then remove the steering lock cylinder.

INSTALLATION SERVICE POINT

]]A[[ WIRELESS CONTROL MODULE (WCM) [VEHICLES WITH WCM]/RECEIVER ANTENNA MODULE [VEHICLES WITH KOS] INSTALLATION
Check that the top claw of receiver antenna module is fixed securely to the boss of steering lock and the antenna is not floated on the key cylinder.