Curiosii for ever!
: Car repair manuals for everyone.
Home
>>
Mitsubishi
>>
2008
>>
Lancer Evolution L4-2.0L Turbo (4B11T/C)
>>
Repair and Diagnosis
>>
Powertrain Management
>>
Emission Control Systems
>>
Diagrams
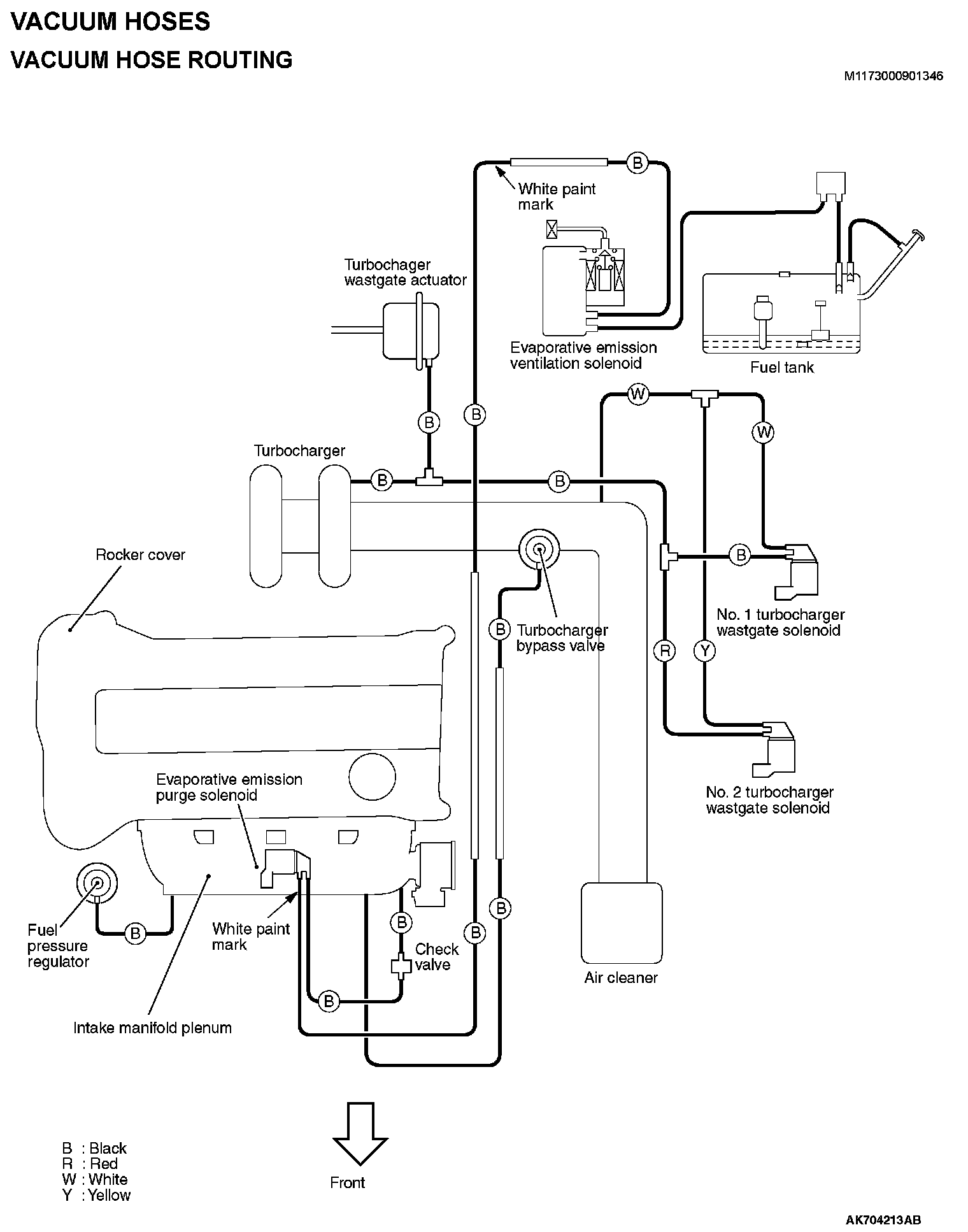
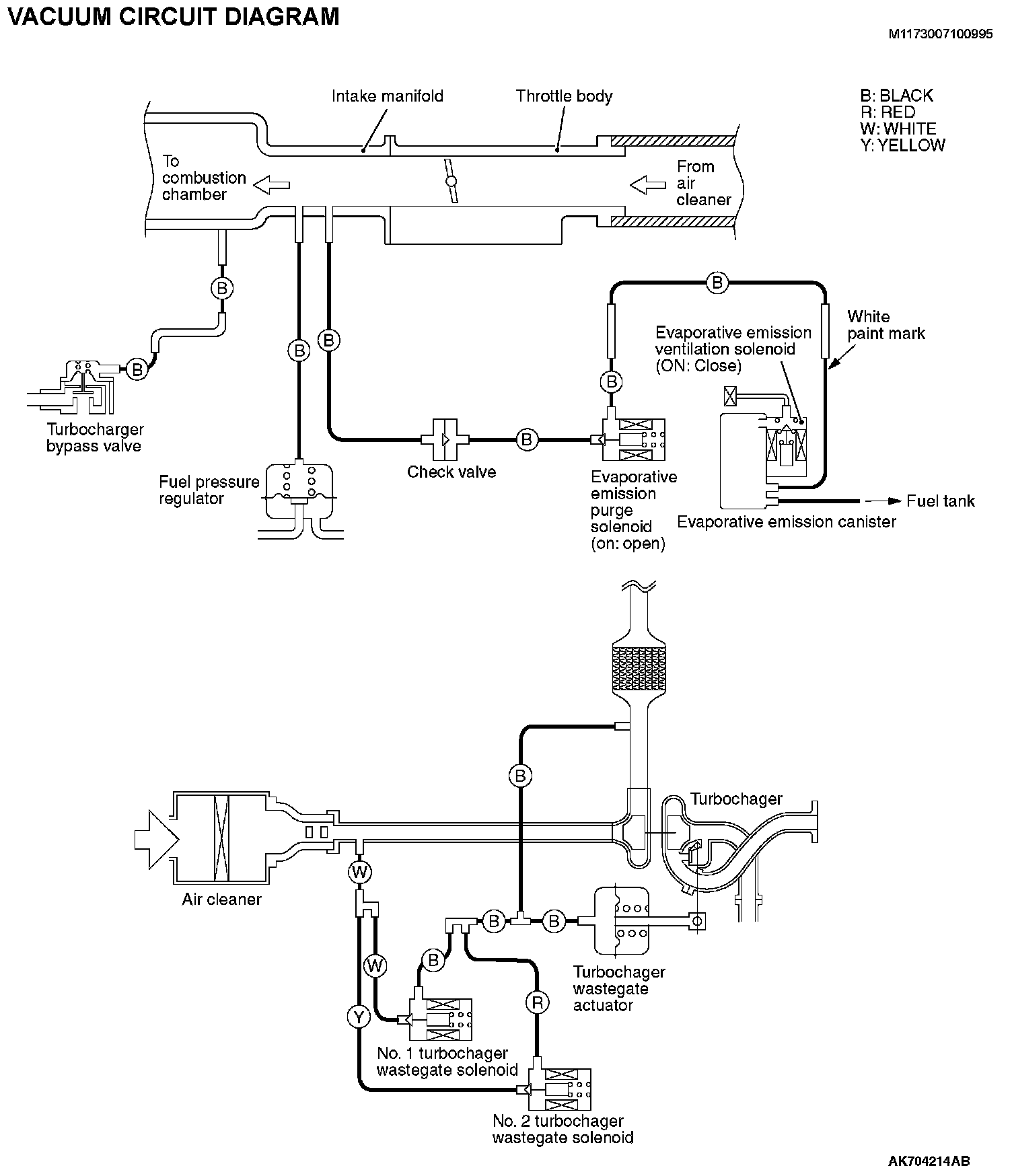
Emission Control Systems: Diagrams
Vacuum Hoses Routing:
Vacuum Circuit Diagram: