Curiosii for ever!: Car repair manuals for everyone.

Inspection Procedure 24

Inspection Procedure 24: Ignition Switch-ST System And Starter Relay System

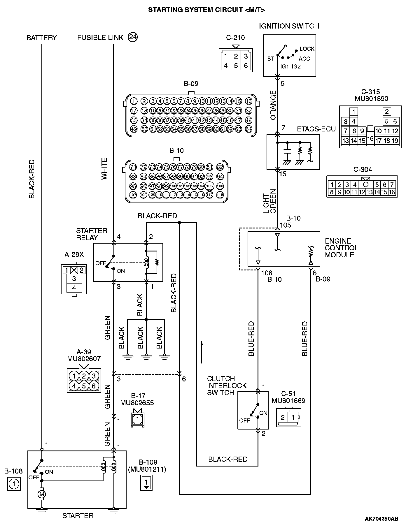
Starting System Circuit <M/T> (Part 1):




Starting System Circuit <M/T> (Part 2):




Starting System Circuit <M/T> (Part 3):






CIRCUIT OPERATION
- If the clutch interlock switch is ON (when the clutch pedal is depressed.) and the ignition switch is turned to "START" position, battery positive voltage is supplied to starter relay coil. With this, the starter relay turns "ON" the battery positive voltage is supplied to the starter motor (terminal No. 1) from the battery.

COMMENT
- Faulty starting system and the related circuit are suspected to be the causes.

TROUBLESHOOTING HINTS (The most likely causes for this case:)
- Battery failed
- Malfunction of the starter motor relay.
- Malfunction of the starter motor.
- Open circuit or short circuit in the starting system or the related circuit or poor contact in the connectors
- Malfunction of the clutch interlock switch.
- Malfunction of the ECM

DIAGNOSIS

Required Special Tools:
- MB991958: Scan Tool (M.U.T.-III Sub Assembly)
- MB991824: V.C.I.
- MB991827: USB Cable
- MB991910: Main Harness A

STEP 1. Using scan tool MB991958, check data list item 79: Cranking signal.

CAUTION: To prevent damage to scan tool MB991958, always turn the ignition switch to the "LOCK" (OFF) position before connecting or disconnecting scan tool MB991958.

1. Connect scan tool MB991958 to the data link connector.
2. Turn the ignition switch to the "ON" position.




3. Set scan tool MB991958 to the data reading mode for item 79, Cranking Signal.
- When the engine is stopped, "OFF" will be displayed.
- When the engine is cranked, "ON" will be displayed.

4. Turn the ignition switch to the "LOCK" (OFF) position.

Q: Is the operating properly?

YES : Go to Step 9.

NO : Go to Step 2.

STEP 2. Check harness connector C-304, C-315 at ETACS-ECU connector for damage.

Q: Is the connector in good condition?

YES : Go to Step 3.

NO : Repair or replace it. Refer to General (Electrical), Harness Connector Inspection. Then confirm that the malfunction symptom is eliminated.

STEP 3. Measure the ignition switch-ST signal voltage at ETACS-ECU harness side connector C-315.

1. Disconnect the connector C-315 and measure at the harness side.




2. Turn the ignition switch to the "START" position.
3. Measure the voltage between terminal No. 7 and ground.
- Voltage should be battery positive voltage

4. Turn the ignition switch to the "LOCK" (OFF) position.

Q: Is battery positive voltage (approximately 12 volts) present?

YES : Go to Step 6.

NO : Go to Step 4.

STEP 4. Check harness connector C-210 ignition switch connector for damage.

Q: Is the connector in good condition?

YES : Go to Step 5.

NO : Repair or replace it. Refer to General (Electrical), Harness Connector Inspection. Then confirm that the malfunction symptom is eliminated.

STEP 5. Check the ignition switch

Refer to Chassis Electrical, Ignition Switch - Inspection - Ignition Switch Continuity Check.

Q: Are there any abnormalities?

YES : Replace the Ignition Switch. Then confirm that the malfunction symptom is eliminated.

NO : Repair harness wire between Ignition Switch connector C-210 (terminal No. 5) and ETACS-ECU connector C-315 (terminal No. 7) because of open circuit or short circuit to ground. Then confirm that the malfunction symptom is eliminated

STEP 6. Check for harness damage between ignition switch connector C-210 (terminal No. 5) and ETACS-ECU connector C-315 (terminal No. 7).

Q: Is the harness wire in good condition?

YES : Go to Step 7.

NO : Repair it. Then confirm that the malfunction symptom is eliminated.

STEP 7. Check for continuity at ETACS-ECU side connector C-304 and C-315.




1. Disconnect the connector C-304, C-315 and measure at the ETACS-ECU side.
2. Measure the resistance between connector C-304 (terminal No. 15) and connector C-315 (terminal No. 7).
- Should be less than 2 ohms

Q: Is the harness wire in good condition?

YES : Go to Step 8.

NO : Replace the ETACS-ECU. Then confirm that the malfunction symptom is eliminated.

STEP 8. Check harness connector B-10 ECM connector for damage.

Q: Is the connector in good condition?

YES : Repair harness wire between ETACS-ECU connector C-304 (terminal No. 15) and ECM connector B-10 (terminal No. 105) because of open circuit or short circuit to ground or harness damage. Then confirm that the malfunction symptom is eliminated.

NO : Repair or replace it. Refer to General (Electrical), Harness Connector Inspection. Then confirm that the malfunction symptom is eliminated.

STEP 9. Check harness connector A-28X at starter relay connector for damage.

Q: Is the connector in good condition?

YES : Go to Step 10.

NO : Repair or replace it. Refer to General (Electrical), Harness Connector Inspection. Then confirm that the malfunction symptom is eliminated.

STEP 10. Check the starter relay.

1. Remove the starter relay.




2. Check for continuity between the starter relay terminals No. 1 and No. 2.
- There should be continuity.




3. Use jumper wires to connect starter relay terminal No. 2 to the positive battery terminal and terminal No. 1 to the negative battery terminal.

4. Check for continuity between the starter relay terminals No. 3 and No. 4 while connecting and disconnecting the jumper wire at the negative battery terminal.
- Should be less than 2 ohms. (Negative battery terminal connected)
- Should be open loop. (Negative battery terminal disconnected)

5. Install the starter relay.

Q: Is the measured resistance within the specified range?

YES : Go to Step 11.

NO : Replace the starter relay. Then confirm that the malfunction symptom is eliminated.

STEP 11. Check for continuity at starter relay harness side connector A-28X.

1. Disconnect the connector A-28X and measure at the harness side.




2. Check for the continuity between terminal No. 1 and ground.
- Should be less than 2 ohms.

Q: Does continuity exist?

YES : Go to Step 12.

NO : Repair harness wire between starter relay connector A-28X (terminal No. 1) and ground because of open circuit or harness damage. Then confirm that the malfunction symptom is eliminated.

STEP 12. Measure the power supply voltage at starter relay harness side connector A-28X.

1. Disconnect the connector A-28X and measure at the harness side.
2. Turn the ignition switch to the "START" position.




3. Measure the voltage between terminal No. 2 and ground.
- Voltage should be battery positive voltage

4. Turn the ignition switch to the "LOCK" (OFF) position.

Q: Is battery positive voltage (approximately 12 volts) present?

YES : Go to Step 20.

NO : Go to Step 13.

STEP 13. Check harness connector C-51 at clutch interlock switch connector for damage.

Q: Is the connector in good condition?

YES : Go to Step 14.

NO : Repair or replace it. Refer to General (Electrical), Harness Connector Inspection. Then confirm that the malfunction symptom is eliminated.

STEP 14. Check the clutch interlock switch.

Refer to Clutch, Clutch Pedal Check and Master Cylinder - Inspection - Interlock Switch Operating Check.

Q: Are there any abnormalities?

YES : Repair or replace it. Then confirm that the malfunction symptom is eliminated.

NO : Go to Step 15.

STEP 15. Measure the power supply voltage at clutch interlock switch harness side connector C-51.

1. Disconnect the connector C-51 and measure at the harness side.
2. Turn the ignition switch to the "START" position.




3. Measure the voltage between terminal No. 1 and ground.
- Voltage should be battery positive voltage

4. Turn the ignition switch to the "LOCK" (OFF) position.

Q: Is battery positive voltage (approximately 12 volts) present?

YES : Go to Step 18.

NO : Go to Step 16.

STEP 16. Check harness connector B-10 at ECM connector for damage.

Q: Is the connector in good condition?

YES : Go to Step 17.

NO : Repair or replace it. Refer to General (Electrical), Harness Connector Inspection. Then confirm that the malfunction symptom is eliminated.

STEP 17. Check for open circuit and short circuit to ground between ECM connector B-10 (terminal No. 106) and clutch interlock switch connector C-51 (terminal No. 1).

Q: Is the harness wire in good condition?

YES : Replace the ECM. When the ECM is replaced, register the ID code. Refer to Keyless Operation System (KOS), Diagnosis - ID Code Registration Judgment Table or Wireless Control Module, Diagnosis - ID Codes Registration Judgment Table . Then confirm that the malfunction symptom is eliminated.

NO : Repair it. Then confirm that the malfunction symptom is eliminated.

STEP 18. Check for open circuit and short circuit to ground between clutch interlock switch connector C-51 (terminal No. 2) and starter relay A-28X (terminal No. 2).

Q: Is the harness wire in good condition?

YES : Go to Step 19.

NO : Repair it. Then confirm that the malfunction symptom is eliminated.

STEP 19. Check harness connector B-09 at ECM connector for damage.

Q: Is the connector in good condition?

YES : Check harness connector A-39 at intermediate connector for damage, and repair or replace as required. Refer to, General (Electrical), Harness Connector Inspection. If intermediate connector is in good condition, repair harness wire between ECM connector B-09 (terminal No. 6) and starter relay connector A-28X (terminal No. 2) because of short circuit to ground. Then confirm that the malfunction symptom is eliminated.

NO : Repair or replace it. Refer to General (Electrical), Harness Connector Inspection. Then confirm that the malfunction symptom is eliminated.

STEP 20. Check harness connector B-109 at starter connector for damage.

Q: Is the connector in good condition?

YES : Go to Step 21.

NO : Repair or replace it. Refer to General (Electrical), Harness Connector Inspection. Then confirm that the malfunction symptom is eliminated.

STEP 21. Measure the power supply voltage at starter harness side connector B-109.

1. Disconnect the connector B-109 and measure at the harness side.
2. Turn the ignition switch to the "START" position.




3. Measure the voltage between terminal No. 1 and ground.
- Voltage should be battery positive voltage

4. Turn the ignition switch to the "LOCK" (OFF) position.

Q: Is battery positive voltage (approximately 12 volts) present?

YES : Go to Step 26.

NO : Go to Step 22.

STEP 22. Measure the power supply voltage at starter relay harness side connector A-28X.

1. Disconnect the connector A-28X and measure at the harness side.




2. Measure the voltage between terminal No. 4 and ground.
- Voltage should be battery positive voltage

Q: Is battery positive voltage (approximately 12 volts) present?

YES : Go to Step 23.

NO : Repair harness wire between fusible link (24) and starter relay connector A-28X (terminal No. 4) because of open circuit or short circuit to ground. Then confirm that the malfunction symptom is eliminated.

STEP 23. Check for open circuit and short circuit to ground between starter relay connector A-28X (terminal No. 3) and starter connector B-109 (terminal No. 1)

NOTE:
Check harness after checking intermediate connector A-39, B-17. If intermediate connector is damaged, repair or replace it. After to General (Electrical), Harness Connector Inspection. Then check that the malfunction is eliminated.

Q: Is the harness wire in good condition?

YES : Go to Step 24.

NO : Repair it. Then confirm that the malfunction symptom is eliminated.

STEP 24. Check harness connector B-10 at ECM connector and harness connector C-51 at clutch interlock switch connector for damage.

Q: Is the connector in good condition?

YES : Go to Step 25.

NO : Repair or replace it. Refer to General (Electrical), Harness Connector Inspection. Then confirm that the malfunction symptom is eliminated.

STEP 25. Check for harness damage between ECM connector B-10 (terminal No. 106) and clutch interlock switch connector C-51 (terminal No. 2).

Q: Is the harness wire in good condition?

YES : Repair harness wire between clutch interlock switch connector C-51 (terminal No. 2) and starter relay connector A-28X (terminal No. 2) because of harness damage. Then confirm that the malfunction symptom is eliminated.

NO : Repair it. Then confirm that the malfunction symptom is eliminated.

STEP 26. Check for harness damage between starter relay connector A-28X (terminal No. 3) and starter connector B-109 (terminal No. 1)

NOTE: Check harness after checking intermediate connector A-39, B-17. If intermediate connector is damaged, repair or replace it. After to General (Electrical), Harness Connector Inspection. Then check that the malfunction is eliminated.

Q: Is the harness wire in good condition?

YES : Go to Step 27.

NO : Repair it. Then confirm that the malfunction symptom is eliminated.

STEP 27. Check for harness damage between fusible link (24) and starter relay connector A-28X (terminal No. 4)

Q: Is the harness wire in good condition?

YES : Go to Step 28.

NO : Repair it. Then confirm that the malfunction symptom is eliminated.

STEP 28. Check harness connector B-108 at starter connector for damage.

Q: Is the connector in good condition?

YES : Go to Step 29.

NO : Repair or replace it. Refer to General (Electrical), Harness Connector Inspection. Then confirm that the malfunction symptom is eliminated.

STEP 29. Check for open circuit and short circuit to ground and harness damage between battery and starter connector B-108 (terminal No. 1)

Q: Is the harness wire in good condition?

YES : Replace the starter.

NO : Repair it. Then confirm that the malfunction symptom is eliminated.