Curiosii for ever!
: Car repair manuals for everyone.
Home
>>
Mitsubishi
>>
2008
>>
Eclipse L4-2.4L (4G69)
>>
Repair and Diagnosis
>>
Diagrams
>>
Exploded Views
>>
Automatic Transmission/Transaxle
>>
Disassembly and Assembly
>>
F5A5A
F5A5A
TRANSAXLE
DISASSEMBLY AND ASSEMBLY
Transaxle Exploded View (Part 1):
Transaxle Exploded View (Part 2):
Transaxle Exploded View (Part 3):
Transaxle Exploded View (Part 4):
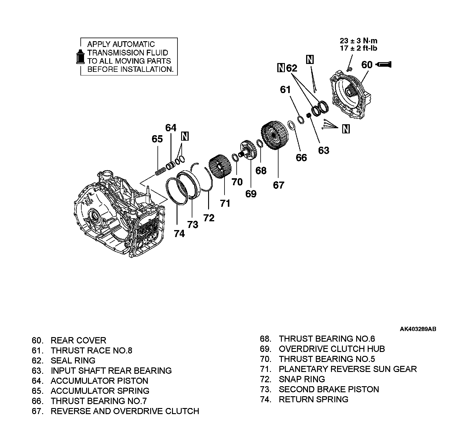
Transaxle Exploded View (Part 5):