Curiosii for ever!
: Car repair manuals for everyone.
Home
>>
Mitsubishi
>>
2007
>>
Galant L4-2.4L (4G69)
>>
Repair and Diagnosis
>>
Diagrams
>>
Exploded Views
>>
Automatic Transmission/Transaxle
>>
F5A5A
>>
Disassembly and Assembly
Disassembly and Assembly
Steps 1-12:
Steps 13-31:
Steps 32-59:
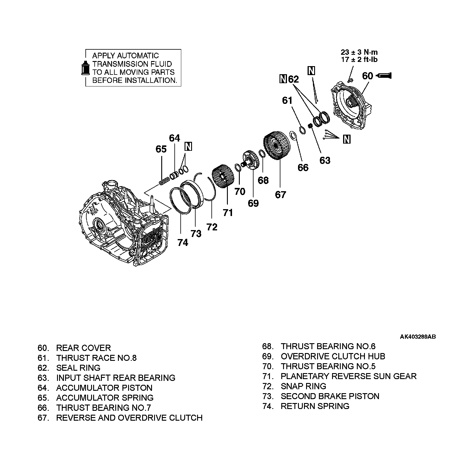
Steps 60-74:
Steps 75-98: