Curiosii for ever!: Car repair manuals for everyone.

Inspection Procedure 32

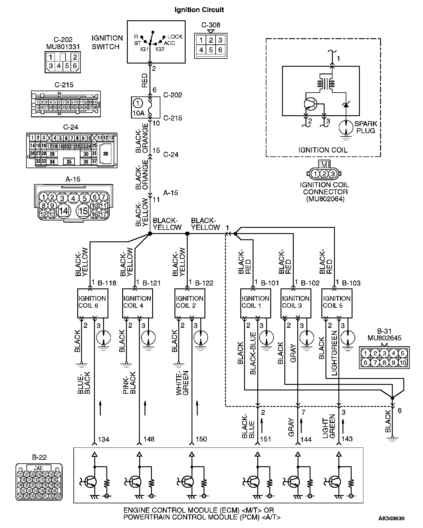
INSPECTION PROCEDURE 32: Ignition Circuit System.

Ignition Circuit Part 1:




Ignition Circuit Part 2:






CIRCUIT OPERATION
- The ignition coil is energized by battery positive voltage from the ignition switch.
- When the ECM or the PCM turns off its internal power transistor, battery positive voltage is applied to the ignition power transistor (terminal No. 3) inside the ignition coil, causing the ignition power transistor to be turned on.
- If the ignition power transistor is turned on, the primary circuit of the ignition coil is energized by grounding the ignition coil through terminal No. 2, causing the primary current to flow to the ignition coil.

TROUBLESHOOTING HINTS (The most likely causes for this case)
- Malfunction of the ignition coil.
- Malfunction of the ignition power transistor.
- Improper connector contact, open circuit or short-circuit harness wire.
- Malfunction of the ECM or the PCM .

DIAGNOSIS

STEP 1. Check the
ignition coil.

1. Remove the intake manifold.
2. Refer to Ignition System - On-vehicle service - Ignition Coil Check.

Q: Are there any abnormalities?

YES: Replace the ignition coil. Then confirm that the malfunction symptom is eliminated.

NO: Go to Step 2.




STEP 2. Check harness connectors B-101, B-102, B-103, B-118, B-121, B-122 at ignition coil for damage.

Q: Is the harness connector in good condition?

YES: Go to Step 3.

NO: Repair or replace it. Then confirm that the malfunction symptom is eliminated.

STEP 3. Measure the power supply voltage at ignition coil connectors B-101, B-102, B-103, B-118, B-121, B-122.




1. Disconnect the connector B-101, B-102, B-103, B-118, B-121 and B-122 measure at the harness side.
2. Turn the ignition switch to the "ON" position.




3. Measure the voltage between terminal No. 1 and ground.
- Voltage should be battery positive voltage.

4. Turn the ignition switch to the "LOCK" (OFF) position.

Q: Is battery positive voltage (approximately 12 volts) present?

YES: Go to Step 4.

NO: Check the connectors A-15, C-24, C-215, C-202 and C-308 at intermediate connectors for damage, and repair or replace as required. If intermediate connectors are in good condition, repair harness wire between ignition switch connector C-308 (terminal No. 2) and ignition coil connectors B-101, B-102, B-121 and B-122 (terminal No. 1) because of open circuit. Then confirm that the malfunction symptom is eliminated.

STEP 4. Check the circuit at ignition coil harness side connectors B-101, B-102, B-103, B-118, B-121, B-122.




1. Disconnect the connectors B-101, B-102, B-103, B-118, B-121, B-122 and measure at the harness side.
2. Crank the engine.




3. Measure the voltage between terminal No. 3 and ground.

NOTE: The average voltage through an analog voltmeter is described in this service manual (because the average voltage is too stable to be shown on a digital voltmeter).

- Voltage should be 0.3 and 3.0 volts.

4. Turn the ignition switch to the "LOCK" (OFF) position.

Q: Is the measured voltage between 0.3 and 3. 0 volts?

YES: Go to Step 7.

NO: Go to Step 5.




STEP 5. Check connector B-22 at ECM or PCM for damage.

Q: Is the connector in good condition?

YES: Go to Step 6.

NO: Repair or replace it. Then confirm that the malfunction symptom is eliminated.







STEP 6. Check for open circuit and short circuit to ground between
ignition coil connector and ECM or PCM connector.

NOTE: Check harness after checking intermediate connector B-31. If intermediate connector is damaged, repair or replace it. Then confirm that the malfunction symptom is eliminated.

a. Check the harness wire between
ignition coil connector B-101 (terminal No. 3) and ECM or PCM connector B-22 (terminal No. 151) at ignition coil 1.
b. Check the harness wire between
ignition coil connector B-122 (terminal No. 3) and ECM or PCM connector B-22 (terminal No. 150) at ignition coil 2.
c. Check the harness wire between
ignition coil connector B-102 (terminal No. 3) and ECM or PCM connector B-22 (terminal No. 144) at ignition coil 3.
d. Check the harness wire between
ignition coil connector B-121 (terminal No. 3) and ECM or PCM connector B-22 (terminal No. 148) at ignition coil 4.
e. Check the harness wire between
ignition coil connector B-103 (terminal No. 3) and ECM or PCM connector B-22 (terminal No. 143) at ignition coil 5.
f. Check the harness wire between
ignition coil connector B-118 (terminal No. 3) and ECM or PCM connector B-22 (terminal No. 134) at ignition coil 6.

Q: Is the harness wire in good condition?

YES: Replace the ECM or the PCM. When the ECM or the PCM is replaced, register the encrypted code. Then confirm that the malfunction symptom is eliminated.

NO: Repair it. Then confirm that the malfunction symptom is eliminated.







STEP 7. Check for harness damage between
ignition coil connector and ECM or PCM connector.

NOTE: Check harness after checking intermediate connector B-31. If intermediate connector is damaged, repair or replace it. Then confirm that the malfunction symptom is eliminated.

a. Check the harness wire between
ignition coil connector B-101 (terminal No. 3) and ECM or PCM connector B-22 (terminal No. 151) at ignition coil 1.
b. Check the harness wire between
ignition coil connector B-122 (terminal No. 3) and ECM or PCM connector B-22 (terminal No. 150) at ignition coil 2.
c. Check the harness wire between
ignition coil connector B-102 (terminal No. 3) and ECM or PCM connector B-22 (terminal No. 144) at ignition coil 3.
d. Check the harness wire between
ignition coil connector B-121 (terminal No. 3) and ECM or PCM connector B-22 (terminal No. 148) at ignition coil 4.
e. Check the harness wire between
ignition coil connector B-103 (terminal No. 3) and ECM or PCM connector B-22 (terminal No. 143) at ignition coil 5.
f. Check the harness wire between
ignition coil connector B-118 (terminal No. 3) and ECM or PCM connector B-22 (terminal No. 134) at ignition coil 6.

Q: Is the harness wire in good condition?

YES:
Replace the ECM or the PCM. When the ECM or the PCM is replaced, register the encrypted code. Then confirm that the malfunction symptom is eliminated.

NO: Repair it. Then confirm that the malfunction symptom is eliminated.