Curiosii for ever!: Car repair manuals for everyone.

Removal and Replacement

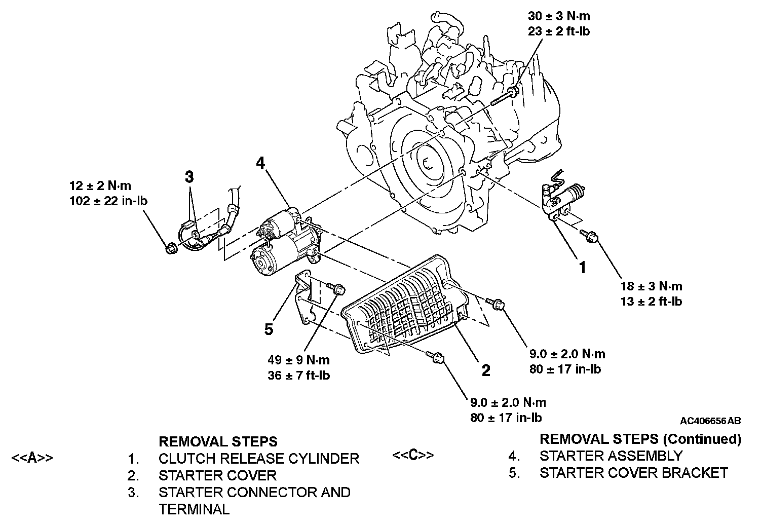
STARTER MOTOR ASSEMBLY

REMOVAL AND INSTALLATION <2.4L ENGINE>

Pre-Removal & Post-Installation Operation:




Removal Steps 1-5:






Pre-Removal & Post-Installation Operation:




Removal Steps 1-5:






REMOVAL SERVICE POINTS

<
> CLUTCH RELEASE CYLINDER REMOVAL
With the pipe installed, remove the clutch release cylinder from the transaxle assembly.

<> ATF WARMER (TRANSMISSION FLUID COOLER) AND BRACKET ASSEMBLY REMOVAL
With the hose installed, remove the ATF warmer (transmission fluid cooler) and bracket assembly from the transmission case front roll stopper bracket.




<> STARTER ASSEMBLY REMOVAL
Remove the starter assembly from above vehicle.




<> STARTER ASSEMBLY
REMOVAL
Remove the starter assembly from the side of ATF warmer (transmission fluid cooler).