Curiosii for ever!: Car repair manuals for everyone.

Condenser HVAC: Service and Repair

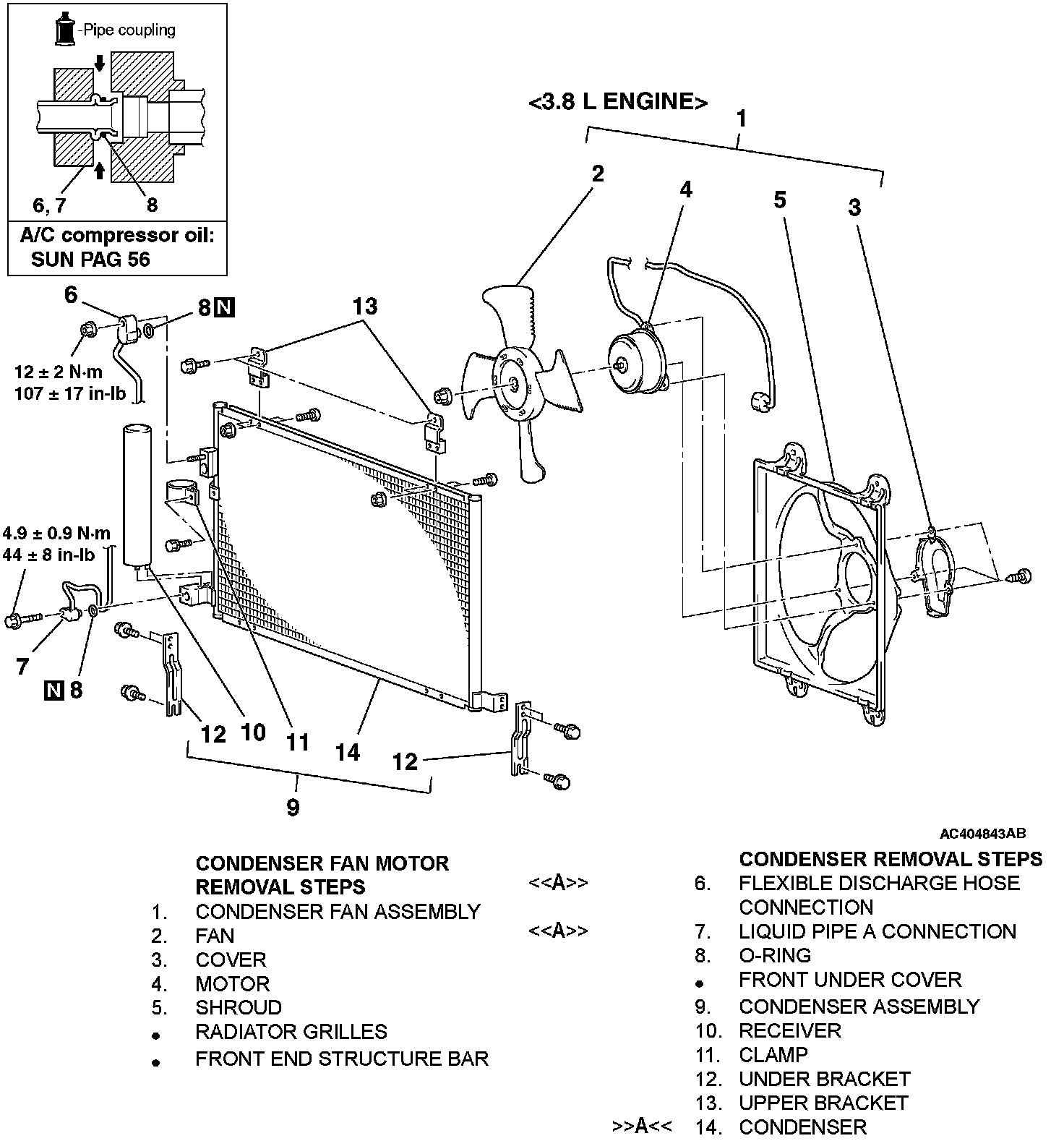
CONDENSER AND CONDENSER FAN MOTOR

Pre-Removal And Post-Installation Operation:




Removal Steps 1 - 14:




REMOVAL AND INSTALLATION

REMOVAL SERVICE POINTS

<> FLEXIBLE DISCHARGE HOSE AND LIQUID PIPE A DISCONNECTION

CAUTION: As the compressor oil and receiver are highly moisture absorbent, use a non-porous material to plug the hose and nipples.

To prevent the entry of dust or other foreign bodies, plug the dismantled hose and condenser assembly nipples.

INSTALLATION SERVICE POINT

>>A<< CONDENSER INSTALLATION
When replacing the condenser, refill it with a specified amount of compressor oil and install it to the vehicle.

Compressor oil: SUN PAG 56
Quantity: 15 cubic.cm (0.5 fl.oz)