Curiosii for ever!: Car repair manuals for everyone.

Controller Area Network (CAN) - A/T

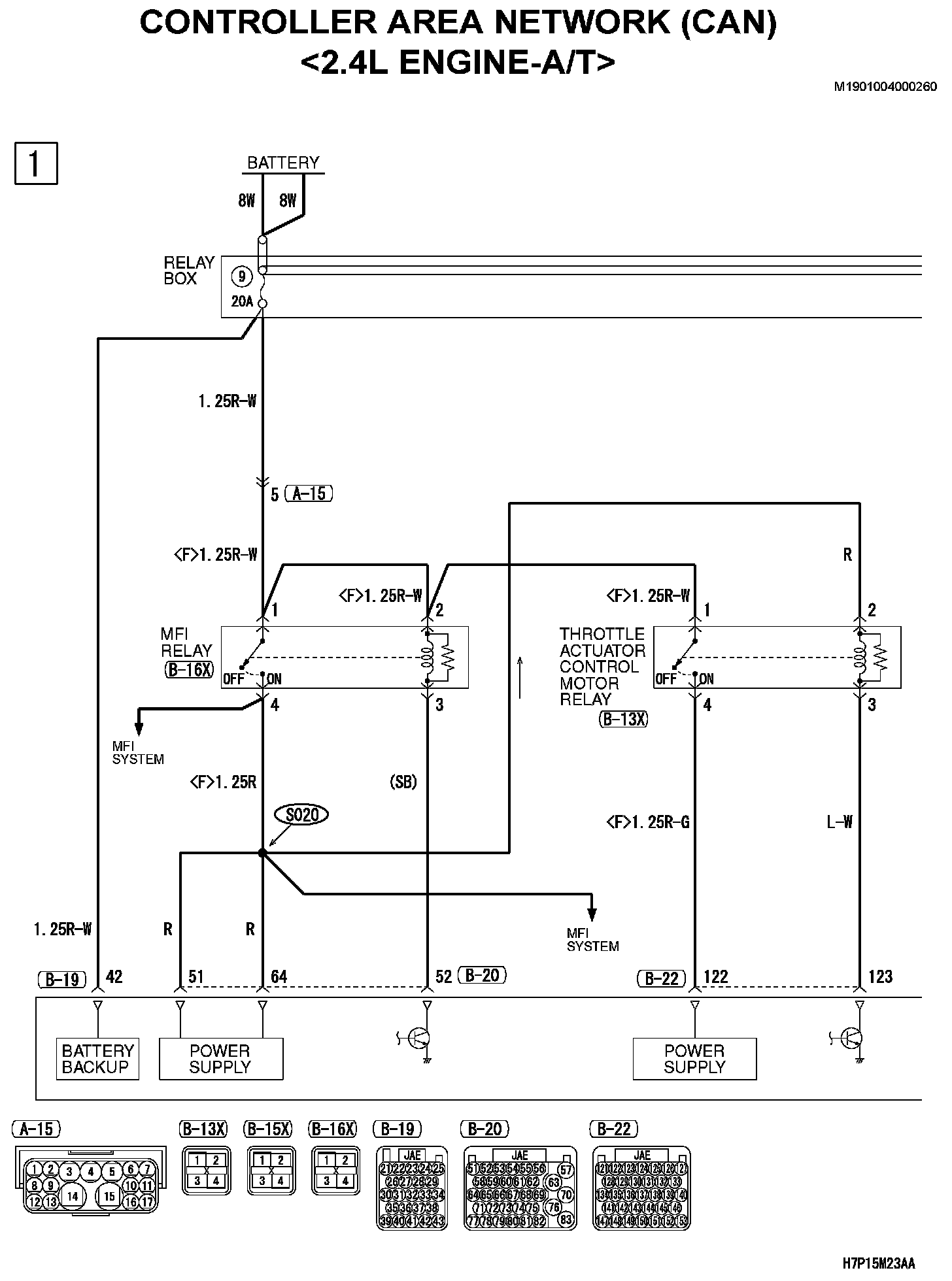
Controller Area Network (CAN) (Part 1):




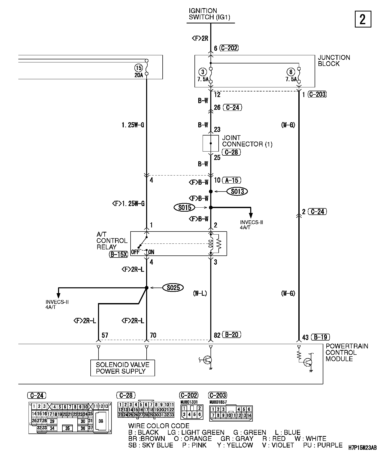
Controller Area Network (CAN) (Part 2):




Controller Area Network (CAN) (Part 3):




Controller Area Network (CAN) (Part 4):




Controller Area Network (CAN) (Part 5):




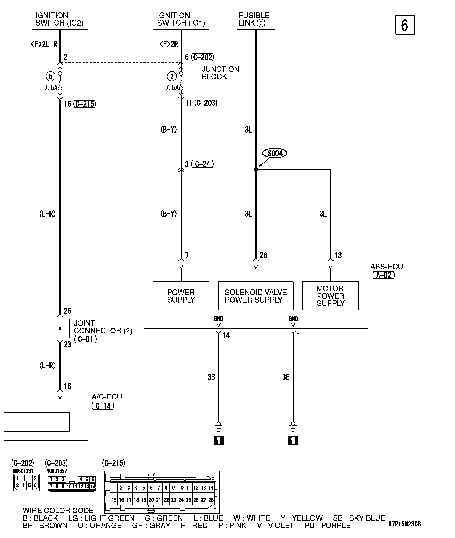
Controller Area Network (CAN) (Part 6):




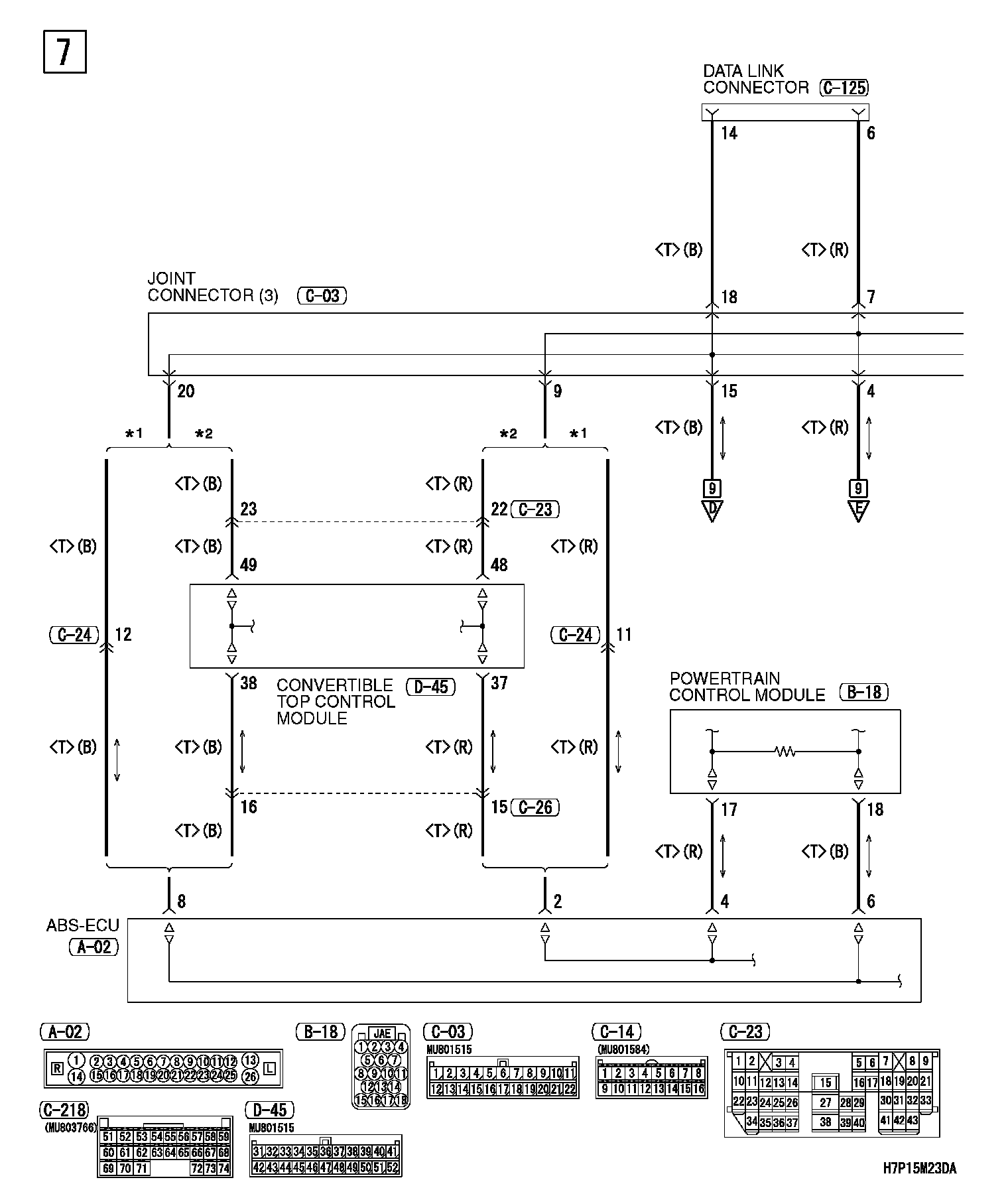
Controller Area Network (CAN) (Part 7):




Controller Area Network (CAN) (Part 8):




Controller Area Network (CAN) (Part 9):






Connector/Component Locations: The locations of connectors and components referred to within these diagrams can be found via the connector number at Vehicle Connector Locations. Connector Locations

Splice Locations: The locations of Splices referred to within these diagrams can be found via the splice number at Vehicle Splice Locations. Splice Locations

Ground Locations: The locations of grounds referred to within these diagrams can be found via the ground number at Vehicle Ground Locations. Ground Locations