Curiosii for ever!: Car repair manuals for everyone.

Part 3

HEADLIGHT AND TAILLIGHT




GENERAL DESCRIPTION CONCERNING THE HEADLIGHTS AND TAILLIGHTS
The given ECUs affect the functions and control of the headlights and the taillights.




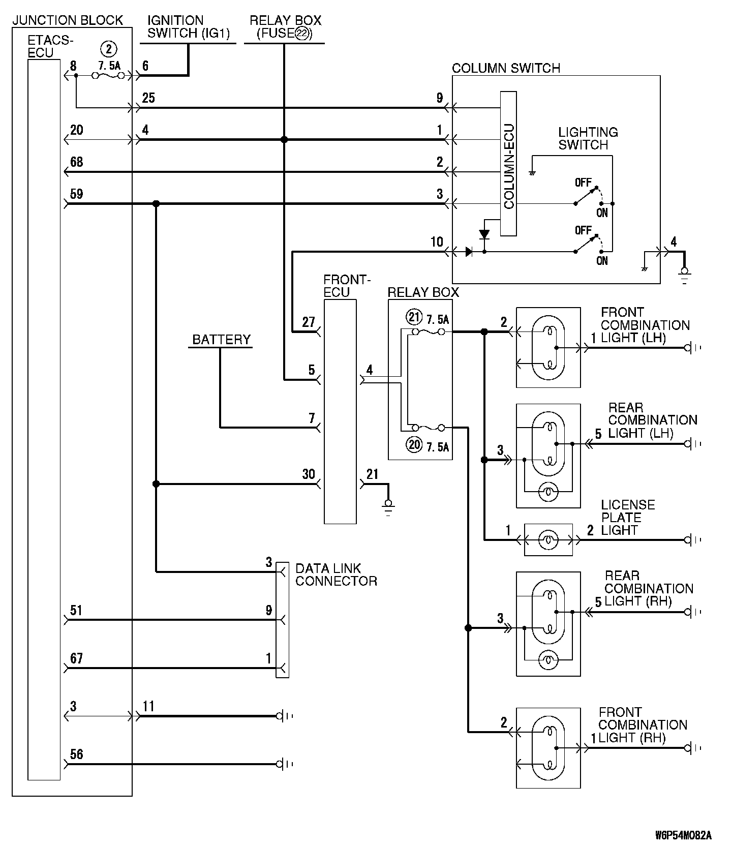
TAILLIGHTS
If the column switch sends a taillight switch "ON" signal to the front-ECU, the front-ECU turns on its taillight relay, causing the taillights to illuminate.

NOTE: This description covers the taillights only. In actual driving, the taillights may be turned off due to the headlight automatic shut-off function.

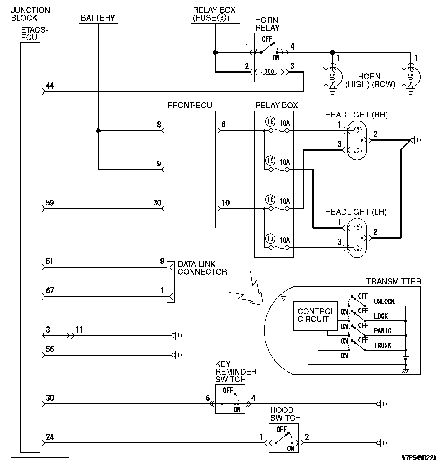
Headlights:




Headlights
If the column switch sends a headlight switch "ON" signal to the front-ECU, the front-ECU turns on its headlight relay (LOW), causing the low-beam headlights to illuminate. If the dimmer switch is turned on while the headlight relay (LOW) is on, the front-ECU turns on the headlight relay (HIGH), causing the high-beam headlights to illuminate.

NOTE: This description covers the headlights only. In actual driving, the headlights may be turned off due to the headlight automatic shut-off function.




HEADLIGHT AUTOMATIC-SHUTOFF FUNCTION
Even if the lighting switch (taillights switch or headlight switch) is ON, the headlight (including the taillights) will automatically go off in the following conditions to prevent the battery from discharging as a result of forgetting to turn off lights.

When the ignition key is turned from "ON" to "LOCK" (OFF) or "ACC" position with the lighting switch turned ON, and this state continues for three minutes, the light will automatically be turned off. If the driver's door is opened during these three minutes, the light will go off one second later.

HIGH-BEAM INDICATOR
At the same time that the high-beams are illuminated, the ETACS-ECU sends a signal to illuminate the high-beam indicator via the CAN bus line. The combination meter receives the transmitted signal and turns the high-beam indicator on and off.

Daytime Running Light Function:




Daytime running light function
The ETACS-ECU outputs the daytime running light forced-OFF signal to the front-ECU based on the input signal sent via CAN communication. The front-ECU controls illumination and extinction of the daytime running light according to the daytime running light forced-OFF signal.

Illumination control of daytime running lights
- If the engine is started when the parking brake is not pulled, the headlights illuminate with the brightness reduced.
- If the engine is started while the parking brake is pulled, the daytime running light function OFF mode is entered and the headlights do not illuminate. If the parking brake is released, the OFF mode is cancelled and the headlights illuminate.

General Circuit Diagram For The Taillights:




General circuit diagram for the taillights

General Circuit Diagram For The Headlights Part 1:




General Circuit Diagram For The Headlights Part 2:




General circuit diagram for the headlights

FLASHER TIMER




GENERAL DESCRIPTION CONCERNING THE FLASHER TIMER
The given ECUs affect the functions and control of the flasher timer.




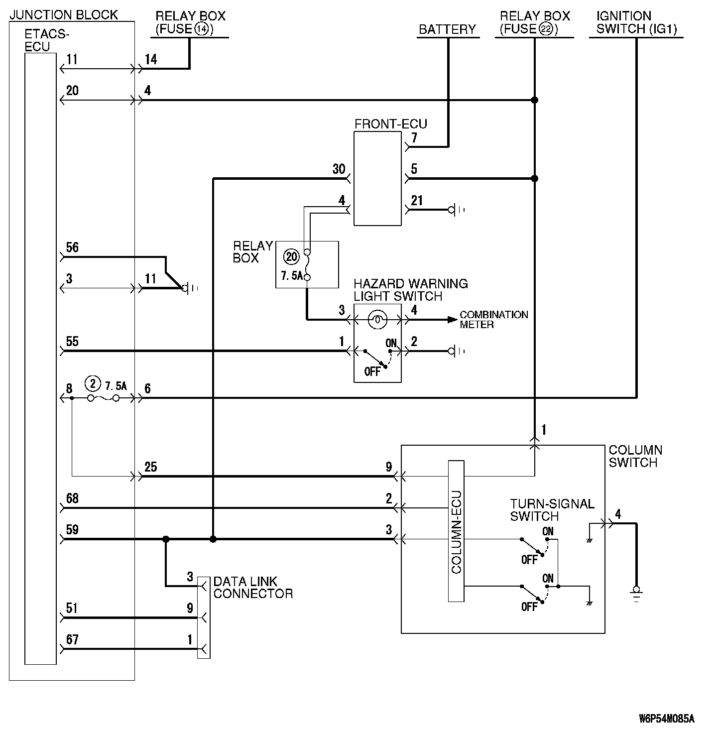
TURN-SIGNAL LIGHT
The turn-signal light output (flashing signal) is turned ON when the ignition switch is ON and the turn-signal light switch is ON (LH or RH). If the front or rear turn-signal light bulb has burned out, the flashing speed increases to indicate that the bulb has burned out.




HAZARD WARNING LIGHT
Detects the signal where the hazard warning light switch input changes from OFF to ON, and reverses the flashing state according to this signal. The hazard warning lights toggle on and off whenever the hazard warning light switch is operated.

NOTE: The hazard warning light switch is a push-return type toggle switch.

TURN-SIGNAL INDICATORS
At the same time that the turn-signal lights are illuminated, the ETACS-ECU sends a signal to illuminate the turn-signal light indicator via the CAN bus line. The combination meter receives the transmitted signal and turns the turn-signal light indicator on and off.

General Circuit Diagram For The Turn-signal Light And Hazard Light Part 1:




General Circuit Diagram For The Turn-signal Light And Hazard Light Part 2:




General circuit diagram for the turn-signal light and hazard light

FOG LIGHT




GENERAL DESCRIPTION CONCERNING THE FRONT FOG LIGHTS
The given ECUs affect the functions and control of the front fog lights.

Front Fog Light:




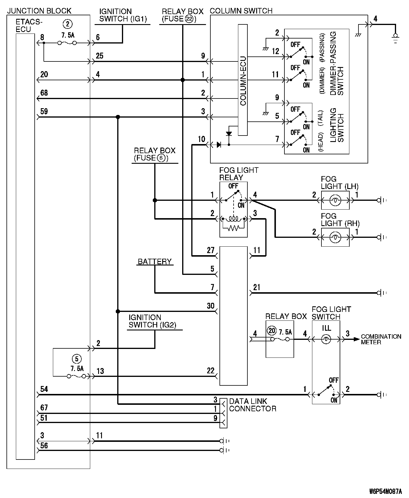
FRONT FOG LIGHT
The front fog lights will illuminate only when the front fog light switch is operated while the low-beam headlights are on.

The front fog lights will be switched off when any of the following conditions are met. The front fog lights will also be switched off automatically by headlight automatic shutoff function.
- When the high-beam headlights are switched on, the front fog lights will be switched off. If the low-beam headlights are switched on again, the front fog lights will illuminate again.
- When the headlight switch is turned off or the taillights and headlights are off, the front fog lights will be switched off. If the low-beam headlights are switched on again, the front fog lights will not illuminate again.

FRONT FOG LIGHT INDICATOR
At the same time that the front fog lights are illuminated, the ETACS-ECU sends a signal to illuminate the front fog light indicator via the CAN bus line. The combination meter receives the transmitted signal and turns the front fog light indicator on and off.

General Circuit Diagram For The Front Fog Lights Part 1:




General Circuit Diagram For The Front Fog Lights Part 2:




General circuit diagram for the front fog lights

INTERIOR LIGHT




GENERAL DESCRIPTION CONCERNING THE INTERIOR LIGHT
The given ECUs affect the functions and control of the interior lights.

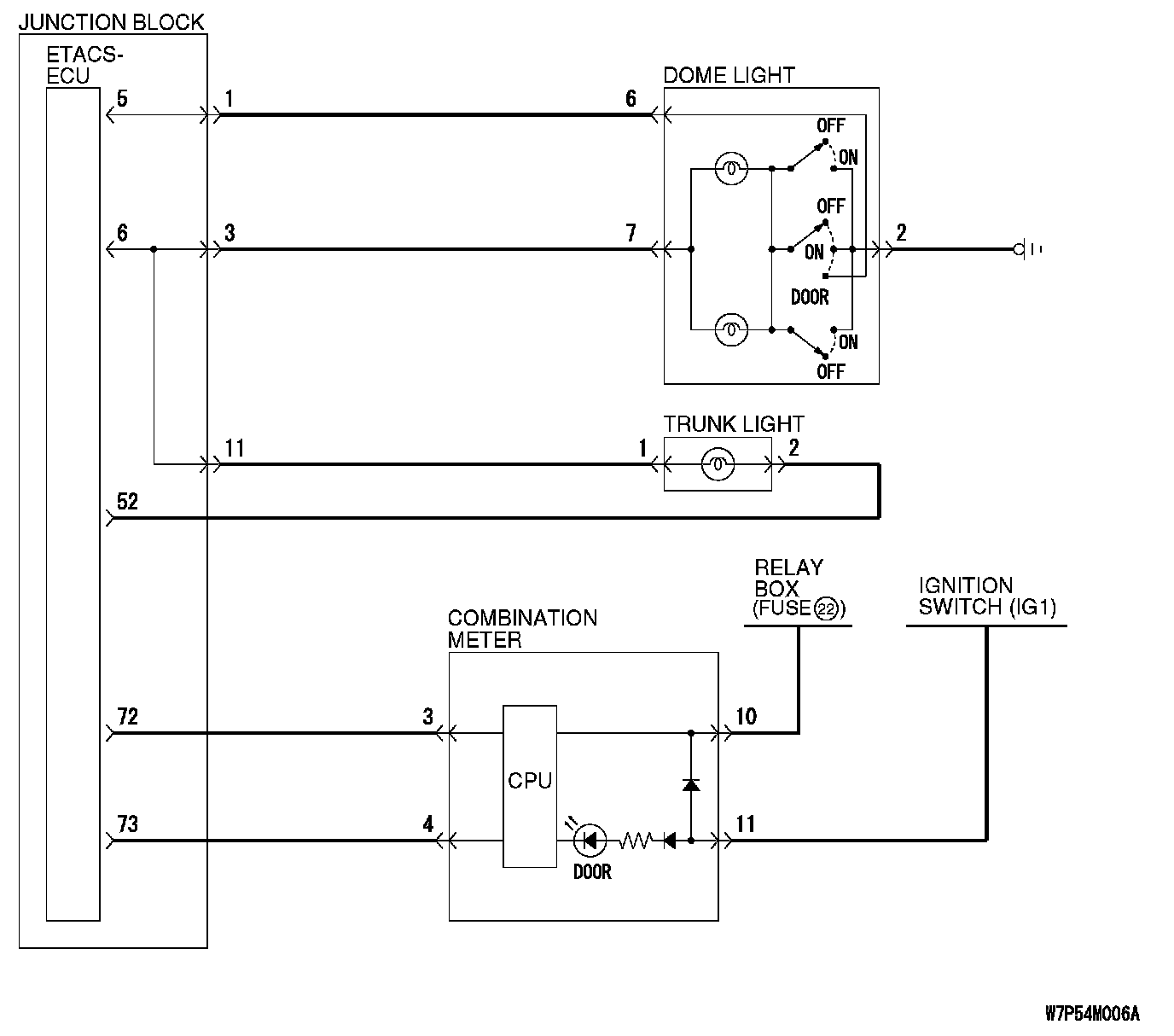
Interior Light Control:




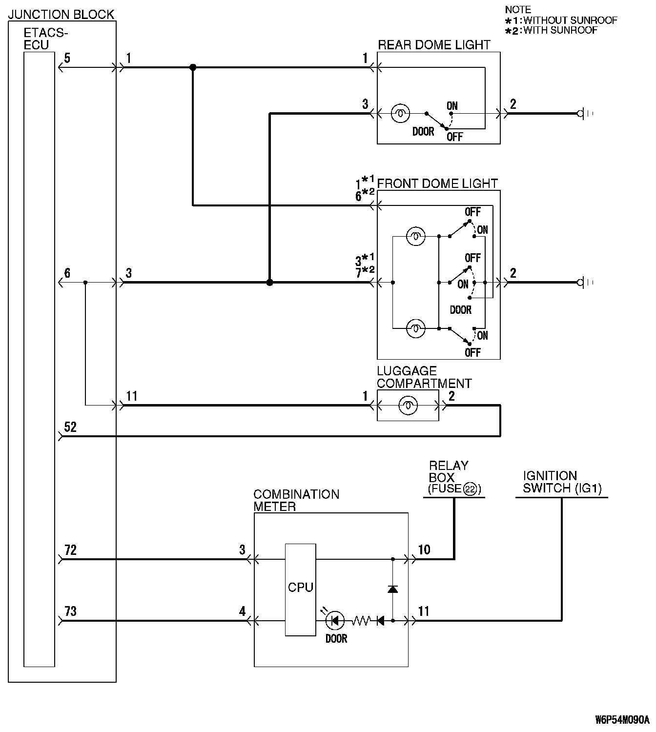
INTERIOR LIGHT CONTROL
The ETACS-ECU controls the interior lights by turning them on and off in the following way:
- When a door is opened with the ignition switch off, the interior lights up to a luminance of 100 percent. When a door is closed, the interior lights dim to a luminance of 65 percent, and go off 30 seconds later. However if the ignition switch is turned ON or if a door is locked while the interior lights are dimming, the dome light will go off at that point.
- When a door is opened with the ignition switch ON, the interior lights up at a luminance of 100 percent. When a door is closed, the interior lights go off.
- When the ignition key is removed with all doors closed, the interior lights up at a luminance of 100 percent, and goes off 30 seconds later. However if the ignition key is inserted again or if a door is locked while the interior lights is lighting, the interior lights will go off at that point.
- To check keyless entry operations more easily, the interior lights flash once when the doors are locked. When the doors are unlocked, the interior lights at a luminance of 100 percent, and go off 15 seconds later.

NOTE: The dotted lines indicate that lighting mode when the ignition switch is turned ON, door is locked, or any door is opened during the timer illumination time.

Interior Light Automatic-shutoff Function:




Interior light automatic-shutoff function
Illuminated interior lights such as the front dome light, etc. (all lights using the dome light fuse as the power supply) will automatically go off in the following conditions to prevent the battery from discharging as a result of forgetting to turn off the lights or incomplete closing of the door.
- When the ignition switch is turned off and more than 30 minutes pass by with the interior light illuminated, the interior lights will go off automatically.
- When the ignition switch is turned off and one of the door switches remains open for 30 minutes continuously, the interior lights will go off automatically.

Seat Belt Indicator:







Seat belt indicator
If any of the following conditions are met with the ignition switch at "ON" or "ST", the ETACS-ECU illuminates or extinguishes the seat belt indicator by using the driver's seat belt switch signal and the vehicle speed signal from the combination meter.
- The seat belt indicator illuminates when the seat belt switch is turned on (driver's seat belt is not fastened) with the ignition switch "ON.
- Flashes and illuminates the indicator 12 cycles (after 0.5 second) if any of the following conditions are met when 60 seconds or more have elapsed since the ignition switch is turned "ON". One cycle consists of five-second "flash" and then three-second "illuminate".

a. The vehicle speed has reached 8 km/h mph) while the seat belt switch is turned (driver's seat belt is not fastened) with ignition switch "ON.
b. The seat belt switch has been turned on (driver's seat belt has not been fastened) at least 10 seconds while the ignition has been turned "ON" and the vehicle has been 8 km/h (5 mph) or more.

NOTE: Once this timer operation has been activated, it will not be activated again until vehicle speed reduces to 3 km/h (2 mph) less even if any of the following conditions met.

- The indicator turns off if the ignition switch seat belt switch is turned off (the driver's seat is fastened) while the timer operation is

DOOR AJAR INDICATOR
The combination meter receives the signal sent from the ETACS-ECU about whether each door is open or closed and turns the door ajar indicator on and off. While the door ajar indicator is illuminated, the door ajar tone alarm function is activated and the door ajar indicator flashes 4 times. If the door remains open even after the 4 warning flashes, the door ajar indicator will be illuminated again. And when the interior light automatic-shutoff function is activated, the door ajar indicator is extinguished.

IGNITION KEY CYLINDER ILLUMINATION FUNCTION
The ignition key cylinder illumination light illuminates when the driver's door is opened with the ignition switch off, and for 30 seconds after the driver's door is closed. It also illuminates for 30 secondsafter the ignition key is pulled out. In any case, it goes out when the ignition switch is turned on.

NOTE: When the ignition key cylinder illumination is extinguished by the interior light automatic-shutoff function, it does not illuminate.

General Circuit Diagram For Interior Lights <ECLIPSE> Part 1:




General Circuit Diagram For Interior Lights <ECLIPSE> Part 2:




General circuit diagram for interior lights

General Circuit Diagram For Interior Lights <ECLIPSE SPYDER> Part 1:




General Circuit Diagram For Interior Lights <ECLIPSE SPYDER> Part 2:




General circuit diagram for interior lights

THEFT-ALARM SYSTEM




GENERAL DESCRIPTION CONCERNING THE THEFT-ALARM SYSTEM
The following ECUs affect the functions and control of the theft-alarm function.

ARMED STAGE
Park the vehicle and stop the engine. Arm the system as described below:
- Remove the key from the ignition switch.
- Make sure that the engine hood is closed.
- Lock all doors and the trunk lid using power door lock switch, the remote control transmitter, or using the key. After completion of the steps above, the theft-alarm indicator will illuminate for approximately 20 seconds and then continuously blink on and off, indicating that the system is armed.

NOTE:
- The system will be armed even if the engine hood is open, but when the system is set, be sure that the engine hood is closed.
- The system will be disarmed if, while the theft-alarm indicator (located in the front left of the dashboard) is illuminated, all doors or the trunk lid are unlocked by transmitter or using the key.
- The system will be disarmed if, while the theft-alarm indicator is illuminated, the ignition key is turned to the "ON" or "ACC."
- The system will not be armed if a door is not completely closed. Ensure that all the doors and trunk lid are closed, and arm the system again as described above.
- Ensure that all passengers exit the vehicle before arming the system. If the driver arms system with passengers in the vehicle, the alarm will be activated when the passengers open the door.

DISARMED STAGE
The system will be disarmed when either of the following steps are taken:
- All doors or the trunk lid are unlocked by the transmitter or using the key.
- The ignition key is turned to "ACC" or "ON."
- If the UNLOCK button is pressed when all doors and the trunk lid are closed and no door is opened within approximately 30 seconds, re-arming will automatically occur.

NOTE: Once the system has been disarmed, it cannot be rearmed except by repeating the arming procedure.

ALARM STAGE
The alarm will be activated if any of the following occur while the vehicle is parked and the system is armed:
- One of the doors or the trunk lid is opened without the transmitter or using the key.
- The engine hood is opened from the outside or inside.

TYPE OF ALARM
When the alarm is activated:
- The headlights blink on and off for approximately 3 minutes. After approximately 3 minutes the headlights automatically shut off.
- The horn will sound intermittently for approximately 3 minutes.

NOTE: The alarm will continue to operate for approximately 3 minutes. At the end of that period, the alarm will automatically shut off. The system will then be rearmed until the proper disarming step is taken.

ALARM DEACTIVATION
The alarm can be deactivation in the following ways.
- By turning the key (in the driver's door) in either direction (toward lock or unlock).
- By using the transmitter to lock or unlock the door or the trunk lid.

TESTING THE THEFT-ALARM SYSTEM
Use the following procedure to test the system:
- Lower the driver's window.
- Arm the system as explained in "Armed stage."
- Make sure that the theft-alarm indicator comes on and flashes in approximately 20 seconds.
- Wait a few seconds and then unlock the driver's side door by using the inside door lock knob and open the door.
- Check to be sure that the horn sounds intermittently and the headlights blink on and off when the door is opened.
- Disarm the system by unlocking doors or the trunk lid by the transmitter or using the key.

NOTE: To make sure the alarm sounds when the engine hood is opened, open the engine hood by using the engine hood release lever when the system is in the "armed" stage.

General Circuit Diagram For The Theft-alarm Part 1:




General Circuit Diagram For The Theft-alarm Part 2:




GENERAL CIRCUIT DIAGRAM FOR THE THEFT-ALARM