Curiosii for ever!: Car repair manuals for everyone.

Part 2

TONE ALARM




GENERAL DESCRIPTION CONCERNING THE TONE ALARM
The tone alarm functions are as given. These functions are controlled by relevant ECUs.




IGNITION KEY REMINDER TONE ALARM FUNCTION
When the driver's door is opened with the ignition key inserted in the ignition key cylinder (ignition switch is in the OFF position,) the tone alarm sounds intermittently to indicate that the ignition key has not been removed.




LIGHT REMINDER TONE ALARM FUNCTION
When the taillights or headlights are ON, if the ignition key is removed and the driver's door is opened, a tone alarm will sound continuously to warn that the lights are on. However, if the taillights or headlights have been turned off by the headlight automatic-shutoff function, the tone alarm will not sound.

Part 1:




Part 2:




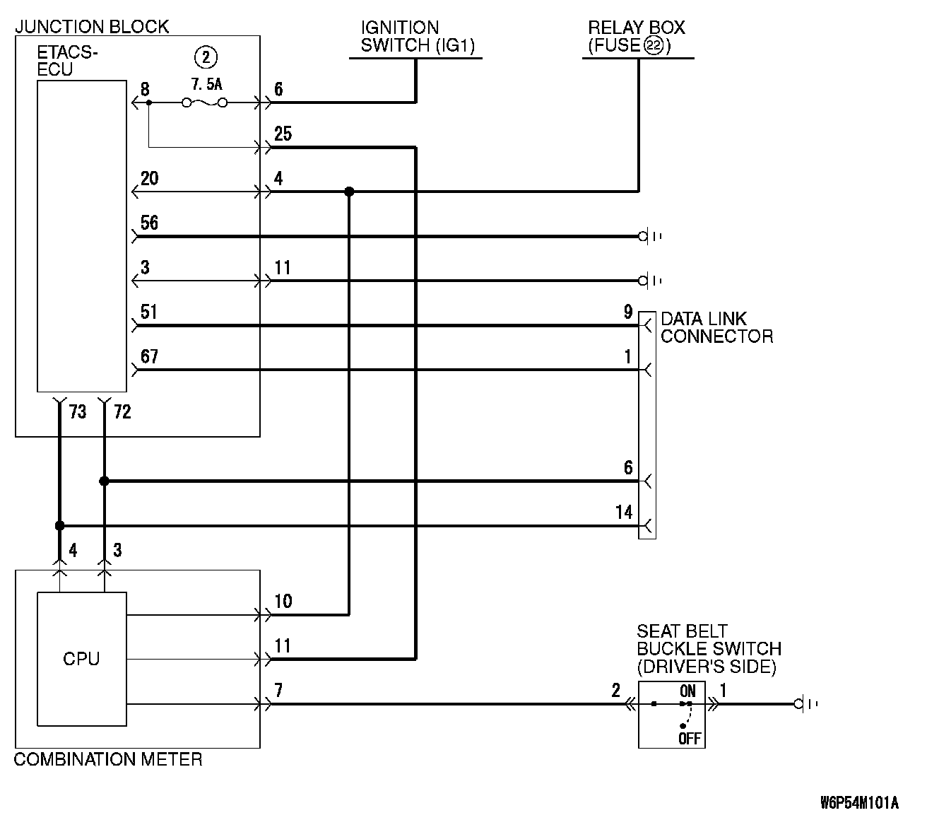
SEAT BELT TONE ALARM FUNCTION
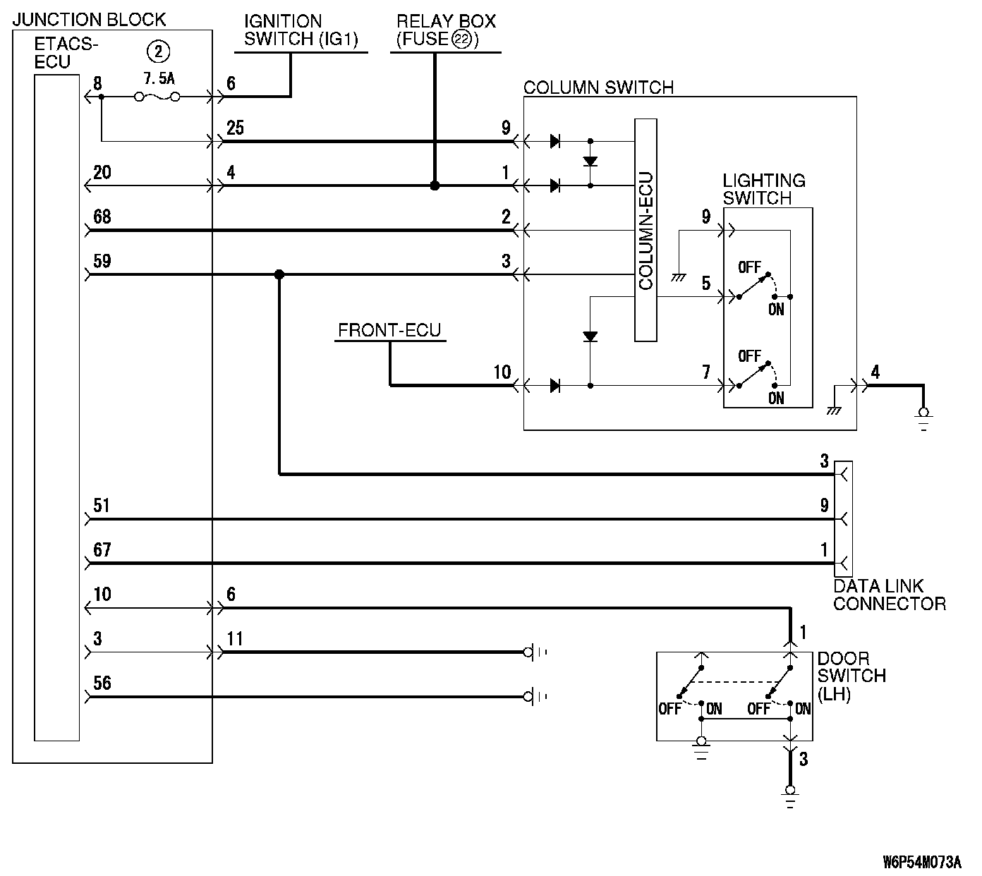
If any of the following conditions are met with the ignition switch at "ON" or "ST", the ETACS-ECU sounds the tone alarm by using the driver's seat belt switch signal and the vehicle speed signal from the combination meter.
- Sounds the tone alarm for 6 seconds when the ignition switch is turned "ON" with the seat belt switch on (the driver's seat belt is not fastened) (Timer function).
- Sounds the tone alarm 12 cycles (after 0.5 second) if any of the following conditions are met when 60 seconds or more have elapsed since the ignition switch is turned "ON". One cycle consists of 5 seconds "on" and then 3 seconds "off".
a. The vehicle speed has reached 8 km/h (5 mph) while the seat belt switch is turned on (driver's seat belt is not fastened) with the ignition switch "ON".
b. The seat belt switch has been turned on (driver's seat belt has not been fastened) for at least 10 secondswhile the ignition switch has been turned "ON" and the vehicle speed has been 8 km/h (5 mph) or more.

NOTE: Once the tone alarm has sounded 12 cycles, it does not sound again until the vehicle speed reduces to 3 km/h (2 mph) or less even if any of the following conditions is met.

- The tone alarm stops sounding if the ignition switch or the seat belt switch is turned off (the driver's seat belt is fastened) while the timer operation is active.

DOOR AJAR TONE ALARM FUNCTION
The buzzer is sounded 4 times by the ETACS-ECU to warn the driver if any door (including liftgate) is open when the ignition is switched ON and the vehicle speed reaches 8 km/h (5 mph) or faster. The buzzer will continue to sound 4 times even if the ignition, door status, or vehicle speed requirements are not maintained.

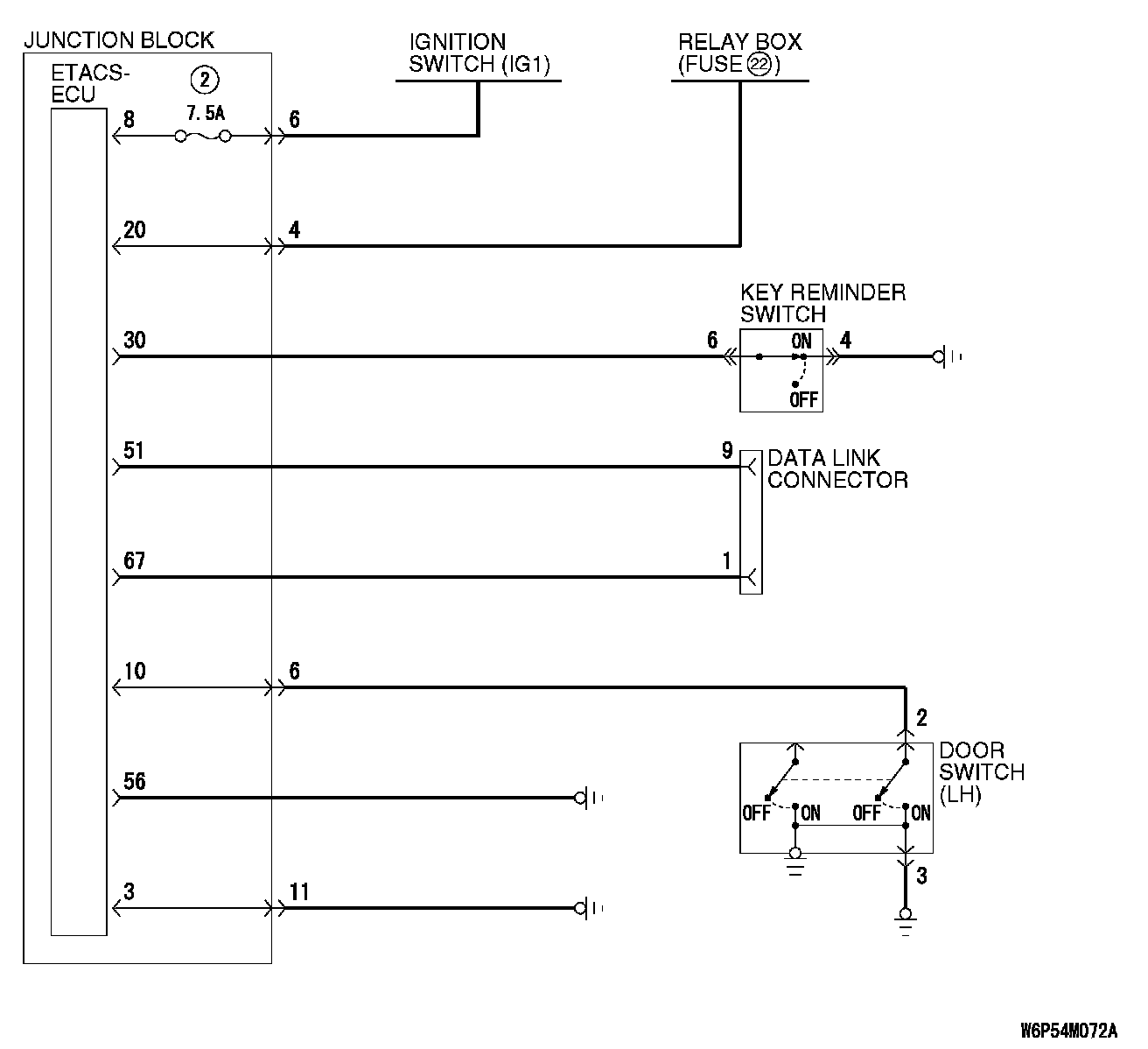
General Circuit Diagram For Ignition Key Reminder Tone Alarm Function:




General circuit diagram for ignition key reminder tone alarm function

General Circuit Diagram For Light Reminder Tone Alarm Function:




General circuit diagram for light reminder tone alarm function

General Circuit Diagram For Seat Belt Tone Alarm Function:




General circuit diagram for seat belt tone alarm function

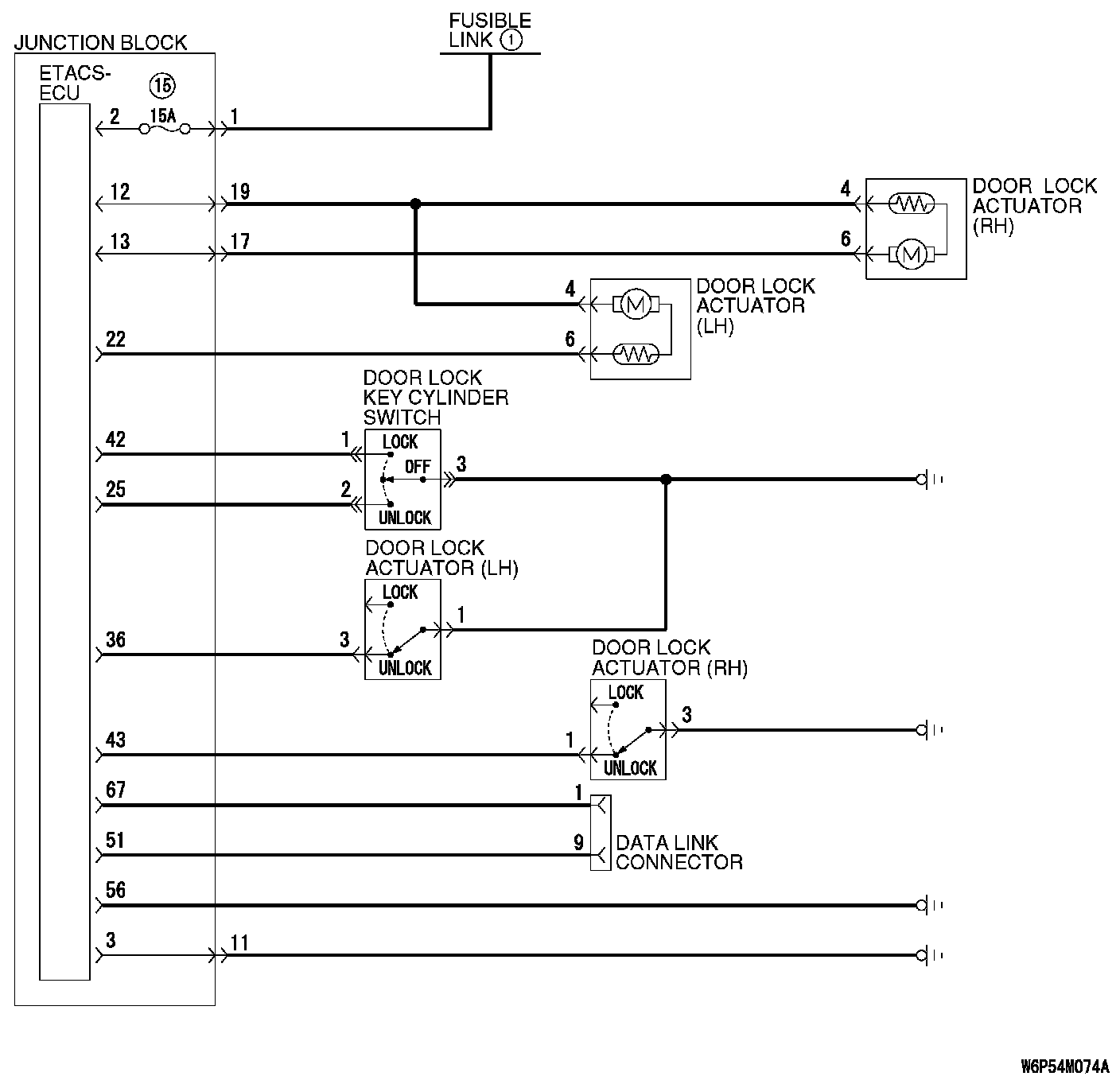
CENTRAL DOOR LOCKING SYSTEM




GENERAL DESCRIPTION CONCERNING CENTRAL DOOR LOCKING SYSTEM
The above ECUs affect the functions and control of the central door locking system.




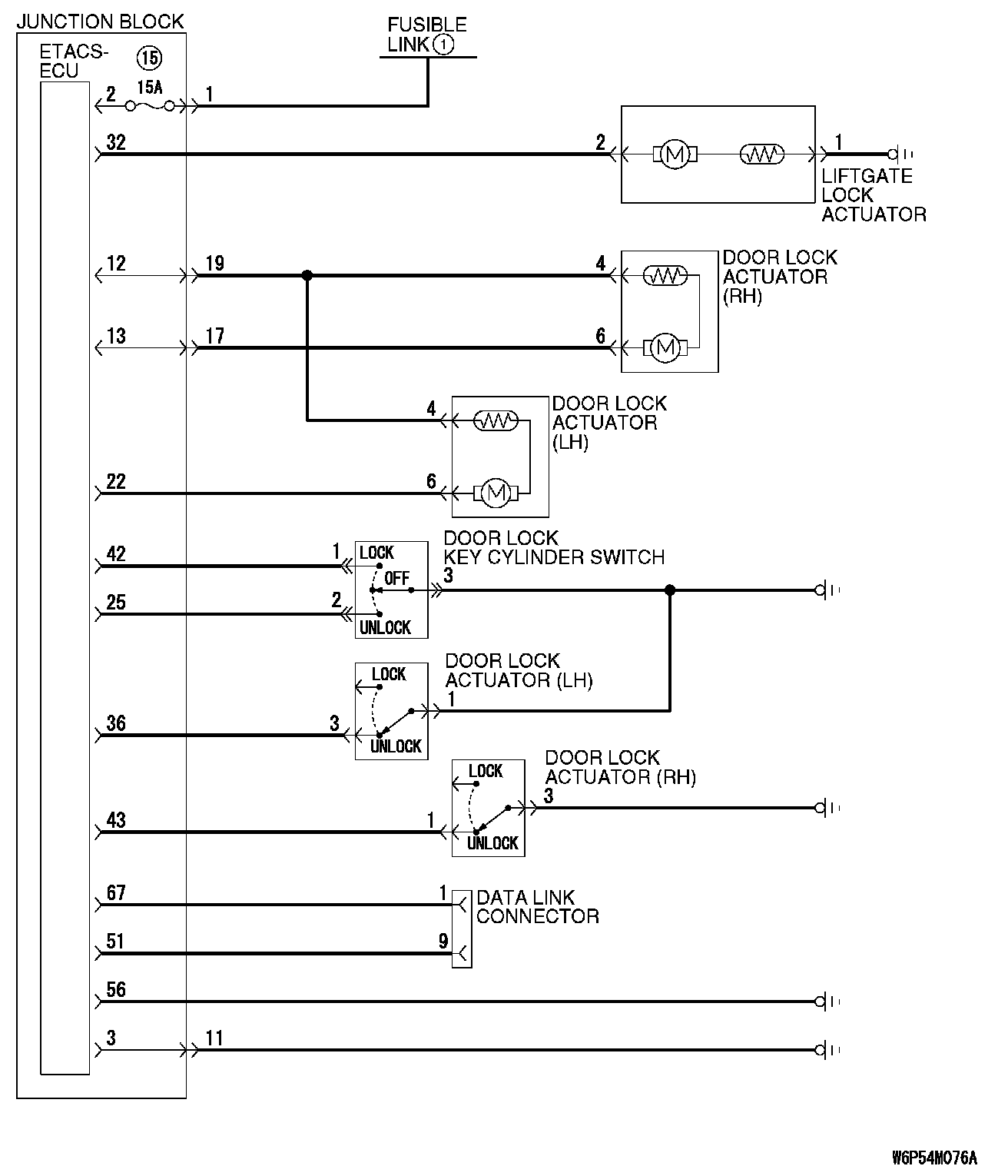
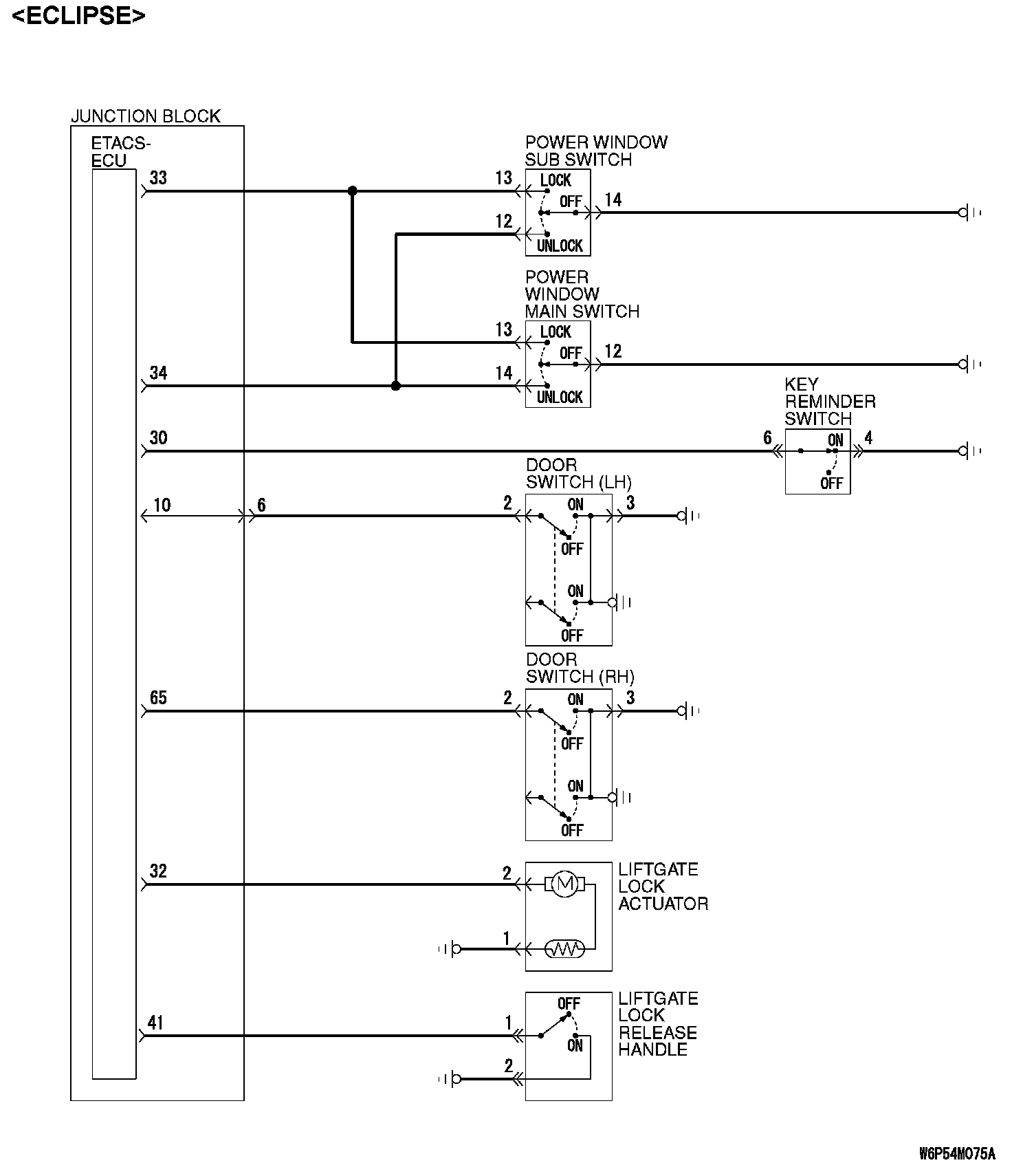
DOOR UNLOCKING BY OPERATING THE DRIVER'S DOOR LOCK KEY CYLINDER
- When the ignition key is inserted in the driver's door lock key cylinder and turned clockwise to unlock the driver's door, the ETACS-ECU operates its door unlock relay and passes a current through the door lock actuator of the driver's door for 0.25 second to unlock only the driver's door.
- When the ignition key is turned clockwise again, the ETACS-ECU operates its door unlock relay and passes a current through the door lock actuators of all doors for 0.25 second to unlock all doors.




DOOR LOCKING OR UNLOCKING BY OPERATING THE DRIVER'S OR PASSENGER'S DOOR LOCK SWITCH
- When the door is locked by the driver's or passenger's door lock switch, the ETACS-ECU operates its door lock relay and passes a current through the door lock actuators of all doors for 0.25 second to lock all doors.
- When the door is unlocked by the driver's or passenger's door lock switch, the ETACS-ECU operates its door unlock relay and passes a current through the door lock actuators of all doors for 0.25 second to unlock all doors.
- When the door is locked and unlocked by driver's or passenger's door lock switch consecutively, the ETACS-ECU operates its door lock relay and passes a current through the door lock actuators of all doors for 0.25 secondto lock all doors. Then, the ETACS-ECU operates its door unlock relay and passes a current through the door lock actuators of all doors for 0.25 second to unlock all doors. Due to this, there may be a time lag between the driver's or passenger's door lock switch actuation and the time when all doors are unlocked.

Forgotten key prevention function




If the driver's door is locked while it is open
If the driver's door is locked while it is open and when the key is still in the ignition key cylinder, approximately 0.3 second later the ETACS-ECU activates the unlock relay output for 0.25 second to prevent the door from being locked with the key inside the vehicle.

In addition, if locking the door was not prevented, a re-try current is sent (an unlock relay output ON is sent for 0.25 second up to 5 times including the first attempt).

NOTE: The dotted line indicates that the system is trying to turn on the unlock relay if the door cannot be unlocked.




If the passenger's door is open when it is locked with the driver's door switch
If the passenger's door or driver's door are locked while the passenger's door is open and when the key is still in the ignition key cylinder, approximately 0.3 second later the ETACS-ECU activates the unlock relay output for 0.25 second to prevent the door from being locked with the key inside the vehicle.

In addition, if locking the door was not prevented, a re-try current is sent (an unlock relay output ON is sent for 0.25 second up to 5 times including the first attempt).

NOTE: The dotted line indicates that the system is trying to turn on the unlock relay if the door cannot be unlocked.

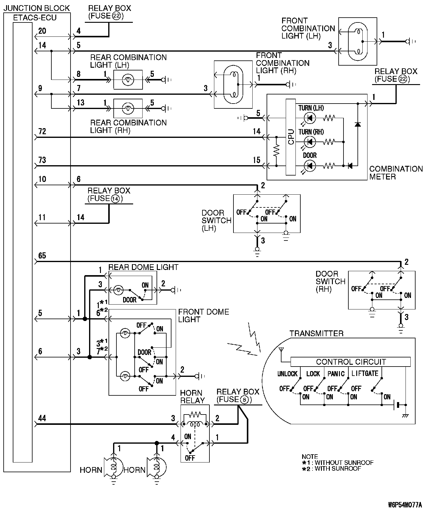
General Circuit Diagram For The Central Door Locking System:




General circuit diagram for the central door locking system

<ECLIPSE>:






<ECLIPSE SPYDER>:






POWER WINDOWS




GENERAL DESCRIPTION CONCERNING THE POWER WINDOWS
The given ECUs affect the functions and control of the power windows.




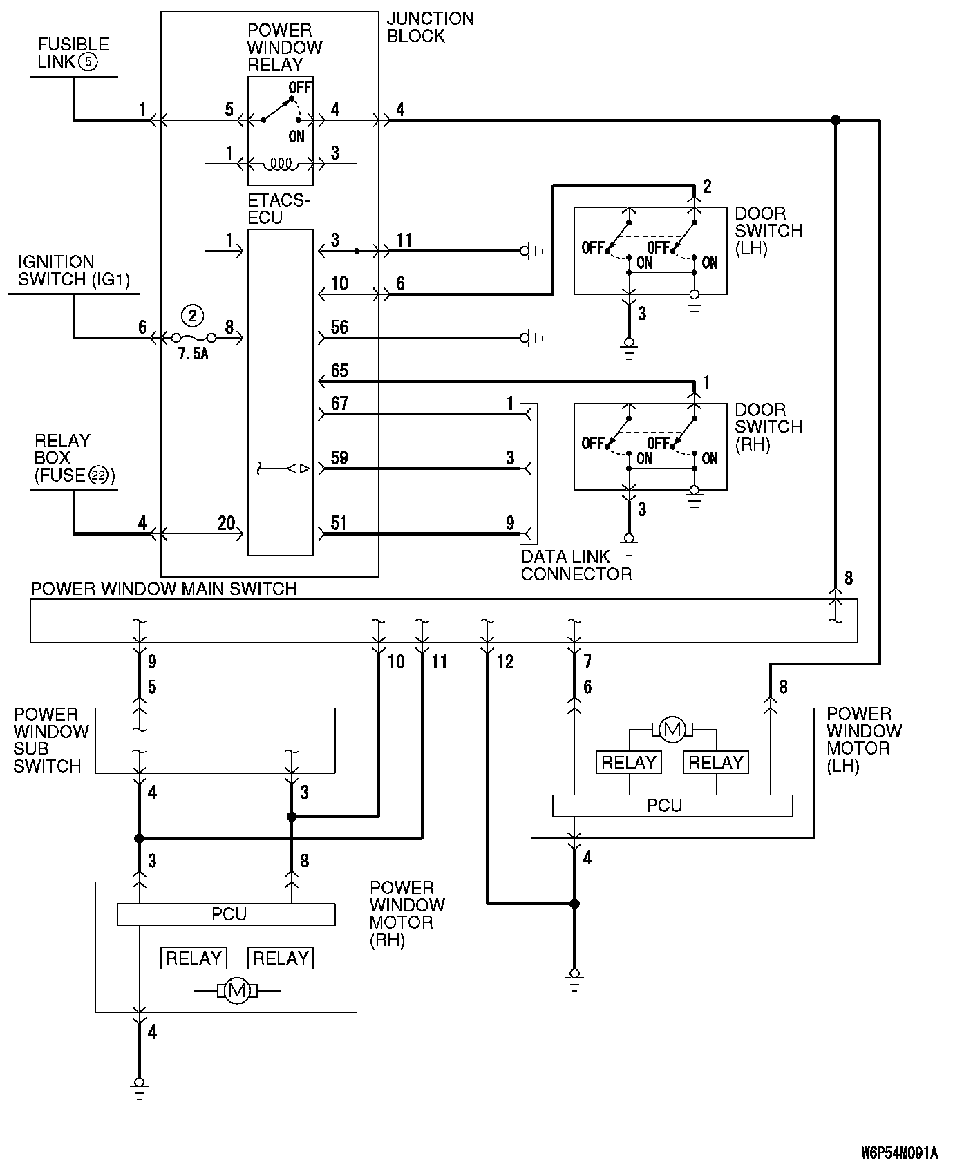
POWER WINDOW TIMER FUNCTION
Even after the ignition is switched off, the ETACS-ECU keeps the power window relay activated for approximately 30 seconds, enabling raising or lowering of the power windows by using the power window switches. After approximately 30 seconds, the power window relay is deactivated.

During this timed operation, if the driver's or passenger's doors are opened, the power window relay is deactivated from that moment.

General Circuit Diagram For The Power Windows:




General circuit diagram for the power windows

KEYLESS ENTRY SYSTEM




GENERAL DESCRIPTION CONCERNING THE KEYLESS ENTRY SYSTEM
The given ECUs affect the functions and control of the keyless entry system.




KEYLESS ENTRY HAZARD ANSWERBACK FUNCTION
If the keyless entry transmitter is used to send a lock signal to the ETACS-ECU, all doors are locked and the hazard warning lights flash once. If an unlock signal is sent, the driver's door is unlocked first, and if a second signal is sent, all doors are unlocked. Each time the unlock signal is sent, the hazard warning lights flash twice.




KEYLESS ENTRY HORN ANSWERBACK FUNCTION
When the lock signal from the keyless entry transmitter is received into ETACS-ECU, all doors are locked and the horn sounds. If the driver's door cannot be locked even when the keyless entry transmitter is operated, the horn does not sound.

LIFTGATE UNLOCK FUNCTION
Press the "LIFTGATE" button twice within 5 seconds and the liftgate will be unlocked.

TIMED LOCKING MECHANISM
After unlocking the doors with the keyless entry transmitter, if no doors are opened, if the ignition key is not inserted or if the locking function is not operated, the ETACS-ECU automatically locks the doors in 30 seconds.

General Circuit Diagram For The Keyless Entry System Part 1:




General Circuit Diagram For The Keyless Entry System Part 2:




General circuit diagram for the keyless entry system

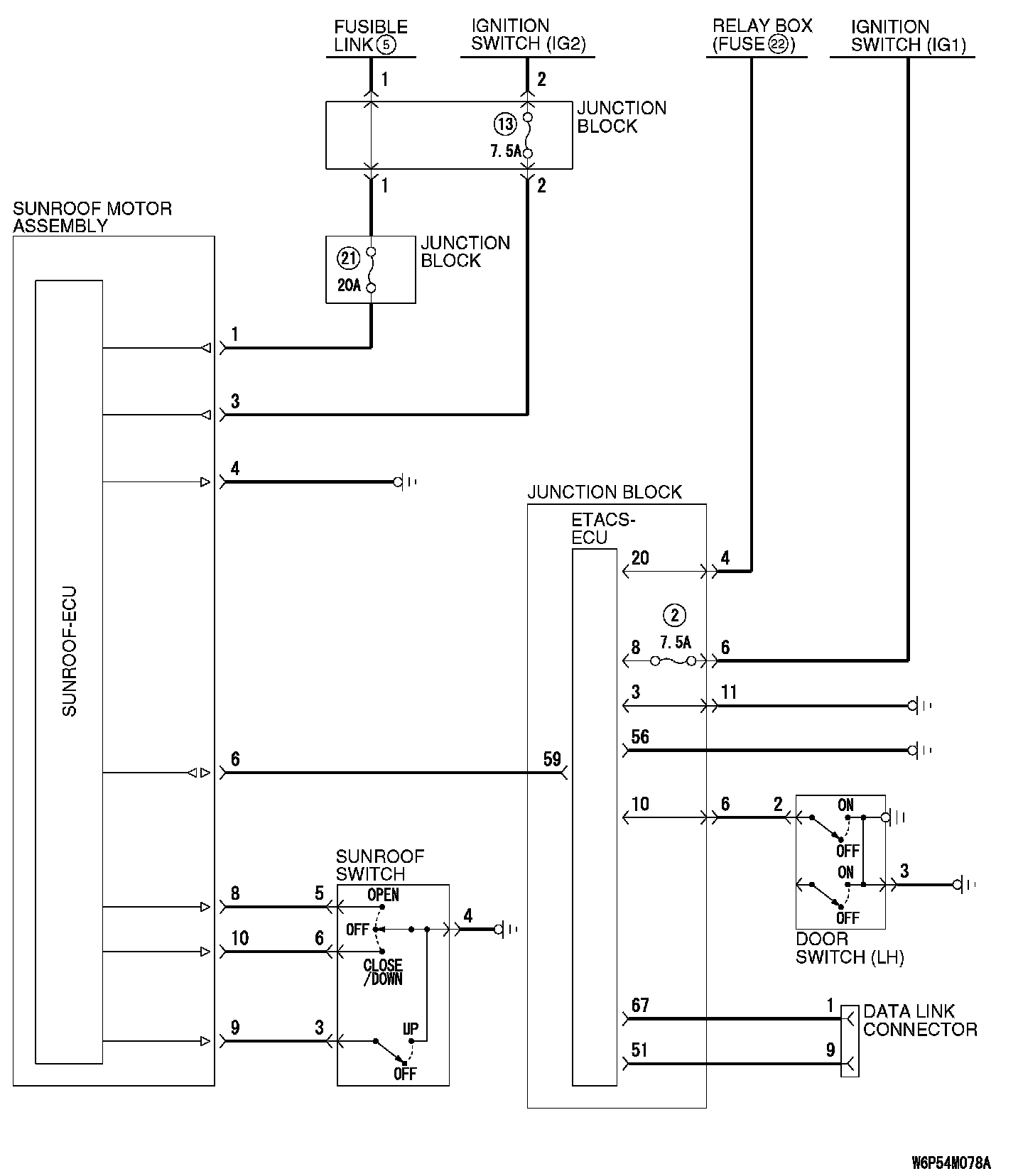
SUNROOF




GENERAL DESCRIPTION CONCERNING THE SUNROOF
The given ECU affects the functions and control of the sunroof.

SUNROOF TIMER FUNCTION
The ETACS-ECU enables opening and closing of the sunroof for 30 seconds after the ignition is switched off. During this timed operation, if the driver's door or passenger's door is opened, the sunroof timer function is deactivated from that moment.

General Circuit Diagram Regarding The Sunroof:




General circuit diagram regarding the sunroof

WINDSHIELD WIPER AND WASHER




GENERAL DESCRIPTION CONCERNING THE WINDSHIELD WIPER AND WASHER
The given ECUs affect the functions and control of the windshield wiper and washer.

INTERMITTENT CONTROL (VEHICLE SPEED-DEPENDENT VARIABLE TYPE)




ETACS-ECU uses the dial position of the variable intermittent wiper control switch and the vehicle speed signal sent by the combination meter to calculate the interval to be sent to the front-ECU.




The front-ECU determines the intermittent time T1 from the input SWS data signal, and turns ON the windshield wiper drive signal. When the wiper is at the STOP position, the windshield wiper auto-stop signal goes OFF then turn OFF the windshield wiper drive signal. After the intermittent time T1 seconds from when the windshield wiper drive signal turned ON, the windshield wiper drive signal is turned ON again and the above operation is repeated.

NOTE: If the intermittent time T1 is within 2 seconds, the wiper is operated consecutively at LOW-speed by the front-ECU.

Mist Wiper Control:




Mist wiper control
When the ignition switch is in the ACC or ON position, and the windshield mist wiper switch of the column switch is turned ON, the front-ECU turns ON the windshield wiper drive signal. At the same time, the wiper speed switching relay is turned ON (HIGH-SPEED). While the windshield mist wiper switch is ON, the windshield wiper will operate at high speed. Then, if the windshield mist wiper switch is turned off, the wiper operates at low speed until it stops at the predetermined park position.

When the windshield mist switch is turned on briefly, the wiper operates once at low speed.

At the point the windshield mist switch is turned ON, if the windshield wiper has been operating intermittently, the same operations as the above will be performed while the windshield mist wiper switch is ON. After the windshield mist wiper switch goes OFF, the intermittent operations will be set again T1 seconds after the last windshield wiper auto-stop signal turning ON.

Low-speed Wiper, High-speed Wiper Control:




Low-speed wiper, high-speed wiper control
When the ignition switch in at the ACC or ON position, and the windshield low-speed wiper switch of the column switch is turned ON, the front-ECU turns ON the windshield wiper drive signal, turns OFF (LOW) the windshield wiper speed relay, and operates the windshield wiper at low-speed. Next, when the windshield high speed wiper switch is turned ON, the windshield wiper drive signal is turned ON, the windshield wiper speed switching relay is turned ON (HIGH), and the windshield wiper is operated at high-speed.

Washer Control:







Washer control
When the ignition switch is in the ACC or ON position, and the windshield washer switch of the column switch is turned ON, the front-ECU turns ON the windshield washer relay. The windshield wiper drive signal is turned ON after 0.15 second until 2 seconds after the windshield washer switch goes OFF to operate the windshield wiper continuously. When the windshield washer switch is turned ON, if the windshield wiper is operating intermittently, intermittent operation will resume after two or three wipes.

NOTE: The wiper drive signal output time varies according to the conditions. Refer to the table for details.

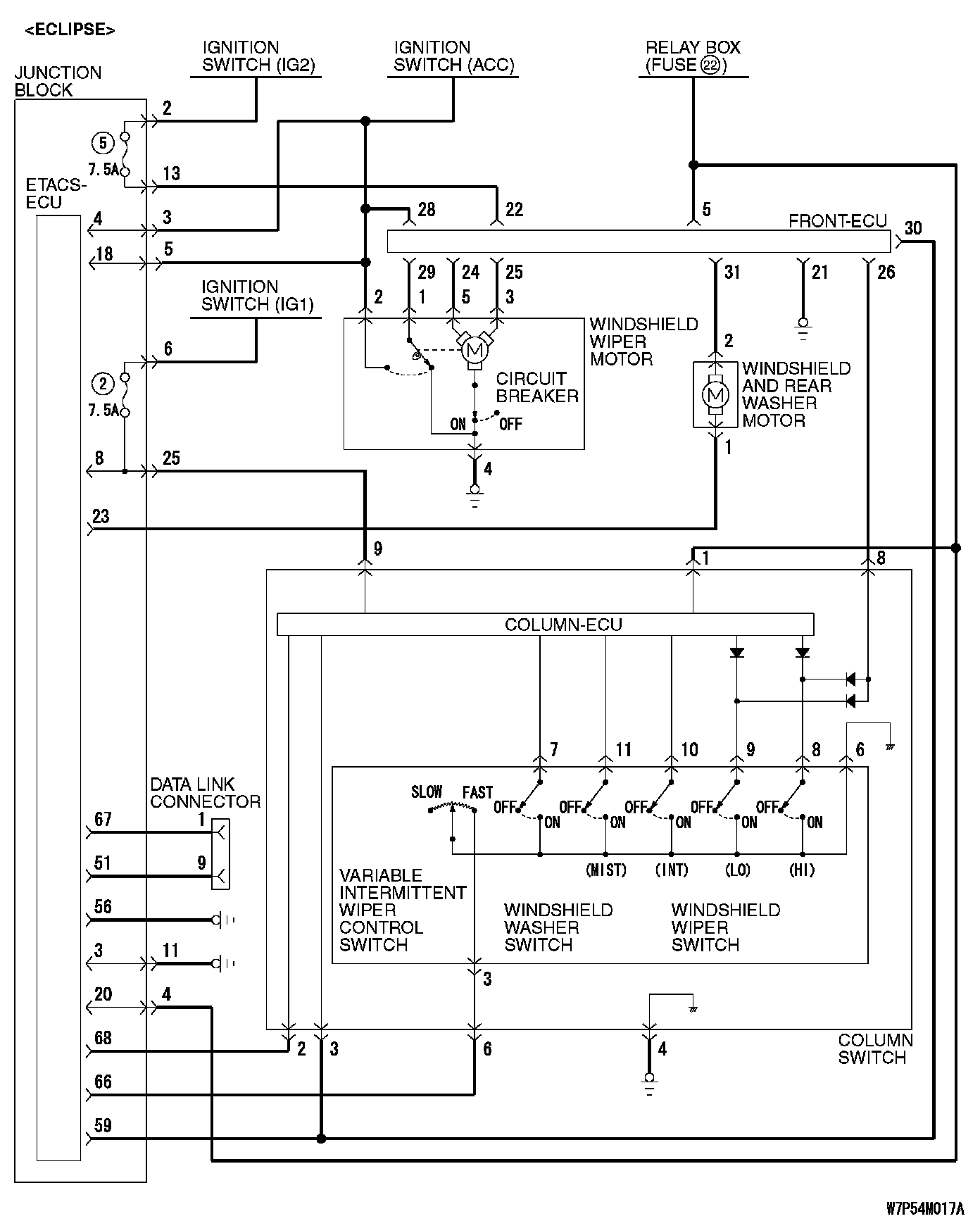
General Circuit Diagram For The Windshield Wiper And Washer <ECLIPSE>:




General circuit diagram for the windshield wiper and washer

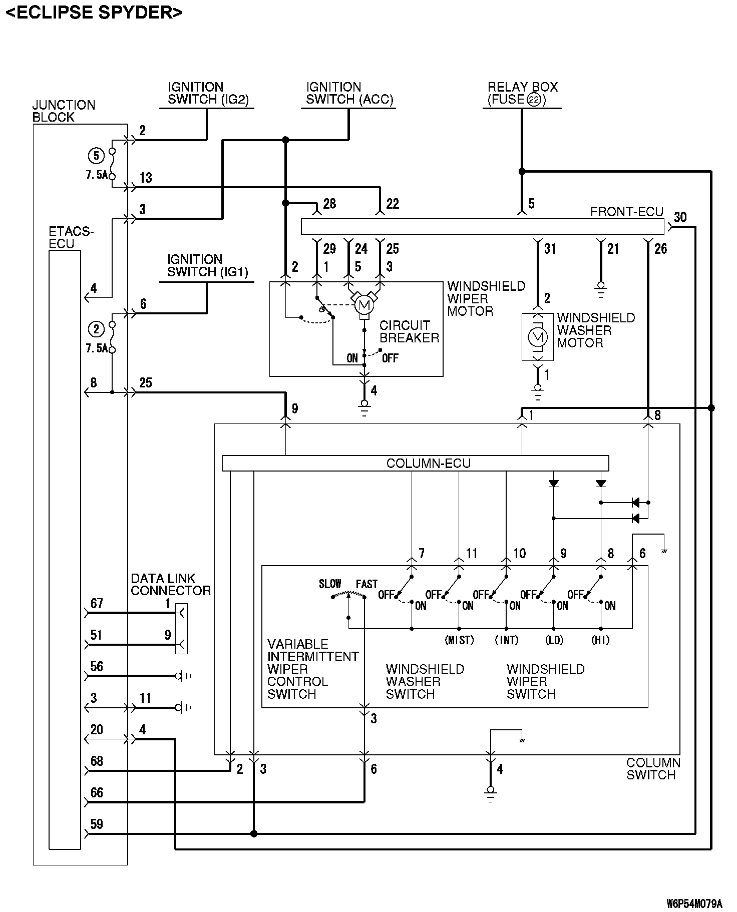
General Circuit Diagram For The Windshield Wiper And Washer <ECLIPSE SPYDER>:




General circuit diagram for the windshield wiper and washer

REAR WIPER AND WASHER




GENERAL DESCRIPTION CONCERNING THE REAR WIPER AND WASHER
The given ECUs affect the functions and control of the rear wiper and washer.

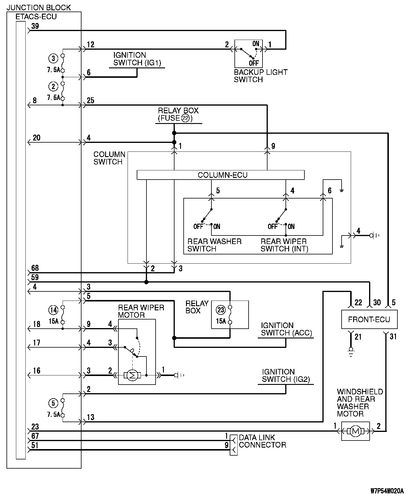
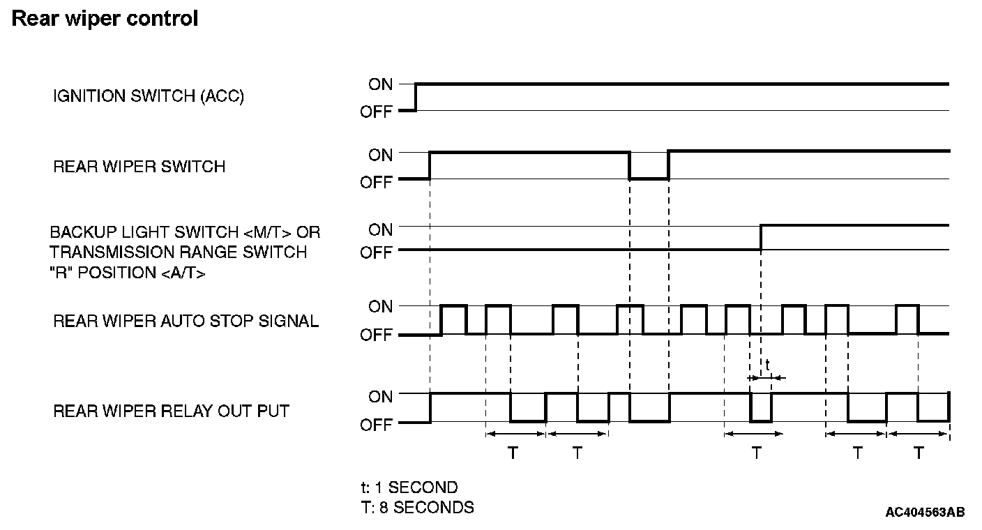
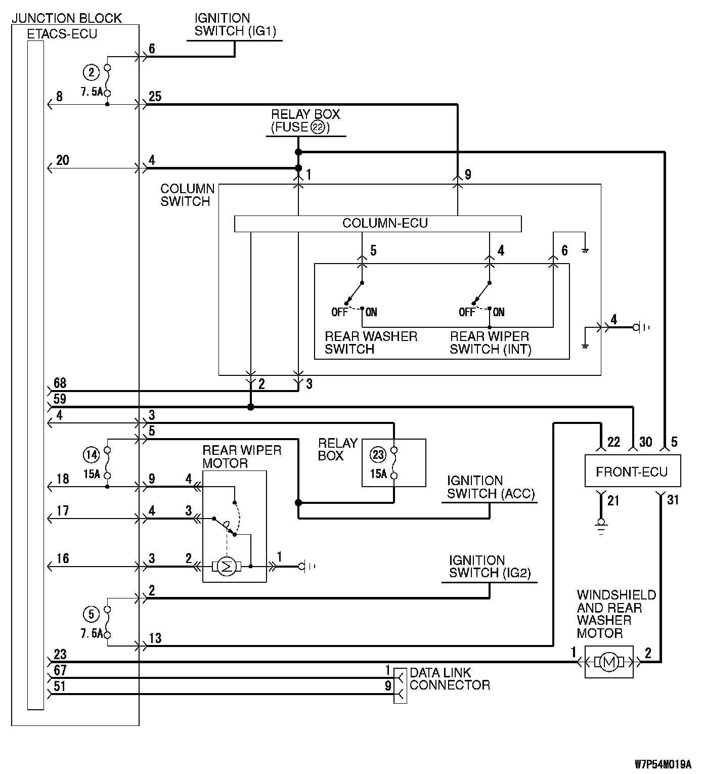
Rear Wiper Control:




Rear wiper control

Intermittent control (basic control)
When the rear wiper switch on the column switch is turned ON with the ignition switch ACC or ON, ETACS-ECU turns ON the rear wiper relay and operates the rear wiper twice consecutively. After that, operation continues at 8-second intervals.

"R" position-linked control
When the shift lever or the selector lever is moved to R (reverse) position during the rear wiper operation, the backup light switch or the transmission range switch R (reverse) turns ON. One second after that, the ETACS-ECU turns the rear wiper relay ON, and operates the rear wiper twice consecutively.

NOTE: If the rear wiper switch is turned OFF or the backup light switch or the transmission range switch R (reverse)
is turned OFF while the rear wiper is operating twice consecutively, the rear wiper relay will be turned OFF and the rear wiper will be stopped.

Rear Washer Control:




Rear washer control
When the rear washer switch on the column switch is turned ON with the ignition switch ACC or ON, the ETACS-ECU turns ON the rear washer relay. If the rear washer switch remains ON for 0.9 second or more, the rear wiper operates. 3 seconds after the rear washer switch is turned OFF, the rear wiper is stopped.

If the rear washer switch is turned ON during the intermittent operation of the rear wiper, the rear wiper operates along with the rear washer consecutively. 7.4 seconds after the rear wiper stops consecutive operation, it returns to the intermittent operation.

General Circuit Diagram For Rear Wiper And Washer (A/T):




General circuit diagram for rear wiper and washer (A/T)

General Circuit Diagram For Rear Wiper And Washer (M/T):




General circuit diagram for rear wiper and washer (M/T)